Магнитолы Pioneer KEH-P5010R - инструкция пользователя по применению, эксплуатации и установке на русском языке. Мы надеемся, она поможет вам решить возникшие у вас вопросы при эксплуатации техники.
Если остались вопросы, задайте их в комментариях после инструкции.
"Загружаем инструкцию", означает, что нужно подождать пока файл загрузится и можно будет его читать онлайн. Некоторые инструкции очень большие и время их появления зависит от вашей скорости интернета.

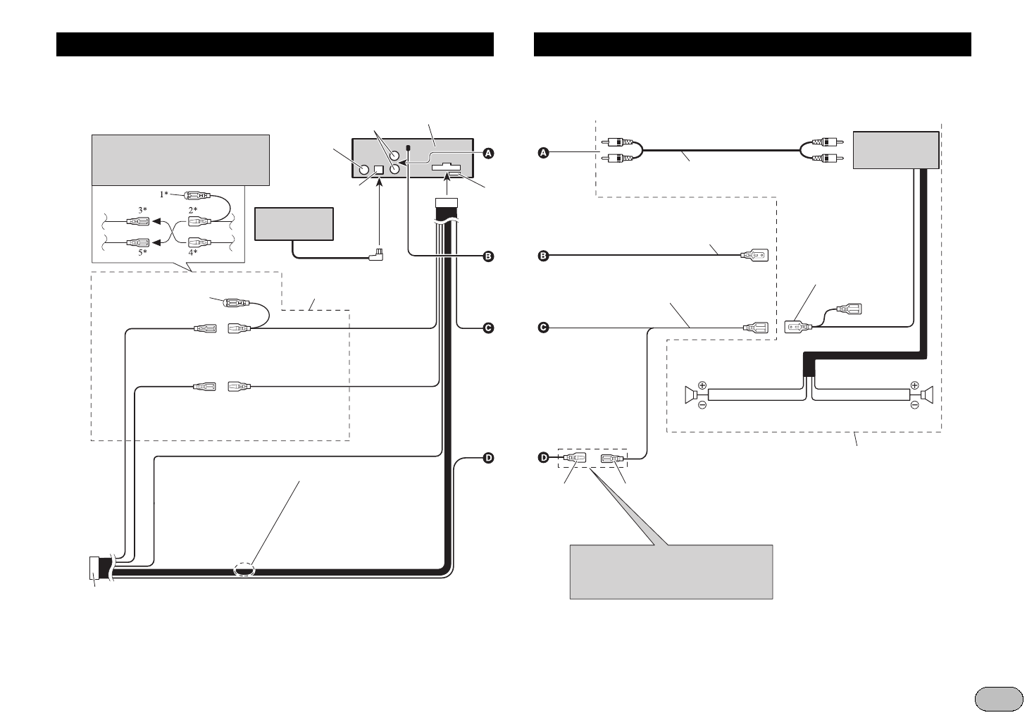
Ïîäêëþ÷åíèå óñòðîéñòâ
Проводка этого устройства окрашена в соответствии с новым стандартом.
Примечание:
В зависимости от типа автомобиля, фун-
кции 3* и 5* могут различаться. В этом
случае подключите 2* к 5*, а 4* к 3*.
Проигрыватель
Малти КД (про-
дается отдельно)
Гнездо антенны
Кабель IP-BUS
Подключите контакты од-
ного цвета друг к другу.
Колпак (1*)
Если этот разъем не
используется, не уда-
ляйте колпак.
Задний выход
Желтый (3*)
Резерв (или До-
полнительно)
Желтый (2*)
К разъему, на который питание
подается постоянно, независимо
от положения ключа зажигания.
Красный (5*)
Дополнительно
(или Резерв)
Красный (4*)
К электрическому разъему, уп-
равляемому ключом зажигания
(12 В постоянного напряжения)
включение/выключение.
Черный (земля)
К металлическому
кузову автомобиля.
Разъем ISO
Примечание:
В некоторых автомобилях разъем ISO
может быть разделен на два. В этом
случае подключите оба разъема.
Контакты громкоговорителей
Белый:
Передний левый
3
Белый/черный:
Передний левый
#
Серый:
Передний правый
3
Серый/черный:
Передний правый
#
Зеленый:
Задний левый
3
Зеленый/Черный: Задний левый
#
Фиолетовый:
Задний правый
3
Фиолетовый/
черный:
Задний правый
#
Это устройство
Вход IP-BUS (синий)
Синий/белый
К разъему управления автономной антенны.
(Максимум 300 мА 12 В постоянного напряжения.)
Дистанционное
управление системой
Расположение контактов разъема ISO различа-
ется в зависимости от типа автомобиля. Со-
едините 6* и 7*, если Контакт 5 служит для уп-
равления антенной. В автомобиле другого типа
никогда не соединяйте 6* и 7*.
Синий/белый
(6*)
Синий/белый (7*)
К разъему управления автономной антенной.
(Максимум 300 мА, 12 В постоянного напряжения.)
Желтый/черный
Если Вы пользуетесь сотовым телефоном, подключите
его к контакту Audio Mute (приглушение звука) на сото-
вом телефоне. Если Вы не используете сотовый теле-
фон, не подключайте контакт Audio Mute.
Пре-
дохра-
нитель
Задний громкого-
воритель (левый)
Задний громкого-
воритель (правый)
Соединительные кабели с контактными
гнездами RCA (продаются отдельно)
Усилитель мощ-
ности (продается
отдельно)
Делайте эти соединения при использовании
другой лампы (продается отдельно).
5