Магнитолы Pioneer DVH-390MP - инструкция пользователя по применению, эксплуатации и установке на русском языке. Мы надеемся, она поможет вам решить возникшие у вас вопросы при эксплуатации техники.
Если остались вопросы, задайте их в комментариях после инструкции.
"Загружаем инструкцию", означает, что нужно подождать пока файл загрузится и можно будет его читать онлайн. Некоторые инструкции очень большие и время их появления зависит от вашей скорости интернета.

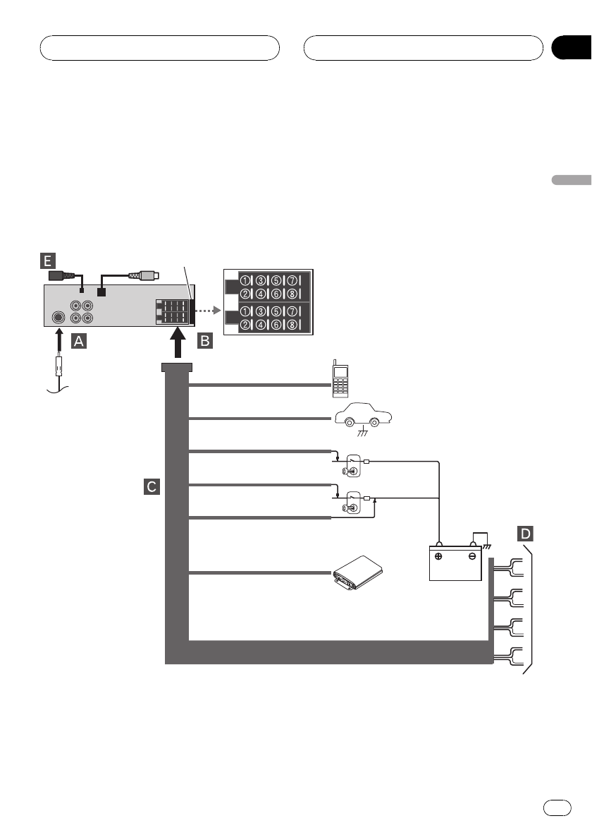
Установка в автомобиле
Перед подсоединением необходимо
убедиться в том
,
что зажигание выключе
-
но
,
а также отсоединить клемму
*
аккуму
-
ляторной батареи во избежание короткого
замыкания
.
Подсоединение проводов питания
К громкоговорителю
К автомобилю
Плавкий предохранитель (10 A)
15 cm
15 cm
Синий/белый
(Пульт дистанционного управления системой)
Желтый/черный
(нулевой уровень громкости телефона)
Оранжевый (подсветка)
Красный
(дополнительное оборудование)
Черный (заземление на массу)
Желтый (резервный)
РЕГУЛЯТОР ОСВЕЩЕННОСТИ
ЗАМОК ЗАЖИГАНИЯ
УСИЛИТЕЛЬ (Опция)
АККУМУЛЯТОРНАЯ
БАТАРЕЯ
Подключение
Ru
103
Раздел
Ру
сский
14
Содержание
- 6 ПРЕДУПРЕЖДЕНИЕ; ПРЕДУПРЕЖДЕНИЕ
- 7 Сведения об этом устройстве; ВНИМАНИЕ; Посетите наш сайт; Pioneer; Пиктограмма; Код региона
- 8 Типы используемых дисков; DVD±RW; О дисках; Поддержка
- 9 О формате
- 10 Символы
- 11 Панель управления
- 14 Установка батарейки; Направьте пульт дистанционного управле
- 15 Снятие панели управления; Установка панели управления
- 18 EQ
- 19 Регулировка эквалайзера; Индикация будет переключаться в следую; Основные операции
- 21 Управление тюнером
- 22 BAND
- 23 Audio CD; Вставьте диск в устройство; Режимы
- 24 PAUSE
- 27 Language; Menu Language; Примеча; Disc Audio
- 28 Display; TV Aspect; усиление черного; Audio; Dolby Digital
- 29 DRC; Lock
- 30 Password; Для создания нового кода; Если Вы забыли пароль; Для со; Area Code; Перечень кодов регионов; Others; PBC; Video CD
- 31 DivX VOD; DivX
- 32 DISPLAY; READING; Функции
- 34 Переход к другой главе; дорожке
- 35 Повтор; Chapter; Track
- 37 Увеличение
- 39 Переход к следующей папке
- 40 Во время просмотра изображений; Поворот изображения; Для поворота изображения по часо; Просмотр фотографий
- 41 Воспроизведение видео
- 43 Сканирование
- 44 Поиск по времени; Субтитры
- 45 Если субтитры отображаются некорректно
- 46 ние; SRC
- 47 Переднее; DIN; Передняя панель; Установка
- 48 Демонтаж устройства
- 49 Подключение
- 50 Установка в автомобиле; что зажигание выключе
- 53 AUDIO OUTPUT
- 54 Устранение неисправностей
- 55 Диски
- 56 CD
- 57 Пример иерархии; Видеофайлы формата
- 61 Технические характеристики; Общие; Аудио












