Магнитолы Pioneer DEX-P90RS - инструкция пользователя по применению, эксплуатации и установке на русском языке. Мы надеемся, она поможет вам решить возникшие у вас вопросы при эксплуатации техники.
Если остались вопросы, задайте их в комментариях после инструкции.
"Загружаем инструкцию", означает, что нужно подождать пока файл загрузится и можно будет его читать онлайн. Некоторые инструкции очень большие и время их появления зависит от вашей скорости интернета.

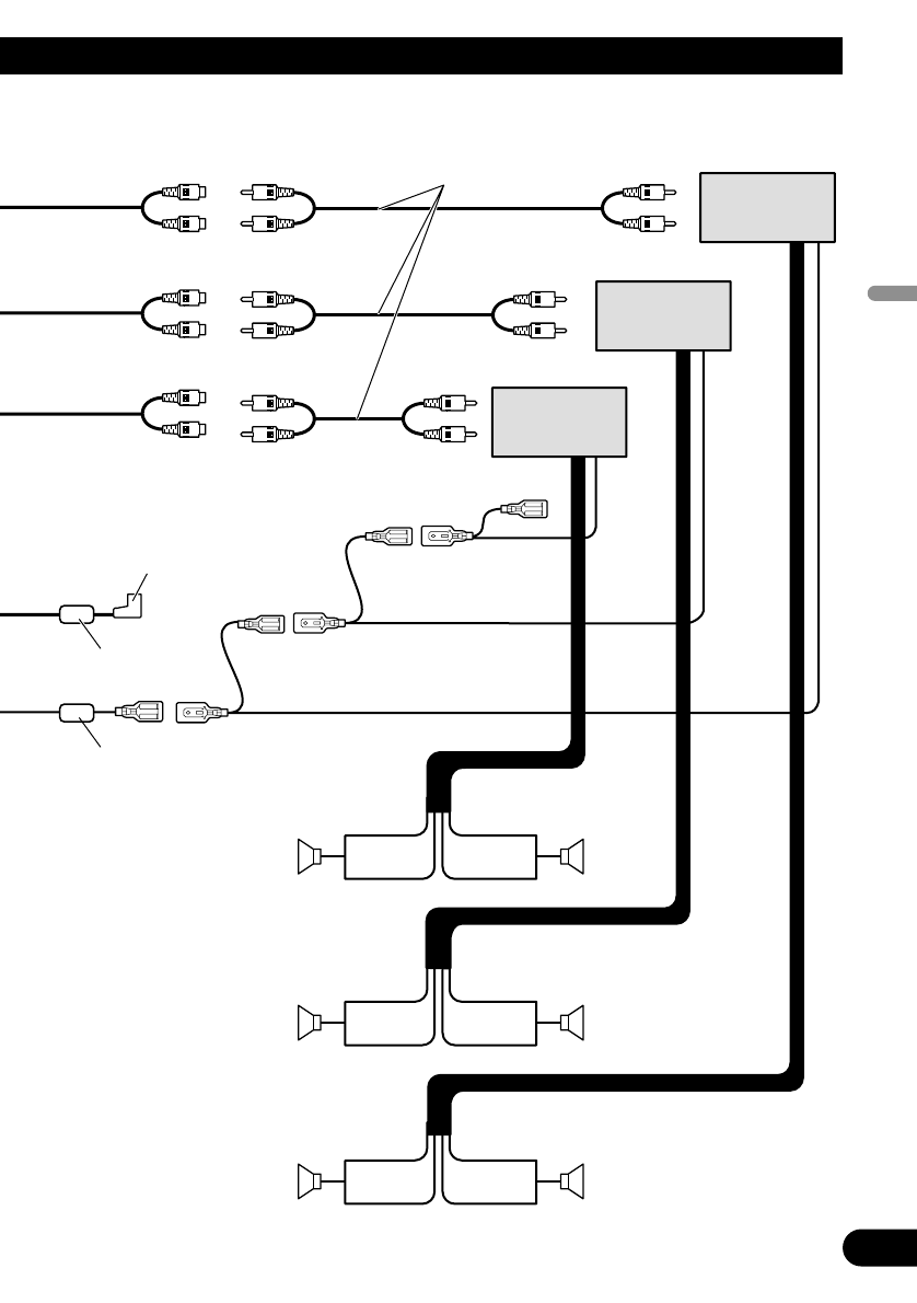
ëÓ‰ËÌÂÌË ÏÓ‰ÛÎÂÈ
84
êËÒ. 5
뇷‚ÛÙÂ
è‰ÌËÈ ‰Ë̇ÏËÍ
èÛÎ¸Ú ‰ËÒڇ̈ËÓÌÌÓ„Ó
ÛÔ‡‚ÎÂÌËfl ÒËÒÚÂÏÓÈ
ᇉÌËÈ ‰Ë̇ÏËÍ
ã‚˚È
臂˚È
ã‚˚È
臂˚È
ã‚˚È
臂˚È
ìÒËÎËÚÂθ
ÏÓ˘ÌÓÒÚË
(‡ÎËÁÛÂÚÒfl
ÓÚ‰ÂθÌÓ)
Ç˚ıÓ‰ IP-BUS (˜ÂÌ˚È)
ìÒËÎËÚÂθ
ÏÓ˘ÌÓÒÚË
(‡ÎËÁÛÂÚÒfl
ÓÚ‰ÂθÌÓ)
ìÒËÎËÚÂθ
ÏÓ˘ÌÓÒÚË
(‡ÎËÁÛÂÚÒfl
ÓÚ‰ÂθÌÓ)
çÂÏËͯËÛÂÏ˚È
‚˚ıÓ‰
ëÓ‰ËÌËÚÂθÌ˚ ¯ÌÛ˚ Ò
‚ËÎ͇ÏË RCA
(‡ÎËÁÛ˛ÚÒfl ÓÚ‰ÂθÌÓ)
ᇉÌËÈ ‚˚ıÓ‰
è‰ÌËÈ ‚˚ıÓ‰
뇷‚ÛÙÂ
è‰ÌËÈ ‰Ë̇ÏËÍ
îËÎ¸Ú ¯ÛÏÓ‚
îËÎ¸Ú ¯ÛÏÓ‚
ᇉÌËÈ ‰Ë̇ÏËÍ
+
≠
+
≠
+
≠
+
≠
+
≠
+
≠