Магнитолы Pioneer DEH-P8000R - инструкция пользователя по применению, эксплуатации и установке на русском языке. Мы надеемся, она поможет вам решить возникшие у вас вопросы при эксплуатации техники.
Если остались вопросы, задайте их в комментариях после инструкции.
"Загружаем инструкцию", означает, что нужно подождать пока файл загрузится и можно будет его читать онлайн. Некоторые инструкции очень большие и время их появления зависит от вашей скорости интернета.

16
fg
Ïðîâîäêà ýòîãî óñòðîéñòâà îêðàøåíà â ñîîòâåòñòâèè ñ íîâûì ñòàíäàðòîì.
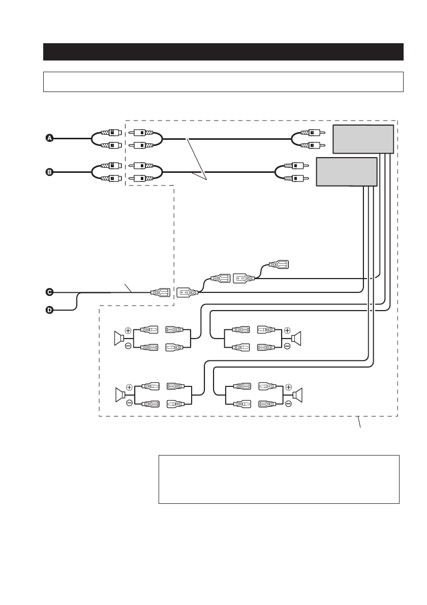
Ñõåìà ïîäêëþ÷åíèÿ
Ñàáâóôåð
Ñàáâóôåð
Ñèíèé/áåëûé
Ê ðàçúåìó óïðàâëåíèÿ àâòîíîì-
íîé àíòåííû. (Ìàêñèìóì 300 ìÀ
12 Â ïîñòîÿííîãî íàïðÿæåíèÿ.)
Ñîåäèíèòåëüíûé êàáåëü ñ
êîíòàêòíûìè øòåêåðàìè
RCA (ïðîäàåòñÿ îòäåëüíî).
Äèñòàíöèîííîå óïðàâëåíèå ñèñòåìîé
Óñèëèòåëü ìîù-
íîñòè (ïðîäàåòñÿ
îòäåëüíî)
Ïåðåäíèé âûõîä
Âûõîä ñóáâóôåðà èëè
âûõîä áåç çàòóõàíèÿ
Ïåðåäíèé ãðîìêîãîâîðèòåëü
Ïåðåäíèé ãðîìêîãîâîðèòåëü
Èñïîëüçóéòå ýòó ñõåìó äëÿ ïîäêëþ÷åíèÿ,
åñëè Âû èìååòå äîïîëíèòåëüíûé óñèëèòåëü.
Ïðèìå÷àíèå:
Åñëè ê ýòîìó óñòðîéñòâó âìåñòî ïðàâîãî çàäíåãî ãðîìêîãîâîðèòåëÿ ïîä-
êëþ÷åí ñàáâóôåð, íå ïîäêëþ÷àéòå êîíòàêò ëåâîãî çàäíåãî ãðîìêîãîâî-
ðèòåëÿ. Äëÿ ïîëó÷åíèÿ áîëåå ïîäðîáíîé èíôîðìàöèè îçíàêîìüòåñü ñ
ðàçäåëîì Íà÷àëüíûå Íàñòðîéêè.
Óñèëèòåëü ìîù-
íîñòè (ïðîäàåòñÿ
îòäåëüíî)