Магнитолы Pioneer DEH-1530R - инструкция пользователя по применению, эксплуатации и установке на русском языке. Мы надеемся, она поможет вам решить возникшие у вас вопросы при эксплуатации техники.
Если остались вопросы, задайте их в комментариях после инструкции.
"Загружаем инструкцию", означает, что нужно подождать пока файл загрузится и можно будет его читать онлайн. Некоторые инструкции очень большие и время их появления зависит от вашей скорости интернета.

4
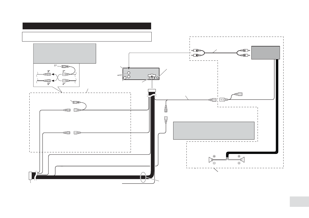
Схема проводных соединений
Провода этого устройства окрашены в соответствии с новым стандартом.
Примечание:
В зависимости от типа автомобиля, назначения выводов
3* и 5* могут быть различными. В этом случае следите
за тем, чтобы выводы соединялись следующим обра-
зом: 2* с 5*, а 4* с 3*.
Данное изделие
Выход задних
громкоговорителей
Антенный вход
Предохранитель
Соединяйте между
собой провода одно-
го цвета
Колпачок (1*)
Если этот вывод не используется,
то не снимайте колпачок.
Желтый (3*)
Резервный (или к контак-
ту замка зажигания
«вспомогательные
приборы»)
Желтый (2*)
К контакту, всегда находящемуся под напря-
жением, независимо от положения ключа за-
жигания
Красный (5*)
К контакту замка
зажигания «вспомога-
тельные приборы»
(или резервный)
Красный (4*)
К электрическому выводу, управляемому ключом
зажигания (12 В постоянного тока) в положениях
«вкл» или «выкл»
Черный (масса)
К металлическим деталям корпуса автомобиля
Разъем ISO
Примечание:
На некоторых автомобилях разъем ISO разде-
лен на две части. В таком случае подключите
обе части разъема
Соединительные кабели с разъемами
RCA (приобретаются отдельно)
Усилитель мощности
(приобретается
отдельно)
Желтый с черным
Если Вы пользуетесь сотовым телефоном, то соеди-
ните его с разъемом «Audio Mute» [Подавление звука]
сотового телефона. Если сотовый телефон отсутству-
ет, то данный провод не используется
Гнездо для подключения проводной си-
стемы дистанционного управления. См.
инструкцию к проводной системе дис-
танционного управления (приобретает-
ся отдельно)
Голубой с белым
К контакту управления системой усилителя
мощности. (Максимальный ток 300 мА, на-
пряжение постоянного тока 12 В)
Голубой с белым (7*)
К контакту управления реле автомобильной
антенны. (Максимальный ток 300 мА, на-
пряжение постоянного тока 12 В)
Голубой с белым (6*)
Расположение контактов в разъеме ISO может отличаться в зависимости
от модели автомобиля. Соедините контакты 6* и 7*, если контакт 5* пред-
назначен для управления антенной. Во всех других типах автомобилей
контакты 6* и 7* никогда не соединяются.
громкоговоритель
(левый)
громкоговоритель
(правый)
Такой способ соединений громкоговорителей применяется в
том случае, если имеется внешний усилитель (приобретается
отдельно)
Провода подключения громкоговорителей
Белый: передний левый (+)
Белый с черным: передний левый (-)
Серый: передний правый (+)
Серый с черным: передний правый (-)
Зеленый: задний левый (+)
Зеленый с черным: задний левый (-)
Фиолетовый: задний правый (+)
Фиолетовый с черным: задний правый (-)