Магнитолы Pioneer AVH-P4300DVD - инструкция пользователя по применению, эксплуатации и установке на русском языке. Мы надеемся, она поможет вам решить возникшие у вас вопросы при эксплуатации техники.
Если остались вопросы, задайте их в комментариях после инструкции.
"Загружаем инструкцию", означает, что нужно подождать пока файл загрузится и можно будет его читать онлайн. Некоторые инструкции очень большие и время их появления зависит от вашей скорости интернета.

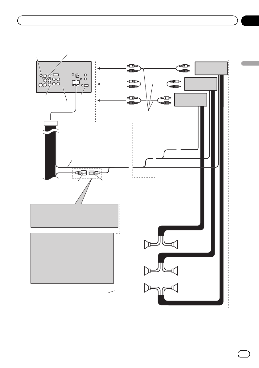
При подключении к усилителю мощности
(
продается отдельно
)
Синий/белый
Подключите к клемме системы
контроля усилителя мощности
(макс. 300 мА 12 В пост. ток).
Синий/белый (6*)
Подключите к клемме
управления реле автомобильной
антенны
(макс. 300 мА 12 В пост. ток).
Расположение штекера разъема ISO на
различных автомобилях может отличаться.
Если штекер 5 предназначен для управления
антенной, подсоедините 5* к 6*. На других
автомобилях подключать 5* к 6* запрещается.
Синий/белый (5*)
• При подключении к данному устройству
многоканального процессора (DEQ-P6600),
который продается отдельно, ничего не
подключайте к проводам динамиков и
дистанционному управлению системы
(голубой/белый).
• При подключении к данному устройству
многоканального процессора, обратитесь к
инструкции по установке многоканального
процессора для уточнения метода
подключения.
Соедините с кабелями RCA
(продаются отдельно)
Выполните данные подключения, когда
используется усилитель, который не
входит в состав обязательного
оборудования.
Система дистанционного управления
Усилитель мощности
(продается отдельно)
Усилитель мощности
(продается отдельно)
Усилитель мощности
(продается отдельно)
К переднему
выходу
К заднему
выходу
К выходу
низкочастотного
динамика
Данное
устройство
Задний выход
Передний выход
Выход низкочастотного
динамика
(только
AVH-
P4300DVD)
Передний
динамик
Передний
динамик
Задний
динамик
Задний
динамик
Низкочастотный
динамик
Низкочастотный
динамик
Левый
Правый
Ru
93
Раздел
15
Установка
Установка
Содержание
- 5 Безопасность движения; ПРЕДУПРЕЖДЕНИЕ; а также возможного на; Меры; Меры предосторожности
- 6 DVD; Viewing of; Использование дисплея; V OUT; ЗАПРЕЩАЕТСЯ; ПЕРЕДАЮ; ВНИМАНИЕ
- 8 Сведения об этом устройстве; RDS; ЛАЗЕРНЫЙ ПРОДУКТ КЛАСС 1; Перед началом эксплуатации
- 9 DVD video; Технические характери; Условия эксплуатации; RESET; Примечание; Перед
- 10 Демонстрационный режим; Source Off; Важно; калибровка; Регулировка положения отклика сен; Рус
- 11 Основное устройство; cd; Описание; Описание элементов устройства
- 12 Пульт дистанционного управления; Подробно о функциях пульта дистанцион
- 13 Кнопки сенсорной панели; Front; Примечания; Основные; Основные операции
- 15 операции; Picture Adjustment; Изменение настроек изобра; панели
- 16 Отрегулированное положение ЖК; Clock Adjustment; на стр
- 17 MHz; Тюнер
- 18 iPod; Воспроизведение видео
- 19 Воспроизведение
- 21 Возобновление
- 22 c d e; Воспроизведение аудио
- 23 Текстовая информация
- 24 Заставка дисплея; Выбор фоновой заставки
- 25 Просмотр; Просмотр фотографий
- 26 шоу
- 27 См; Стандартные операции на; на; Disc
- 28 Можно использовать телефон; Телефон с поддержкой
- 29 Настройки для громкой связи; Телефон
- 30 тюнера; тюнером; ТВ
- 31 Во время звонка; Использов; Использование беспроводной технологии
- 34 Auto
- 35 Отображение радиотекста; No Text; Чтобыотменить процесс сохранения; Подробные; Подробные инструкции
- 36 Поиск станции; Cancel
- 37 Not Found; Список; DivX; Работа с меню; Отображение кнопок со стрелками
- 38 Управление функциями; Знакомство с функциями видео
- 40 Video; Music; Поиск видео
- 41 Закладка
- 42 Chapter; Мульти
- 43 Несколько ракурсов; Возврат к указанному месту
- 45 Link Search; Знакомство с функциями вос; Remaining; VOD
- 46 Изменение формата экрана
- 47 ABC
- 48 Missed Calls; Чтобысохранить телефонный номер; входящих и
- 49 Включение сигнала вызова
- 50 Настройка закрытого режима; Connection; Stop; Pairing; Error; Yes
- 51 Special Device; Memory Full; Pair your phone; Знакомство с функциями теле; Auto Connect
- 52 Visibility; Чтобывключить функцию видимости; Device Information; Ввод; PIN Code Input
- 53 Голосовой набор; Подключение; Использование аудиоплеера
- 54 Чтобыотключить функцию автоматическо
- 55 Отображение меню; Чтобы выбрать меню для настрой; DSP; Элементы; Элементы меню
- 56 Регулировка уровня сигнала; Subwoofer; Использование эквалайзера; Вызов кривых эквалайзера из памяти; Знакомство с элементами; Auto EQ; Настройка
- 57 Регулировка тонкомпенсации
- 59 Source Level Adjuster; Знакомство с регулировкой; сором
- 60 Position; SFC
- 62 Dolby Pro Logic II
- 63 Music Adjust; Настройка громкоговорителей
- 65 Выбор частоты кроссовера
- 66 Временная задержка
- 68 Авто
- 69 LPF
- 71 Расшифровка сообщений об ошибках ав
- 72 Установка языка субтитров; Выбор; Others; Настройка языка меню
- 73 Настройка дисплея для; terbox»
- 74 Установка блокировки доступа; Установка кода и уровня блокировки; Parental; Enter; Изменение уровня
- 75 Если вы забыли код; Настройка файла субтитров; Original
- 76 Отображение кода отмены регистрации; Настойка цифрового выхода; Stream; DVD Auto Play
- 77 Настройки системы; Настройка аудио; Установка шага настройки в; AF
- 78 Regional; Выборальтернативных частот; Alternative FREQ; PI; PI
- 79 ослабления уровня сигнала; Выборязыка меню; Очистка памяти; Bluetooth Memory Clear
- 80 задней камеры; Pioneer
- 81 Выборформата видеосигнала; NTSC; Настройка видеосигнала; AV; Выборзональной группы
- 82 TV Country Group
- 84 Коррекция искажения звука
- 85 Сброс аудиофункций; Для отменынажмите; Настройки заставки; Выборцвета подсветки; Настройка цвета подсветки; Memo
- 86 Выборцвета экранного меню; Appearance; Выборфоновой заставки экрана; Background
- 87 NAVI; Source; Другие; Другие функции
- 88 MENU
- 89 AUX; Кабель с мини
- 91 Подключение устройств
- 96 При подключении многоканального процессора; SWL
- 98 Подключение шнура питания
- 100 При подключении внешнего видеоустройства и дисплея; AV Input; При использовании дисплея; доступном обзору водителя во
- 101 Camera Polarity
- 103 Обмотайте изоляционной лентой
- 104 Снимите кронштейн
- 107 Установите держатель микрофона при под
- 108 Двусторонняя клейкая лента; Регулировка угла микрофона; Угол микрофона можно регулировать
- 109 Общие; Дополнительная; Дополнительная информация
- 112 Многоканальный процессор; Сообщения об ошибках; Для обращения к торговому представите
- 113 Внешнее запоминающее устройство
- 115 функции; Если использование функции автоматиче
- 116 Значение сообщений; Список индикаторов; Поле
- 117 Mch
- 118 CH
- 121 компакт; WMA
- 122 Диск
- 123 Поддержка
- 126 Карта памяти
- 127 Элементыменю
- 130 Технические характеристики; Аудио