Магнитолы Pioneer AVH-P3400DVD - инструкция пользователя по применению, эксплуатации и установке на русском языке. Мы надеемся, она поможет вам решить возникшие у вас вопросы при эксплуатации техники.
Если остались вопросы, задайте их в комментариях после инструкции.
"Загружаем инструкцию", означает, что нужно подождать пока файл загрузится и можно будет его читать онлайн. Некоторые инструкции очень большие и время их появления зависит от вашей скорости интернета.

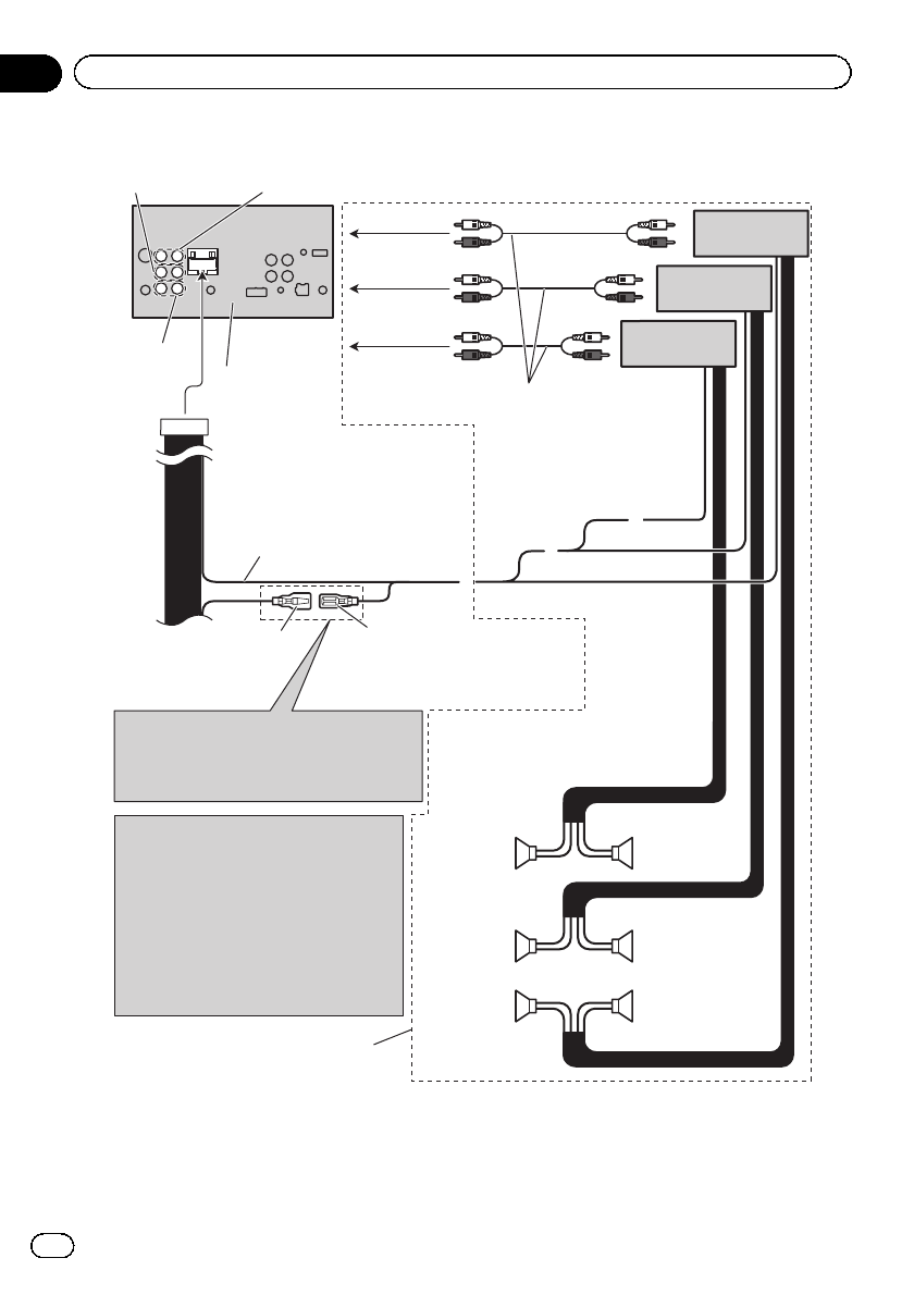
При подключении к усилителю мощности
(
продается отдельно
)
Синий/белый
Подключите к клемме системы
контроля усилителя мощности
(макс. 300 мА 12 В пост. ток).
Синий/белый (6*)
Подключите к клемме управления
реле автомобильной антенны
(макс. 300 мА 12 В пост. ток).
Расположение штекера разъема ISO на различных
автомобилях может отличаться.
Если штекер 5 предназначен для управления
антенной, подсоедините 5* к 6*. На других
автомобилях подключать 5* к 6* запрещается.
Синий/белый (5*)
Соедините с кабелями RCA
(продаются отдельно)
Задний
динамик
Выполните данные подключения, когда
используется усилитель, который не
входит в состав обязательного
оборудования.
Система дистанционного
управления
Передний
динамик
Передний
динамик
Левый
Правый
Задний
динамик
Усилитель мощности
(продается отдельно)
Усилитель мощности
(продается отдельно)
Усилитель мощности
(продается отдельно)
Низкочастотный
динамик
Низкочастотный
динамик
К переднему
выходу
К заднему
выходу
К выходу
низкочастотного
динамика
Данное
устройство
Задний выход
Передний выход
Выход
низкочастотного
динамика
• При подключении к данному устройству
многоканального процессора (DEQ-P6600),
который продается отдельно, ничего не
подключайте к проводам динамиков и
дистанционному управлению системы
(голубой/белый).
• При подключении к данному устройству
многоканального процессора, обратитесь
к инструкции по установке
многоканального процессора для
уточнения метода подключения.
Ru
96
Раздел
14
Установка
Содержание
- 5 а также возможного на; Мерыпредосторожности
- 6 DVD; Viewing of; Использование дисплея; V OUT; ЗАПРЕЩАЕТСЯ; ПРЕДУПРЕЖДЕНИЕ; ПЕРЕДАЮ; ВНИМАНИЕ
- 7 Не используйте устройство в автомобилях
- 9 Условия эксплуатации; RESET; Примечание; Перед
- 10 Важно; калибровка; Регулировка положения отклика сен
- 11 Основное устройство; cd; Описание; Описание элементов устройства
- 12 Пульт дистанционного управления; Подробно о функциях пульта дистанцион
- 13 Radio; Front; Примечания; Основные; Основные операции
- 15 операции; Picture Adjustment; Изменение настроек изобра; панели
- 16 Отрегулированное положение ЖК; Clock Adjustment; на стр
- 17 MHz; Тюнер
- 18 Video CD; Видеорежим; iPod; Кнопки сенсорной панели; Воспроизведение видео
- 19 Воспроизведение
- 21 Возобновление
- 22 CD; c d e; Аудиорежим; Воспроизведение аудио
- 23 Текстовая информация
- 24 Выбор фоновой заставки
- 25 Просмотр; Просмотр фотографий
- 26 шоу
- 27 См; Стандартные операции на; на; Disc
- 28 Можно использовать телефон; Телефон с поддержкой
- 29 Настройки для громкой связи; Телефон
- 30 тюнера; тюнером; ТВ
- 31 Text; Использов; Использование беспроводной технологии
- 33 Auto
- 35 Отображение радиотекста; No Text; Чтобыотменить процесс сохранения; Подробные; Подробные инструкции
- 36 Поиск станции; Cancel
- 37 Not Found; Список; DivX; Работа с меню
- 38 Управление функциями; перемешивание
- 39 Отображение меню; Video; Воспроизведение видео на; Чтобыперейти в режим воспроизведения
- 40 Music; Поиск видео; Поиск в списке по алфавиту; Поиск видео
- 41 Chapter
- 42 Настройка дис
- 43 Выбор аудиовыхода; Настойка циф; Left
- 44 Отображение списков; Link Search; Знакомство с функциями вос; Artist
- 45 видео по; Remaining; VOD; Next Play
- 46 Изменение формата экрана; Отображение режима экрана; Знакомство с функциями видео; Выберите желаемый формат изоб
- 47 ABC
- 48 Чтобысохранить телефонный номер
- 49 Включение сигнала вызова
- 50 Настройка закрытого режима; Connection; Stop; Pairing; Error
- 51 Yes; Регистрация с устройства; Special Device; Memory Full; Pair your phone; Знакомство с функциями теле
- 52 Auto Connect; Visibility; Отображение адреса; Device Information; Ввод; PIN Code Input
- 53 Голосовой набор
- 54 Чтобыотключить функцию автоматическо
- 55 Чтобы выбрать меню для настрой; DSP; Элементыменю
- 56 Регулировка уровня сигнала; Subwoofer; Использование эквалайзера; Вызов кривых эквалайзера из памяти; Знакомство с элементами; Auto EQ
- 57 Затем Выможете выбрать другую полосу и; Регулировка тонкомпенсации
- 59 Source Level Adjuster; Знакомство с регулировкой
- 60 Position; SFC
- 62 Dolby Pro Logic II; Movie
- 63 Регулировка режима Музыка; Настройка громкоговорителей
- 64 Корректировка фазысабвуфера
- 65 Выбор частоты кроссовера
- 66 Регулировка временной задержки; Custom; Time Alignment
- 69 Откройте меню функций; Нажмите; Авто
- 71 ON; Использование селектора по; Auto EQ&TA Measurement
- 72 Complete; Настройка проигрывателя; Установка языка субтитров; Subtitle Language; Others; Выбор; Others
- 73 Настройка языка меню; Настройка дисплея для
- 74 terbox; Установка блокировки доступа; Установка кода и уровня блокировки; Parental
- 75 Изменение уровня; Enter; Если Вызабыли код; Настройка файла субтитров
- 76 Отображение кода деактивации; Настойка цифрового выхода
- 77 DVD Auto Play; Настройки системы; Настройка аудио
- 78 Установка шага настройки в; Настройка; AF
- 79 Regional; Выбор альтернативных частот; RDS Setup; Auto PI; PI; ослабления уровня сигнала
- 80 Выбор языка меню; Очистка памяти
- 81 tooth; задней камеры; Pioneer; Выбор формата видеосигнала; NTSC
- 82 Выбор зональной группы
- 83 Регулировка уровня сиг; Flat
- 84 Auto EQ Measurement; Расшифровка сообщений об ошибках ав; Если подключенывсе громкоговорители
- 85 Коррекция искажения звука; Сброс аудиофункций
- 86 Настройки заставки; Выбор цвета подсветки; Настройка цвета подсветки; Memo; Выбор цвета экранного меню
- 87 Video Setup Menu
- 88 NAVI; Source; Другие функции
- 89 MENU; Другие
- 90 AUX; Кабель с мини
- 92 Общие; Дополнительная информация
- 93 Дополнительная
- 95 Многоканальный процессор; Сообщения об ошибках; Прежде чем обратиться к торговому пред
- 96 Внешнее запоминающее устройство
- 98 функции; Если использование функции автоматиче
- 99 Значение сообщений; Список индикаторов; Поле
- 100 Mch; CH
- 104 компакт; WMA
- 106 Поддержка
- 107 Диск
- 114 Технические характеристики
- 116 UW