Магнитолы Pioneer AVH-5400DVD - инструкция пользователя по применению, эксплуатации и установке на русском языке. Мы надеемся, она поможет вам решить возникшие у вас вопросы при эксплуатации техники.
Если остались вопросы, задайте их в комментариях после инструкции.
"Загружаем инструкцию", означает, что нужно подождать пока файл загрузится и можно будет его читать онлайн. Некоторые инструкции очень большие и время их появления зависит от вашей скорости интернета.

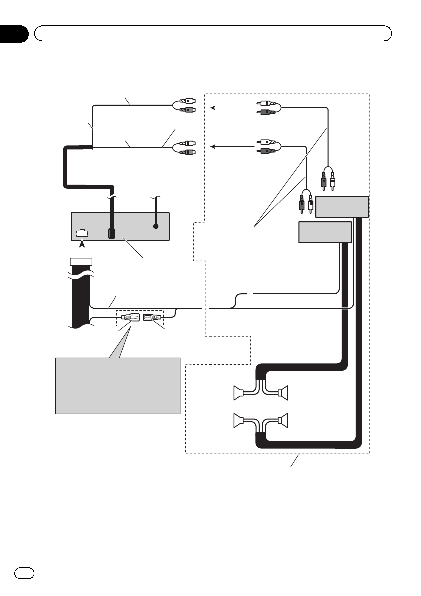
При подключении к усилителю мощности
(
продается отдельно
)
Выход заднего канала или выход сабвуфера
(
REAR OUTPUT or SUBWOOFER OUTPUT
)
Передний выход
(
FRONT OUTPUT
)
13 см
13 см
Соедините с кабелями RCA
(продаются отдельно)
К переднему
выходу
К выходу заднего
канала или
выходу
сабвуфера
Синий/белый
Подключите к клемме системы
контроля усилителя мощности
(макс. 300 мА 12 В пост. ток).
Синий/белый (6*)
Подключите к клемме управления
реле автомобильной антенны
(макс. 300 мА 12 В пост. ток).
Синий/белый (5*)
Расположение штекера разъема ISO на
различных автомобилях может отличаться
. Если штекер 5 предназначен для
управления антенной, подсоедините 5* к
6*. На других автомобилях подключать 5* к
6* запрещается.
Выполните данные подключения, когда
используется усилитель, который не входит в состав
обязательного оборудования.
Система дистанционного управления
Усилитель мощности
(продается отдельно)
Усилитель мощности
(продается отдельно)
Данное
устройство
Передний
динамик
Передний
динамик
Задний
громкоговорите
ль или сабвуфер
Задний
громкоговоритель
или сабвуфер
Левый
Правый
Ru
60
Раздел
12
Установка
Содержание
- 4 Безопасность движения; ПРЕДУПРЕЖДЕНИЕ; а также возможного на; Меры предосторожности
- 5 DVD; Viewing of; Использование дисплея; REAR MONITOR OUTPUT; ЗАПРЕЩАЕТСЯ; ПЕРЕДАЮ; ВНИМАНИЕ; Меры
- 7 Сведения об этом устройстве; RDS; ЛАЗЕРНЫЙ ПРОДУКТ КЛАСС 1; Перед; Перед началом эксплуатации
- 8 DVD video; Технические характери; Важно; Снятие передней панели
- 9 Примечание; калибровка; Регулировка положения отклика сен
- 10 Основное устройство; Изменение настроек изображе; Описание элементов устройства
- 11 Кнопки сенсорной панели; Radio; Настройка камерызаднего обзора; Основные; Основные операции
- 12 если имеются скрытые эле
- 13 Открытие и закрытие ЖК; За; OFF; Установка ЖК
- 14 Установка часов; Clock Adjustment; Основные функции устройства
- 15 MHz; Тюнер
- 16 Можно воспроизводить видео с; Воспроизведение видео
- 17 Воспроизведение
- 18 Примечания; Видеофайлыформата
- 19 Можно воспроизводить аудиофайлыс; Воспроизведение аудио
- 20 Выбор фоновой заставки
- 21 Просмотр; Просмотр фотографий
- 22 шоу; Запустите слайд; Стандартные операции на
- 23 Disc
- 24 Отображение радиотекста; No Text; Чтобыотменить процесс сохранения; Подробные инструкции
- 25 Поиск станции; Cancel; Подробные
- 26 Not Found; Список; Работа с меню; Отображение кнопок со стрелками
- 27 Выберите нужный пункт меню; Повторное воспроизведение
- 29 Настройка дисплея для
- 31 Remaining; Next Play
- 32 Do you; Изменение формата экрана
- 34 Отображение меню; на; Элементы меню
- 35 Регулировка уровня сигнала; Subwoofer; Использование эквалайзера; Вызов кривых эквалайзера из памяти; Знакомство с элементами; Auto EQ; Настройка; Элементы
- 36 Регулировка тонкомпенсации
- 38 Настройка проигрывателя; Установка языка субтитров; Others; Выбор
- 39 Настройка языка меню
- 40 Установка блокировки доступа; Установка кода и уровня блокировки
- 41 Изменение уровня; Если вы забыли код; Настройка файла субтитров; Original
- 42 Отображение кода отмены регистрации; Для отменыдеактивации нажмите; Чтобыотключить функцию автоматическо
- 43 Настройки системы; Настройка аудио
- 44 AF; Regional; Выборальтернативных частот; PI
- 45 ослабления уровня сигнала; Выборязыка меню; System Language
- 46 панели
- 47 задней камеры; Pioneer
- 48 Выборформата видеосигнала; NTSC; Настройка видеосигнала; AV; Авто
- 49 Регулировка уровня сиг; Flat; Вызов кривых эква
- 50 ON; Auto EQ Measurement; Сообщения об ошибках для автоматиче; Stop
- 51 Настройки заставки; Выборцвета подсветки; Настройка цвета подсветки; Memo; Выборцвета экранного меню
- 52 Video Setup
- 53 Source; Другие; Другие функции
- 54 MENU
- 55 Вставьте мини
- 56 Подключение устройств; PIONEER
- 58 Подключение шнура питания
- 60 REAR OUTPUT or SUBWOOFER OUTPUT
- 61 При подключении внешнего видеоустройства и дисплея; AV Input; При использовании дисплея; доступном обзору водителя во
- 62 Camera Polarity
- 64 Переднее крепление стандарта
- 65 Демонтаж устройства
- 66 Общие; Дополнительная информация
- 67 Дополнительная
- 68 Сообщения об ошибках; Для обращения к торговому представите
- 69 Внешнее запоминающее устройство
- 71 Значение сообщений
- 72 Список индикаторов; Mch; Поле
- 76 компакт; WMA
- 77 Диск; ность воспроизведения с помощью данно
- 78 Пример иерархии
- 80 Элементыменю
- 83 Технические характеристики












