Магнитолы Pioneer AVH-1400DVD - инструкция пользователя по применению, эксплуатации и установке на русском языке. Мы надеемся, она поможет вам решить возникшие у вас вопросы при эксплуатации техники.
Если остались вопросы, задайте их в комментариях после инструкции.
"Загружаем инструкцию", означает, что нужно подождать пока файл загрузится и можно будет его читать онлайн. Некоторые инструкции очень большие и время их появления зависит от вашей скорости интернета.

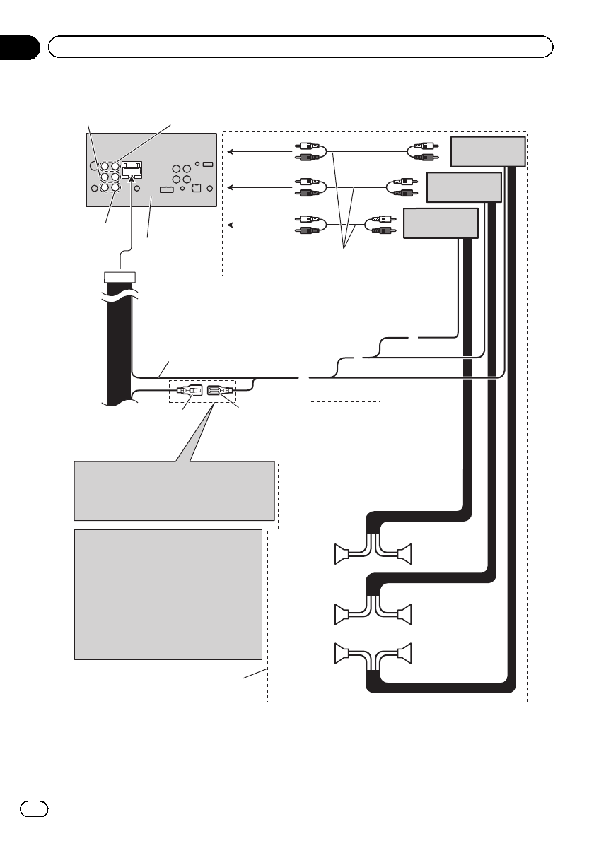
При подключении к усилителю мощности
(
продается отдельно
)
Синий/белый
Подключите к клемме системы
контроля усилителя мощности
(макс. 300 мА 12 В пост. ток).
Синий/белый (6*)
Подключите к клемме управления
реле автомобильной антенны
(макс. 300 мА 12 В пост. ток).
Расположение штекера разъема ISO на различных
автомобилях может отличаться.
Если штекер 5 предназначен для управления
антенной, подсоедините 5* к 6*. На других
автомобилях подключать 5* к 6* запрещается.
Синий/белый (5*)
Соедините с кабелями RCA
(продаются отдельно)
Задний
динамик
Выполните данные подключения, когда
используется усилитель, который не
входит в состав обязательного
оборудования.
Система дистанционного
управления
Передний
динамик
Передний
динамик
Левый
Правый
Задний
динамик
Усилитель мощности
(продается отдельно)
Усилитель мощности
(продается отдельно)
Усилитель мощности
(продается отдельно)
Низкочастотный
динамик
Низкочастотный
динамик
К переднему
выходу
К заднему
выходу
К выходу
низкочастотного
динамика
Данное
устройство
Задний выход
Передний выход
Выход
низкочастотного
динамика
• При подключении к данному устройству
многоканального процессора (DEQ-P6600),
который продается отдельно, ничего не
подключайте к проводам динамиков и
дистанционному управлению системы
(голубой/белый).
• При подключении к данному устройству
многоканального процессора, обратитесь
к инструкции по установке
многоканального процессора для
уточнения метода подключения.
Ru
96
Раздел
14
Установка
Содержание
- 4 Безопасность движения; ПРЕДУПРЕЖДЕНИЕ; а также возможного на; Меры предосторожности
- 5 DVD; Viewing of; Использование дисплея; V OUT; ЗАПРЕЩАЕТСЯ; ПЕРЕДАЮ; ВНИМАНИЕ; Меры
- 6 Не используйте устройство в автомобилях
- 7 Сведения об этом устройстве; RDS; ЛАЗЕРНЫЙ ПРОДУКТ КЛАСС 1; Перед; Перед началом эксплуатации
- 9 Демонстрационный режим; Source Off; Важно; калибровка
- 10 Основное устройство; Пульт дистанционного управления; Подробно о функциях пульта дистанцион; Описание элементов устройства
- 11 Radio; Примечания; Настройка камерызаднего обзо; Основные; Основные операции
- 13 Picture Adjustment; Изменение настроек изобра; Извлечение диска; Clock Adjustment
- 14 MHz; Тюнер
- 15 iPod; Воспроизведение; Воспроизведение видео
- 18 Возобновление
- 19 c d e; Воспроизведение аудио
- 20 Текстовая информация; Заставка дисплея
- 21 Выбор фоновой заставки экрана
- 22 Просмотр фотографий
- 23 шоу; Просмотр
- 24 См; Стандартные операции на; на
- 25 Отображение радиотекста; No Text; Чтобыотменить процесс сохранения; Подробные; Подробные инструкции
- 26 Поиск станции; Cancel
- 27 Not Found; Список; Работа с меню; Отображение кнопок со стрелками
- 28 Управление функциями; Знакомство с функциями видео
- 29 перемешивание; перемешать все; Повторное воспроизведение; USB
- 30 Video; Music; Поиск видео
- 31 Закладка
- 32 Chapter; Мульти
- 33 Несколько ракурсов; Настройка дисплея для; Возврат к указанному месту
- 34 Использование функции; Link Search; Artist
- 35 видео по; This DivX rental has used; VOD; Next Play; Do you
- 36 Изменение формата экрана; Отображение режима экрана; Выберите желаемый формат изоб
- 37 Отображение меню; Элементы; Элементы меню
- 38 Регулировка уровня сигнала; Subwoofer; Использование эквалайзера; Вызов кривых эквалайзера из памяти; Знакомство с элементами
- 39 Регулировка тонкомпенсации
- 40 Frequency; Source Level Adjuster
- 41 Установка языка субтитров; Выбор; Others; Настройка языка меню
- 42 terbox»
- 43 Установка блокировки доступа; Установка кода и уровня блокировки; Enter; Изменение уровня; Parental
- 44 Если вы забыли код; Настройка файла субтитров; Original; Отображение кода отмены регистрации
- 45 Чтобыотключить функцию автоматическо; Настройки системы; Настройка аудио
- 46 Установка шага настройки в; Настройка; AF; Regional
- 47 Выборальтернативных частот; Auto PI; PI; ослабления уровня сигнала
- 48 Выборязыка меню; задней камеры; Pioneer
- 49 Выборформата видеосигнала; NTSC; Настройка видеосигнала; AV
- 50 Настройки заставки; Выборцвета подсветки; Настройка цвета подсветки; Memo; Выборцвета экранного меню
- 51 Video Setup
- 52 NAVI; Source; Другие функции
- 53 MENU; Другие
- 55 Подключение устройств; PIONEER
- 58 Подключение шнура питания
- 60 При подключении внешнего видеоустройства и дисплея; AV Input; При использовании дисплея; доступном обзору водителя во
- 61 Camera Polarity
- 62 Снимите кронштейн
- 65 Общие; Дополнительная; Дополнительная информация
- 67 Сообщения об ошибках; Для обращения к торговому представите
- 69 Внешнее запоминающее устройство
- 71 Значение сообщений; Список индикаторов; Поле
- 72 Mch
- 73 Диски и проигрыватель
- 75 компакт; WMA
- 77 Поддержка
- 78 Диск
- 79 Жидкокристаллический
- 81 Отображение регистрационно
- 84 Технические характеристики
- 88 UW