Магнитолы Mystery MMD-3505 - инструкция пользователя по применению, эксплуатации и установке на русском языке. Мы надеемся, она поможет вам решить возникшие у вас вопросы при эксплуатации техники.
Если остались вопросы, задайте их в комментариях после инструкции.
"Загружаем инструкцию", означает, что нужно подождать пока файл загрузится и можно будет его читать онлайн. Некоторые инструкции очень большие и время их появления зависит от вашей скорости интернета.

-13-
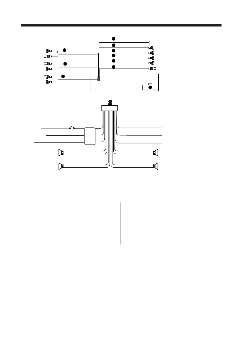
ПОДСОЕДИНЕНИЯ
* Видео изображение на дисплее возмож-
но просматривать только после полной
остановки автомобиля и при включенном
ручном (стояночном) тормозе.
Внимание!
Не допускается подключение красного провода (Питание +12В) к аккумуляторной батарее
минуя ключ зажигания.
6
2
3
4
5
1
9
8
7
Белый (Л)
Темно-серый
Черный
Серый
Желтый
Желтый
Коричневый
Черный
Коричневый
Светло-серый
Черный
Предо
хранит
ель
Красный
Желтый
Черный
Зеленый/Черный
Зеленый
Белый/Черный
Белый
Коричневый
Синий
Фиолетовый/Черный
Фиолетовый
Серый/Черный
Серый
Вход для
дополнительного
источника звука
Зажигание
Питание +12 В
Масса
Тыловой левый
громкоговоритель
Фронтальный левый
громкоговоритель
Сигнал включения ручного тормоза*
Управление выдвижением антенной
(Изолировать, если не используется)
Тыловой правый
громкоговоритель
Фронтальный правый
громкоговоритель
Задний RCA
кабель
Передний RCA
кабель
Антенна
Видео выход
Видео вход
10
11
Серый
Желтый
Желтый
Коричневый
Видео выход
Вход для камеры
заднего вида
Сабвуфер
Разъем внешних
соединений (штекер)
Разъем внешних
соединений (гнездо)
Белый (Л)
Красный (П)
Красный (П)
Красный (П)
Белый (Л)
Ораньжевый
Сигнал
включения
заднего
хода
Содержание
- 2 СОДЕРЖАНИЕ
- 3 МЕРЫ ПРЕДОСТОРОЖНОСТИ
- 4 Очистка передней панели и ЖК-экрана
- 5 ИНФОРМАЦИЯ О ДИСКАХ; Очистка диска; Обращение с новыми дисками; Региональная защита
- 6 Предупреждение
- 8 УПРАВЛЕНИЕ МР3 ВОСПРОИЗВЕДЕНИЕМ
- 10 КНОПКИ УПРАВЛЕНИЯ РЕСИВЕРОМ; Передняя панель
- 11 Пульт ДУ; ПУЛЬТ ДУ
- 13 ПОДСОЕДИНЕНИЯ
- 14 ПОРЯДОК УСТАНОВКИ И СНЯТИЯ ПЕРЕДНЕЙ ПАНЕЛИ; Установка и снятие передней панели
- 15 ПОРЯДОК УСТАНОВКИ И ИЗВЛЕЧЕНИЯ РЕСИВЕРА
- 17 Очистка разъема
- 18 ОСНОВНЫЕ ОПЕРАЦИИ
- 19 Вынужденное извлечение диска
- 20 ГЛАВНОЕ МЕНЮ; Настройка главного меню
- 21 ВИДЕО НАСТРОЙКА
- 22 НАСТРОЙКА ВЫБОРА ИСТОЧНИКА ВОСПРОИЗВЕДЕНИЯ
- 23 НАСТРОЙКА ПРЕДПОЧТЕНИЙ
- 24 Выбор системы цветности; УПРАВЛЕНИЕ DVD ПРОИГРЫВАТЕЛЕМ
- 25 Повторное воспроизведение
- 26 Выбор языка субтитров
- 27 МЕНЮ НАСТРОЙКИ
- 32 Выбор системы цветности; Изменение масштаба изображения
- 33 Вывод на дисплей информации
- 34 Картинка пользователя
- 35 Переключение диапазонов; УПРАВЛЕНИЕ РАДИОПРИЕМНИКОМ
- 38 ВОЗМОЖНЫЕ НЕПОЛАДКИ И СПОСОБЫ ИХ УСТРАНЕНИЯ
- 39 DVD проигрыватель; ТЕХНИЧЕСКИЕ ХАРАКТЕРИСТИКИ












