Магнитолы Mystery MDVD-600 - инструкция пользователя по применению, эксплуатации и установке на русском языке. Мы надеемся, она поможет вам решить возникшие у вас вопросы при эксплуатации техники.
Если остались вопросы, задайте их в комментариях после инструкции.
"Загружаем инструкцию", означает, что нужно подождать пока файл загрузится и можно будет его читать онлайн. Некоторые инструкции очень большие и время их появления зависит от вашей скорости интернета.
Загружаем инструкцию

5
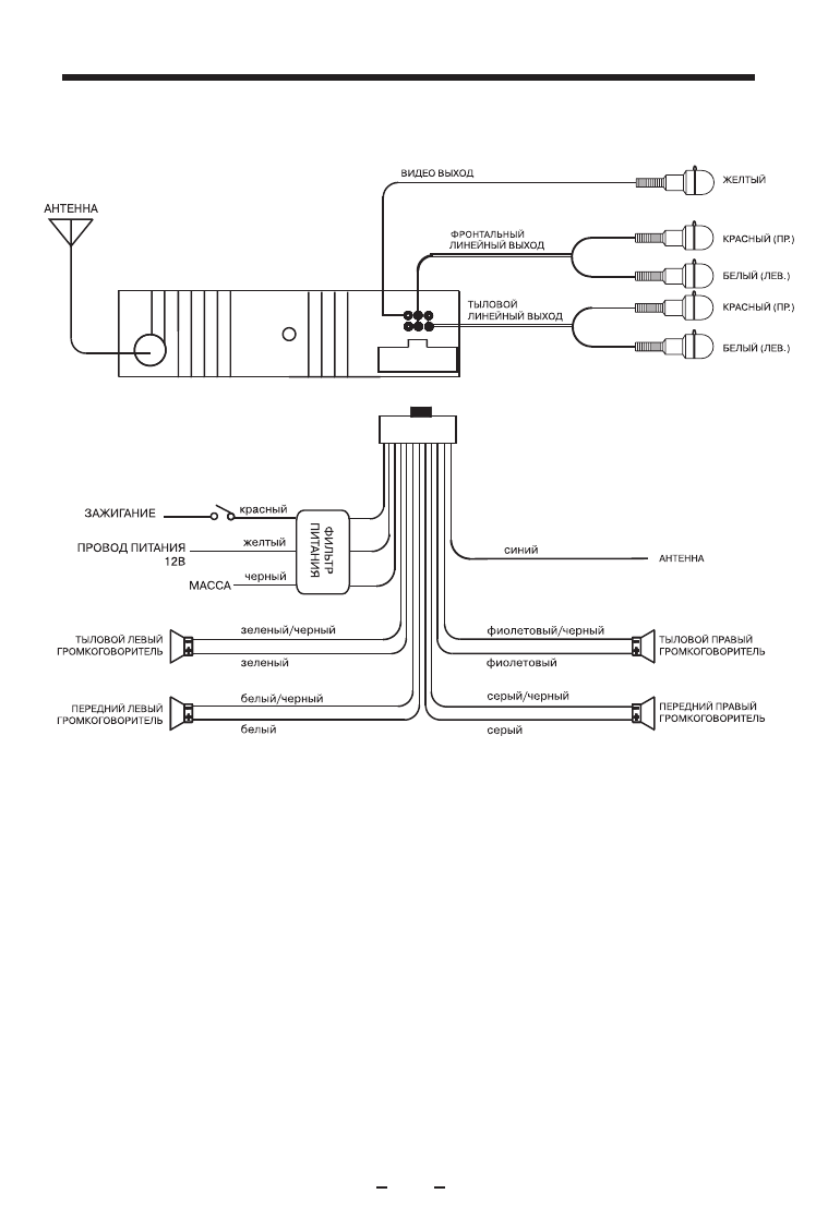
П О Д К Л Ю Ч Е Н И Е
Содержание
- 2 С О Д Е Р Ж А Н И Е
- 3 О Руководстве по эксплуатации; И Н Ф О Р М А Ц И Я П О У С Т А Н О В К Е
- 4 О б р а щ е н и е с д и с к а м и; М Е Р Ы П Р Е Д О С Т О Р О Ж Н О С Т И
- 7 N M; К Н О П К И У П Р А В Л Е Н И Я П Р О И Г Р Ы В А Т Е Л Е М
- 9 DEFG
- 10 VOL; О С Н О В Н Ы Е О П Е Р А Ц И И
- 13 Нажмите кнопку; BND; на передней; Автоматическая настройка; и удерживайте кнопки; У П Р А В Л Е Н И Е Р А Д И О П Р И Е М Н И К О М
- 14 Р е ж и м D X / L O
- 15 AMS; или кнопки с; Р у ч н а я н а с т р о й к а
- 16 У П Р А В Л Е Н И Е D V D П Р О И Г Р Ы В А Т Е Л Е М
- 18 во время
- 19 AUDIO; Каждый раз при нажатии кнопки; TITLE
- 21 Н А С Т Р О Й К А П Р О И Г Р Ы В А Т Е Л Я
- 22 В режиме остановки нажмите кнопку; SETUP; главная страница меню настройки.; ENTER
- 24 A n g l e M a r k
- 25 C a p t i o n s
- 26 Ау д и о н а с т р о й к а ( A U D I O S E T U P )
- 27 D U A L M O N O
- 29 D E F A U LT S
- 30 У П Р А В Л Е Н И Е М Р 3 П Р О И Г Р Ы В А Т Е Л Е М
- 31 рите дорожки при помощи кнопок
- 32 В ы б о р з в у к о в о й д о р о ж к и; или; П о в т о р н о е в о с п р о и з в е д е н и е
- 33 О с т а н о в к а в о с п р о и з в е д е н и я; STOP; В ы в о д н а д и с п л е й и н ф о р м а ц и и; OSD
- 34 У П Р А В Л Е Н И Е V C D / C D П Р О И Г Р Ы В А Т Е Л Е М
- 35 P O; З а м е д л е н н о е в о с п р о и з в е д е н и е
- 36 К н о п к и с ц и ф р а м и
- 38 Т Е Х Н И Ч Е С К О Е О Б С Л У Ж И В А Н И Е
- 39 У С Т А Н О В К А И С Н Я Т И Е П Е Р Е Д Н Е Й П А Н Е Л И
- 40 ПОРЯДОК УСТАНОВКИ И ИЗВЛЕЧЕНИЯ ПРОИГРЫВАТЕЛЯ; Ф р о н т а л ь н ы й м о н т а ж ( М е т о д 1 )
- 41 П о р я д о к и з в л е ч е н и я; К о м п л е к т у ю щ и е
- 42 уровня; Т Е Х Н И Ч Е С К И Е Х А Р А К Т Е Р И С Т И К И
- 44 Убедитесь в том, что в; Г А Р А Н Т И Й Н Ы Е О Б Я З А Т Е Л Ь С Т В А
- 45 Штамп магазина; Г А Р А Н Т И Й Н Ы Й Т А Л О Н












