Магнитолы Mystery MCD-678MP - инструкция пользователя по применению, эксплуатации и установке на русском языке. Мы надеемся, она поможет вам решить возникшие у вас вопросы при эксплуатации техники.
Если остались вопросы, задайте их в комментариях после инструкции.
"Загружаем инструкцию", означает, что нужно подождать пока файл загрузится и можно будет его читать онлайн. Некоторые инструкции очень большие и время их появления зависит от вашей скорости интернета.

5
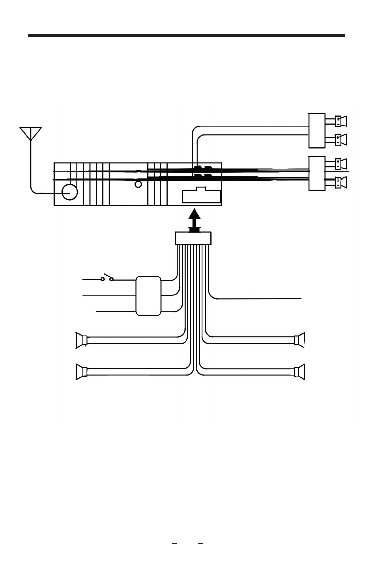
П О Д С О Е Д И Н Е Н И Я
Антенна
Антенна
Зажигание
Филь
тр
питания
12В
Масса
Красн
Желтый
Зеленый/Черный
Белый/Черный
Белый
Зеленый
Задний левый
громкоговоритель
Задний правый
громкоговоритель
Передний правый
громкоговоритель
Передний левый
громкоговоритель
Правый линейный выход
Правый линейный выход
У
силитель
У
силитель
Левый линейный выход
Левый линейный выход