Магнитолы Mystery MCD-577MP - инструкция пользователя по применению, эксплуатации и установке на русском языке. Мы надеемся, она поможет вам решить возникшие у вас вопросы при эксплуатации техники.
Если остались вопросы, задайте их в комментариях после инструкции.
"Загружаем инструкцию", означает, что нужно подождать пока файл загрузится и можно будет его читать онлайн. Некоторые инструкции очень большие и время их появления зависит от вашей скорости интернета.

5
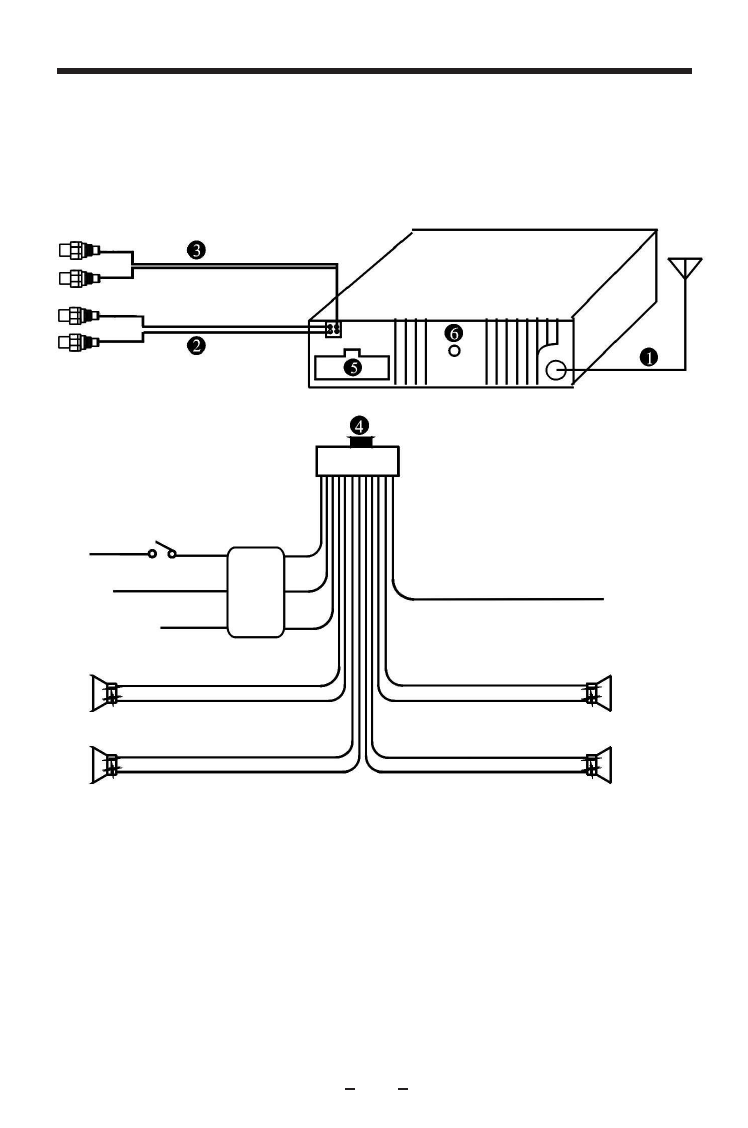
П О Д С О Е Д И Н Е Н И Я
1.
Антенна
2.
Линейный выход 1
3.
Линейный выход 2
4.
Входной разъем («папа»)
5.
Выходной разъем («мама»)
6.
Винтовые отверстия
Линейный выход 1
Л (белый)
Л (белый)
П (красный)
П (красный)
Антенна
Красный
Синий
Антенна
+12В
Задний
правый
громко-
говоритель
Передний
правый
громко-
говоритель
Задний
левый
громко-
говоритель
12В
Масса
Передний
левый
громко-
говоритель
Фиолетовый/черный
Фиолетовый
Серый/черный
Серый
Белый
Черный/белый
Зеленый
Зеленый/черный
Желтый
Зажигание
Черный
Фильтр
питания
Линейный
выход 2
Содержание
- 2 С О Д Е Р Ж А Н И Е
- 3 И Н Ф О Р М А Ц И Я П О У С ТА Н О В К Е П Р О И Г Р Ы В АТ Е Л Я
- 4 О б р а щ е н и е с д и с к а м и; М Е Р Ы П Р Е Д О С Т О Р О Ж Н О С Т И
- 5 П О Д С О Е Д И Н Е Н И Я; Антенна
- 6 К Н О П К И У П Р А В Л Е Н И Я П Р О И Г Р Ы В А Т Е Л Е М
- 7 О С Н О В Н Ы Е О П Е Р А Ц И И
- 8 В ы к л ю ч е н и е з в у к а
- 10 П е р е к л ю ч е н и е д и а п а з о н о в; Ручная настройка: Нажмите; У П Р А В Л Е Н И Е Р А Д И О П Р И Е М Н И К О М
- 11 Нажмите кнопку; кнопку; AMS
- 12 У П Р А В Л Е Н И Е C D П Р О И Г Р Ы В А Т Е Л Е М
- 14 жмите кнопку
- 15 П У Л Ь Т Д У
- 16 О П Е Р А Ц И И П Р И П О М О Щ И П У Л Ь Т А Д У
- 22 Т Е Х Н И Ч Е С К О Е О Б С Л У Ж И В А Н И Е
- 23 ПОРЯДОК УСТАНОВКИ И ИЗВЛЕЧЕНИЯ ПРОИГРЫВАТЕЛЯ; К О М П Л Е К Т У Ю Щ И Е
- 24 Ты л о в о й м о н т а ж ( М е т о д 2 ); П о р я д о к и з в л е ч е н и я
- 25 Т Е Х Н И Ч Е С К И Е Х А Р А К Т Е Р И С Т И К И
- 27 Убедитесь в том, что в; Г А Р А Н Т И Й Н Ы Е О Б Я З А Т Е Л Ь С Т В А
- 28 Штамп магазина; Г А Р А Н Т И Й Н Ы Й Т А Л О Н