Магнитолы LG LCS520IP - инструкция пользователя по применению, эксплуатации и установке на русском языке. Мы надеемся, она поможет вам решить возникшие у вас вопросы при эксплуатации техники.
Если остались вопросы, задайте их в комментариях после инструкции.
"Загружаем инструкцию", означает, что нужно подождать пока файл загрузится и можно будет его читать онлайн. Некоторые инструкции очень большие и время их появления зависит от вашей скорости интернета.

Подключение
7
Подключение
2
Подсоединение
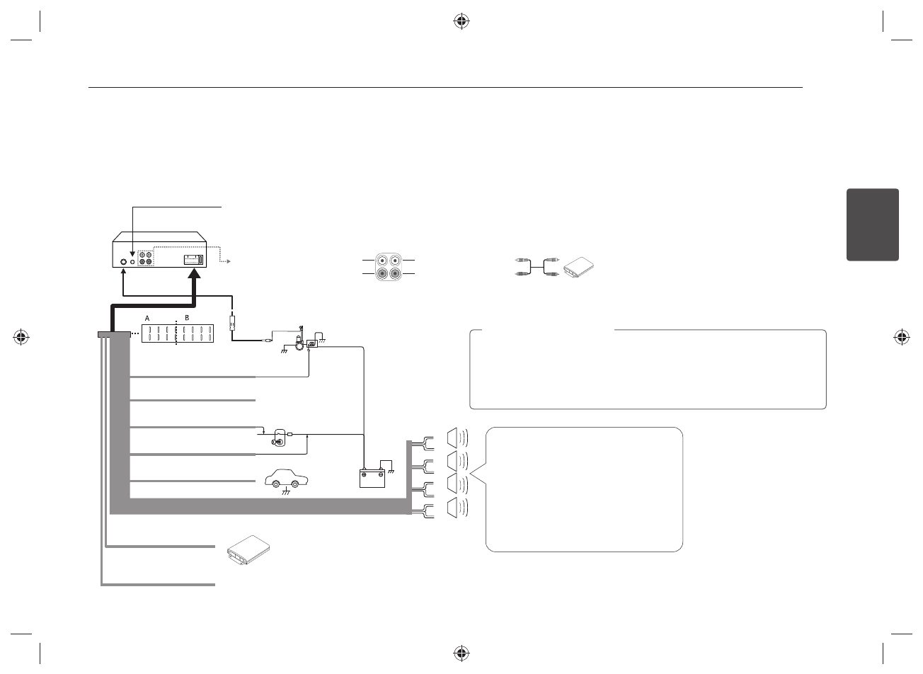
Подключение в автомобиле
Перед установкой проверьте, что переключатель находится в положение ВЫКЛ и удалите клемму с батареи машины. Чтобы не произошло короткого замыкания.
a b c d
e f g h
a b c d
e f g h
a
b
c
d
e
f
g
h
A
A
A
A
A
A
A
A
телескопическая
антенна с
электроприводом
К выходу аудио
К входу аудио
Тыловая левая АС (левый
сабвуфер)
Тыловая правая АС (правый
сабвуфер)
B
a
Не подключено
A
a
Серый: спереди справа +
A
b
Серая/черная полоса: спереди справа -
A
c
Фиолетовый: сзади справа +
A
d
Фиолетовая/черная полоса: сзади справа -
A
e
Белый: спереди слева +
A
f
Белая/черная полоса: спереди слева -
A
g
Зеленый: сзади слева +
A
h
Зеленая/черная полоса: сзади слева -
Управляющее реле
Усилитель
B
f
телескопическая антенна с
электроприводом (голубой)
B
g
Не подключено
B
c
Зажигание (красный)
B
h
Земля (-) (черный)
B
d
Батарея (+) (желтый)
B
e
Подключение пульта (голубой/белый)
B
b
Не подключено
Замок зажигания
Вход проводного ДУ (черный): Возможно подключение проводного адаптера управления. (Дополнительно)
Фронтальная левая АС
Фронтальная правая АС
Усилитель
При неправильном подключении на устройстве отображается следующее сообщение.
Короткое замыкание в гнезде антенны/дистанционного управления:
- "ANTENNA / REMOTE ON PORT SHORT CIRCUIT CHECK"
После повторного подключения перезапустите устройство.
>
ОСТОРОЖНО
АКУМУЛЯТОР