Магнитолы LG LCS310UR - инструкция пользователя по применению, эксплуатации и установке на русском языке. Мы надеемся, она поможет вам решить возникшие у вас вопросы при эксплуатации техники.
Если остались вопросы, задайте их в комментариях после инструкции.
"Загружаем инструкцию", означает, что нужно подождать пока файл загрузится и можно будет его читать онлайн. Некоторые инструкции очень большие и время их появления зависит от вашей скорости интернета.

Подключение
9
Подключение
2
a b c d
e f g h
a b c d
e f g h
a
b
c
d
e
f
g
h
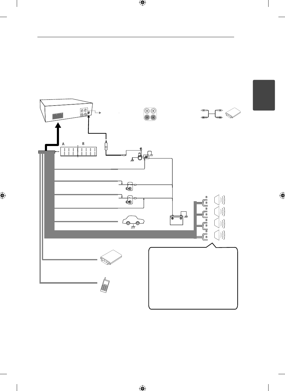
Подсоединение
Подключение в автомобиле
Перед установкой проверьте, что переключатель находится в положение ВЫКЛ и удалите клемму с
батареи машины. Чтобы не произошло короткого замыкания.
B
a
Фиолетовая/черная полоса: сзади
справа -
B
b
Фиолетовый: сзади справа +
B
c
Серая/черная полоса: спереди справа -
B
d
Серый: спереди справа +
B
e
Зеленая/черная полоса: сзади слева -
B
f
Зеленый: сзади слева +
B
g
Белая/черная полоса: спереди слева -
B
h
Белый: спереди слева +
телескопическая
антенна с
электроприводом
Управляющее реле
К выходу аудио
(дополнительно)
К входу аудио
(дополнительно)
Усилитель
(дополнительно)
Фронтальная левая АС
Фронтальная правая АС
Тыловая правая АС
(правый сабвуфер)
*Сабвуфер
устанавливается
дополнительно.
Усилитель
(дополнительно)
A
h
телескопическая антенна с
электроприводом (голубой)
A
g
регулятор света (розовый)
A
b
Зажигание (красный)
A
e
Земля (черный)
A
a
Батарея (желтый)
A
c
Подключение пульта (голубой/белый)
(дополнительно)
A
d
Выкл. Звука (оранжевый)
(дополнительно)
A
f
Не подключено
Выключатель
реостата
Замок зажигания
Тыловая левая АС
(левый сабвуфер)
АКУМУЛЯТОР












