Магнитолы LG LCF810BR (DAB) - инструкция пользователя по применению, эксплуатации и установке на русском языке. Мы надеемся, она поможет вам решить возникшие у вас вопросы при эксплуатации техники.
Если остались вопросы, задайте их в комментариях после инструкции.
"Загружаем инструкцию", означает, что нужно подождать пока файл загрузится и можно будет его читать онлайн. Некоторые инструкции очень большие и время их появления зависит от вашей скорости интернета.

Подключение
11
Подключение
2
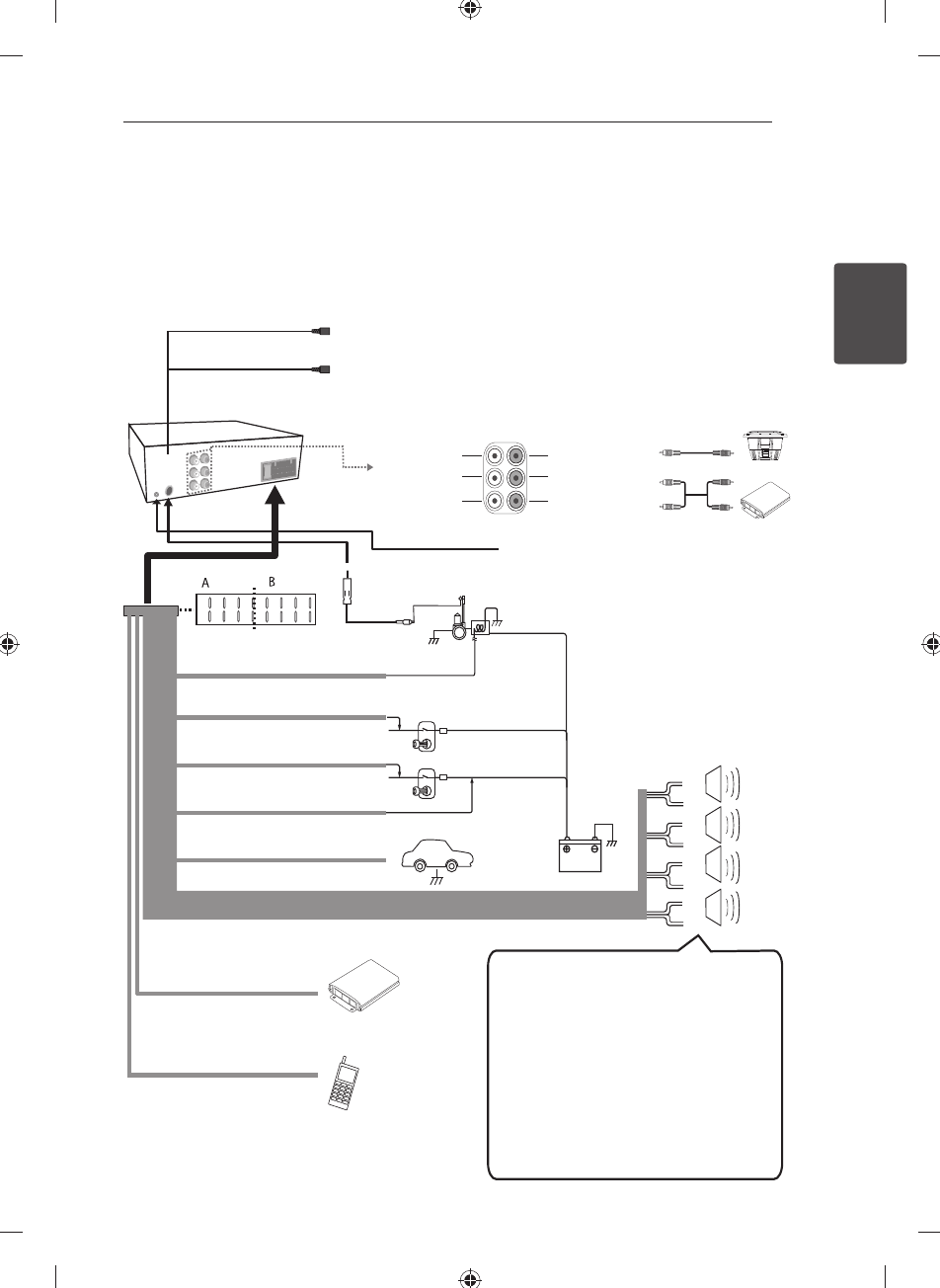
Подсоединение
Подключение в автомобиле
Перед установкой проверьте, что переключатель находится в положение ВЫКЛ. и удалите клемму с
батареи машины, чтобы не произошло короткого замыкания.
a b c d
e f g h
a b c d
e f g h
a
b
c
d
e
f
g
h
A
A
A
A
A
A
A
A
A
a
Серый: спереди справа +
A
b
Серая/черная полоса: спереди справа -
A
c
Фиолетовый: сзади справа +
A
d
Фиолетовая/черная полоса:
сзади справа -
A
e
Белый: спереди слева +
A
f
Белая/черная полоса: спереди слева -
A
g
Зеленый: сзади слева +
A
h
Зеленая/черная полоса: сзади слева -
Телескопическая
антенна с
электроприводом
Управляющее реле
К выходу аудио
К входу аудио
Сабвуфер
Усилитель
Усилитель
B
f
Телескопическая антенна с
электроприводом (голубой)
B
g
Регулятор света (розовый)
B
c
Зажигание (красный)
B
h
Земля (-) (черный)
B
d
Батарея (+) (желтый)
B
e
Подключение пульта
(голубой/белый)
B
b
Выкл. Звука
(оранжевый)
B
a
Не подключено
Выключатель
реостата
Замок зажигания
Вход проводного ДУ (черный): возможно подключение проводного
адаптера управления (дополнительно).
Проводной микрофон (дополнительно).
АКУМУЛЯТОР
Левый сабвуфер
Фронтальная левая АС
Тыловая левая АС
Правый сабвуфер
Фронтальная правая АС
Тыловая правая АС
Возможность подключения антенны
цифрового радиовещания по протоколу SMB.
(Только в моделях LCS710DAB/ LCF810DAB)
Содержание
- 2 ОСТОРОЖНО
- 4 Содержание
- 7 Установка батареи; ПРИМЕЧАНИЕ
- 10 Установка; Установка базы
- 11 Подсоединение; Подключение в автомобиле
- 12 Эксплуатация; Основные операции; Использование эквалайзера; Проверка точного времени; Перезагрузка устройства
- 13 На устройстве
- 14 Поиск сегмента в записи/файле
- 15 Применимые кнопки
- 19 Настройка параметров DAB
- 21 Удаление выбранного файла
- 25 Отключение телефона
- 26 Передача аудиосигнала; Настройка параметров
- 28 Список совместимых телефонов
- 30 являются товарными знаками соответствующих владельцев.”
- 31 Симптомы












