Магнитолы Kenwood KRC-27A (G) - инструкция пользователя по применению, эксплуатации и установке на русском языке. Мы надеемся, она поможет вам решить возникшие у вас вопросы при эксплуатации техники.
Если остались вопросы, задайте их в комментариях после инструкции.
"Загружаем инструкцию", означает, что нужно подождать пока файл загрузится и можно будет его читать онлайн. Некоторые инструкции очень большие и время их появления зависит от вашей скорости интернета.

1
2
3
4
5
6
7
8
1
2
3
4
5
6
7
8
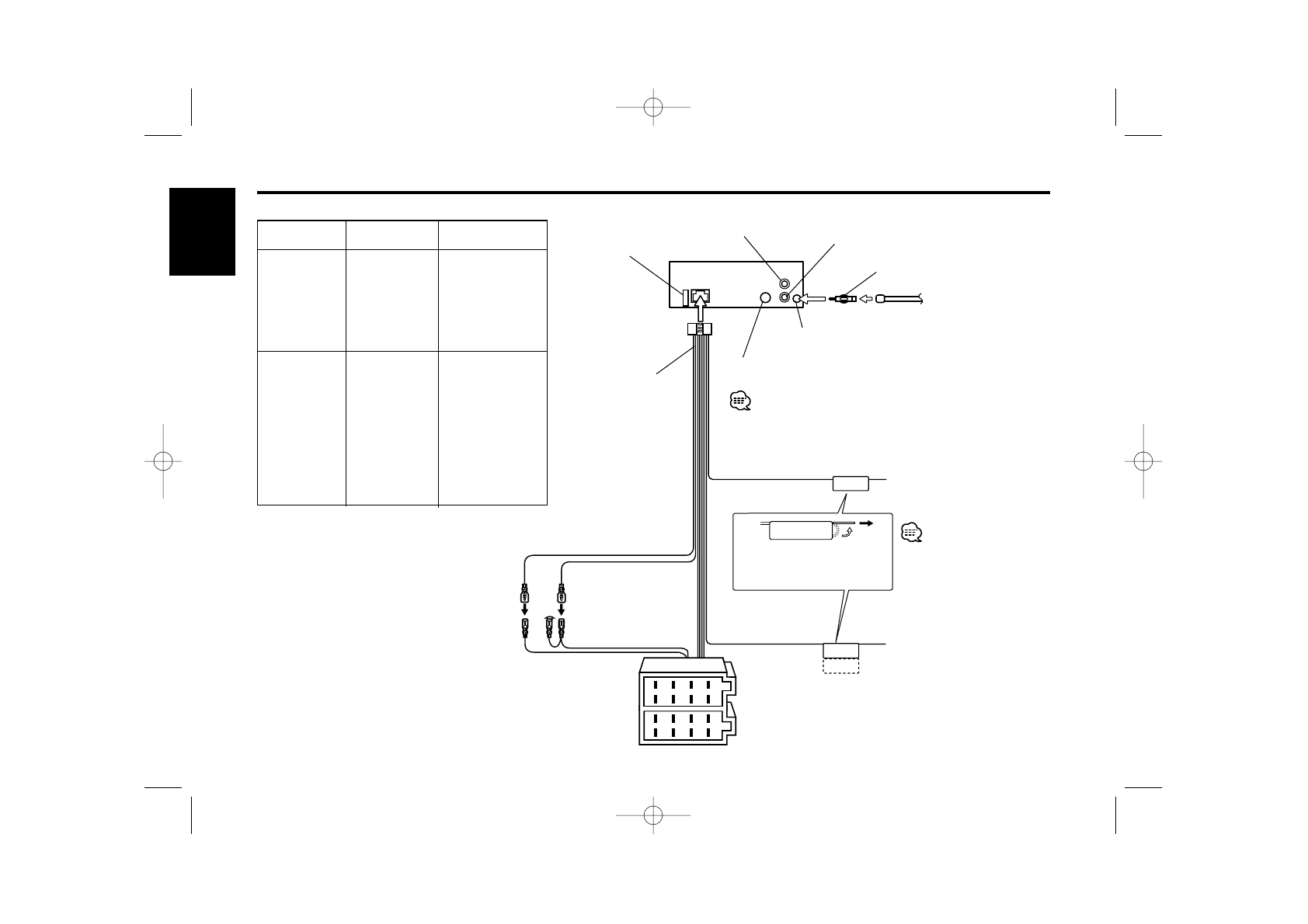
TEL MUTE
P.CONT
ANT. CONT
— 22 —
Py
ccкий
Задний правый
вывод (Kрасный)
4
Задний левый
вывод (Белый)
10
Вход управления автоматическим проигрывателем дисков
KENWOOD (только для модели KRC-294A/294G/27A/27G)
14
Kабель батареи (Желтый)
6
Провод зажигания
(Kрасный)
7
Вход антенны
FM/AM
3
Шнур антенны (ISO)
1
Адаптер для кабелей антенны
(ISO-JASO) (Принадлежность
3
)
2
Для подсоединения автоматического
проигрывателя дисков прочитайте
инструкцию по эксплуатации
автоматического проигрывателя дисков.
15
Жгут проводов
(Принадлежность
1
)
16
Eсли вы не подключаете
этот шнур, убедитесь в том,
что он находится внутри
контактного столбика.
18
Управление питанием
/управляющий кабель
двигателя антенны
(Cиний/Белый)
20
17
Kабель пpиглyшeния
TEL (кopичнeвый)
Присоедините или к выводу
управления питанием,
пользуясь усилителем
питания, который не входит
в комплект поставки, или к
выводу управления
антенной в автомобиле.
23
Подсоедините к
заземленному выводу,
когда зазвонит телефон
или во время разговора.
21
Штепсель А-7
(Kрасный)
8
Разъем A
Разъем B
Taблица функций разеъема
Номера штырей
разъемов ISO
Цвет кабеля
Функции
Разъем для
внешнего питания
A–4
A–5
A–7
A–8
Разъем для
колонок
B–1
B–2
B–3
B–4
B–5
B–6
B–7
B–8
Желтый
Cиний/Белый
Kрасный
Черный
Фиолетовый
Фиолетовый/Черный
Cерый
Cерый/Черный
Белый
Белый/Черный
Зеленый
Зеленый/Черный
Аккумулятор
Управление питанием
Зажигание (АCC)
Заземляющее
соединение (земля)
Задний правый (+)
Задний правый (–)
Передний правый (+)
Передний правый (–)
Передний левый (+)
Передний левый (–)
Задний левый (+)
Задний левый (–)
Штепсель А-4
(Желтый)
9
Подсоединение кабелей к гнездам для подключения
Предохранитель (10A)
13
Особенности
подключения системы
слежения KENWOOD
изложены в руководстве
по ее эксплуатации.
B64-2379-00 02.9.24 8:40 PM Page 22
Содержание
- 2 Cодержание; Cвойства кассетного
- 3 ПРEДУПРEЖДEHИE; BHИMAHИE; ВАЖНЫE ИНФОРМАЦИИ; Меры предосторожности
- 4 ПРИМEЧАНИE; Очистка выводов передней панели; Экстренные сообщения; O RDS; Чистка магнитной головки; О кассетах
- 5 Быстрое уменьшение громкости.; Аттенуатор; Увеличение громкости; Громкость; Включение питания; Питание; Общие характеристики; Индикатор ATT
- 6 Py
- 7 Отключение при звонке по телефону; При источнике магнитофон; Пераключение дисплея
- 8 Cвойства тюнера; Снятие лицевой пластинки; Установка лицевой пластинки; Лицевая пластинка, предотвращающая кражу; SRC; Частотный дисплей
- 9 Настройка на предварительную установку; Ввод в авто память
- 10 Установка громкости во время дорожной информации.; Осуществите приём станции.; Запомните уровень громкости; Приём других станций, передающих дорожную информацию; Дорожная информация; Cвойства RDS; VOL ADJ; Индикатор PTY
- 12 Изменение языка для функции PTY; Предварительная установка типа программы
- 13 Вызов тюнера; Ускоренная перемотка вперёд; Ускоренная перемотка ленты вперёд и назад; Если вставлна магнитофонная касста; Проигрывание магнитофонных кассет; Cвойства кассетного проигрывателя; Индикатор ленты
- 14 Ускоренное передвижение вперёд и назад; Дисплей; Проигрыватель CD; Проигрывание внешнего диска; Функции управления внешним диском; Номер диска
- 15 Произвольное проигрывание; Повтор дорожки; Поиск дорожек
- 16 Просмотр текста/названий; Повторите последовательности 3 – 4 и введите название.; Произвольное проигрывание магазина
- 17 Система меню; MENU; Индикатор NEWS
- 18 Синхронизация часов
- 20 Авто поиск TP
- 21 Принадлежности
- 22 Разъем A; Подсоединение кабелей к гнездам для подключения
- 23 Установка
- 24 Cнятие жесткой резиновой оправки; Затвор; Cнятие аппарата
- 25 Поиск и устранение неисправностей
- 26 Не звучит тон датчика дотрагивания.; Источник тюнера; Это не установленная громкость для дорожной информации.; Источник диска; Не происходит проигрывание определенной дорожки.
- 27 Eod
- 28 Технические характеристики; Диапазон частот (50 кГц пространственных)












