Магнитолы Kenwood KRC-21SA(SG) - инструкция пользователя по применению, эксплуатации и установке на русском языке. Мы надеемся, она поможет вам решить возникшие у вас вопросы при эксплуатации техники.
Если остались вопросы, задайте их в комментариях после инструкции.
"Загружаем инструкцию", означает, что нужно подождать пока файл загрузится и можно будет его читать онлайн. Некоторые инструкции очень большие и время их появления зависит от вашей скорости интернета.

1
2
3
4
5
6
7
8
1
2
3
4
5
6
7
8
ANT CONT
TEL MUTE
— 28 —
P
olski
— 28 —
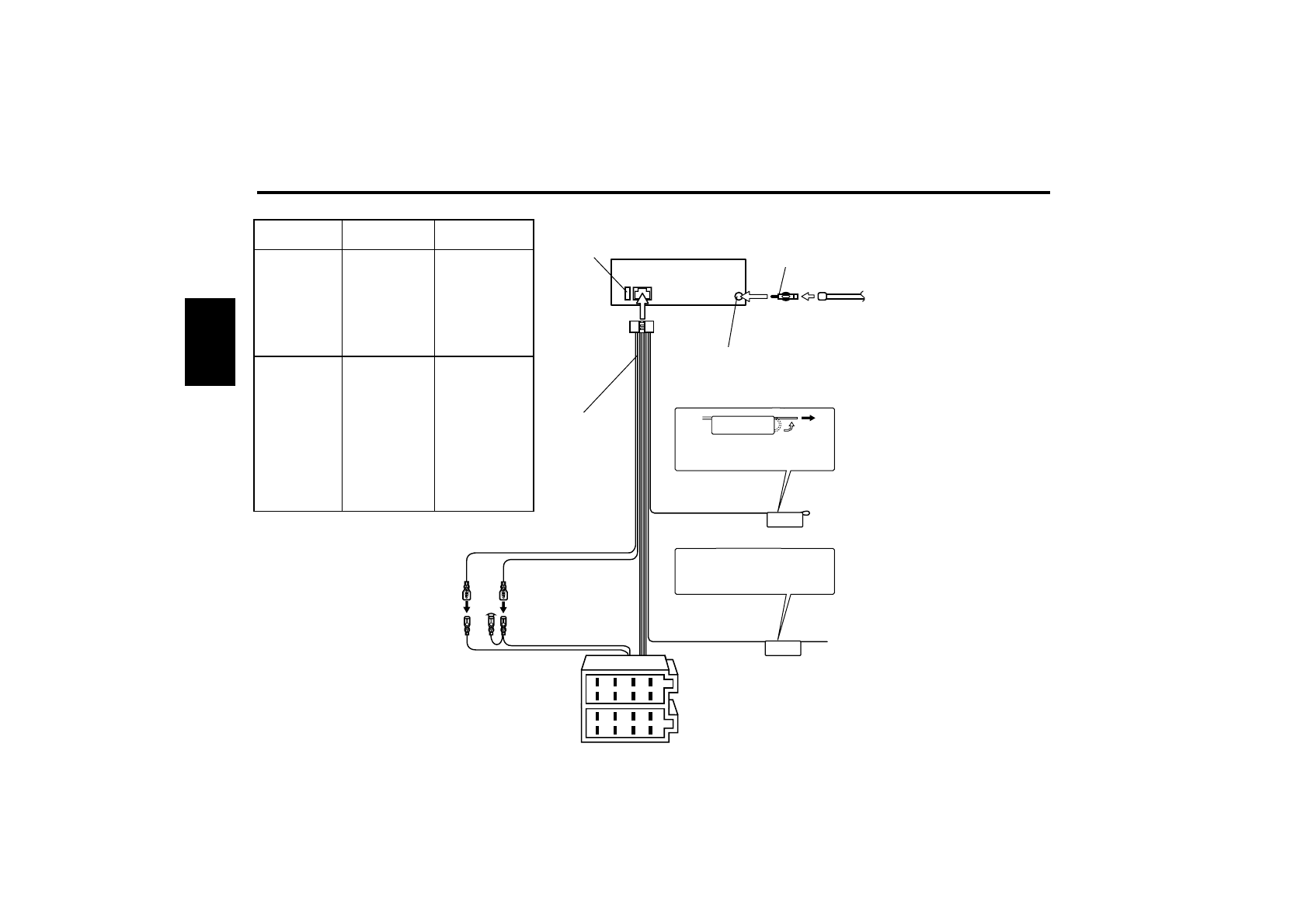
Przewód akumulatora (Żółty)
Przewód zapłonu
(Czerwony)
Wejście anteny
FM/AM
Przewód antenowy (ISO)
Adapter antenowy (ISO-JASO) (Akcesoria poz.
3
)
Wiązka
przewodów
(Akcesoria poz.
1
)
Jeżeli nie dokonano połącze-
nia, nie należy dopuścić aby
kabel wysunął się z osłonki.
Kołek A-7 (Czerwony)
Kołek A-4 (Żółty)
Kostka
połączeniowa A
Kostka
połączeniowa B
Bezpiecznik (10A)
Mapa funkcji kostki
Numer szpilki dla
kostek ISO
Kolor przewodu
Funkcje
Kostka zasilania
zewnętrznego
A–4
A–5
A–7
A–8
Kostka głośników
B–1
B–2
B–3
B–4
B–5
B–6
B–7
B–8
Żółty
Niebieski/biały
Czerwony
Czarny
Purpurowy
Purpurowy/czarny
Szary
Szary/czarny
Biały
Biały/czarny
Zielony
Zielony/czarny
Akumulator
Sterowanie zasilaniem
Zapłon (ACC)
Połączenie
Ziemia (masa)
Tylny prawy (
+
)
Tylny prawy (
–
)
Przedni prawy (
+
)
Przedni prawy (
–
)
Przedni lewy (
+
)
Przedni lewy (
–
)
Tylny lewy (
+
)
Tylny lewy (
–
)
Podłączanie przewodów do końcówek
Zależnie od tego z jakiej anteny
korzystasz, podłącz albo do końcówki
sterującej silnikiem anteny, albo do
końcówki zasilania wzmacniacza
pomocniczego anteny typu foliowego.
Przewód sterujący silnikiem
anteny (niebieski)
Część graficzna & część
analizatora widmowego
Nie wykorzystane
19
Содержание
- 34 Cодержание; предотвращающая кражу; Cвойства кассетного; и назад
- 35 ПРEДУПРEЖДEHИE; BHИMAHИE; Меры предосторожности
- 36 Очистка выводов передней панели; Чистка магнитной головки; О кассетах
- 37 Трбутся источник; Тюнер; Как выбрать источник; Включение питания; Питание; Общие характеристики; Индикатор ATT; Индикатор часов
- 38 Управление аудио; Плоская; Уровень громкости; Увеличение громкости; Громкость; Py
- 39 Снятие лицевой пластинки; Установка лицевой пластинки; Лицевая пластинка, предотвращающая кражу; Уровень НЧ
- 40 Настройка; Авто поиск; Режим настройки; Cвойства тюнера; Индикатор AUTO
- 42 Вызов тюнера; Ускоренная перемотка вперёд; Ускоренная перемотка ленты вперёд и назад; Если вставлна магнитофонная касста; Проигрывание магнитофонных кассет; Cвойства кассетного проигрывателя; Индикатор ленты
- 43 Принадлежности
- 44 Подсоединение кабелей к гнездам для подключения
- 45 Установка
- 46 Cнятие жесткой резиновой оправки; Затвор; Cнятие аппарата
- 47 Поиск и устранение неисправностей; Источник тюнера
- 48 Cекция тюнера FM; Диапазон частот (50 кГц пространственных); AM tuner section; Технические характеристики
Характеристики
Остались вопросы?Не нашли свой ответ в руководстве или возникли другие проблемы? Задайте свой вопрос в форме ниже с подробным описанием вашей ситуации, чтобы другие люди и специалисты смогли дать на него ответ. Если вы знаете как решить проблему другого человека, пожалуйста, подскажите ему :)












