Магнитолы Kenwood KDV-MP6433 - инструкция пользователя по применению, эксплуатации и установке на русском языке. Мы надеемся, она поможет вам решить возникшие у вас вопросы при эксплуатации техники.
Если остались вопросы, задайте их в комментариях после инструкции.
"Загружаем инструкцию", означает, что нужно подождать пока файл загрузится и можно будет его читать онлайн. Некоторые инструкции очень большие и время их появления зависит от вашей скорости интернета.

Ðóññêèé
z
z
z
z
z
59
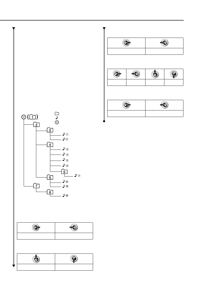
Ïîðÿäîê âîñïðîèçâåäåíèÿ
àóäèîôàéëîâ
Ïîðÿäîê, â êîòîðîì âûáèðàþòñÿ ôàéëû èëè ïàï-
êè âî âðåìÿ âîñïðîèçâåäåíèÿ, ïîèñê à ïàïêè, ïî-
èñêà ôàéëà è âûáîðà ïàïêè îïðåäåëÿåòñÿ âî
âðåìÿ çàïèñè ïðîãðàììíûì îáåñïå÷åíèåì çàïè-
ñè. Â ðåçóëüòàòå ýòîãî ìîãóò âîçíèêàòü ñèòóàöèè,
êîãäà ïðåäïîëàãàåìûé Âàìè ïîðÿäîê âîñïðîèç-
âåäåíèÿ áóäåò îòëè÷àòüñÿ îò ðåàëüíîãî ïîðÿä-
êà âîñïðîèçâåäåíèÿ.
Íåñìîòðÿ íà òî, ÷òî ýòî çàâèñèò îò íàñòðîåê îïå-
ðàöèîííîé ñèñòåìû êîìïüþòåðà, Âû ìîæåòå óñ-
òàíîâèòü ïîðÿäîê, äîáàâëÿÿ â íà÷àë î èìåíè
ôàéëà öèôðû îò 01 äî 99 è çàïèñûâàÿ ôàéëû
íà äèñêè CD-R èëè CD-RW.
Âî âðåìÿ èñïîëüçîâàíèÿ äèñêîâ ñ ïàïêàìè è
ôàéëàìè íà 5 óðîâíÿõ (ñì.ïðèìåð íèæå) ïîèñê
ïàïêè èëè ïîèñê à ôàéëà, à òàêæå âûáîð ïàïêè
âûïîëíÿåòñÿ ñëåäóþùèì îáðàçîì.
フォルダ
メディアの階層例
Root(ルート)
Ïðèìåð
Ïàïêà
Ôàéë
Êîðíåâàÿ ïàïê à
Óðîâåíü 1
Óðîâåíü 2
Óðîâåíü 3
Óðîâåíü 4
Óðîâåíü 5
Ïîèñê ôàéëà âî âðåìÿ âîñïðîèçâåäåíèÿ
òðýêà ¹4
¡$
➡
¡#
¡%
➡
¡&
3
➡
8
➡
6
➡
5
...
5
➡
6
➡
8
➡
3
...
Âûïîëíåíèå ïîèñêà ïàïêè âî âðåìÿ
âîñïðîèçâåäåíèÿ òðýêà ¹4
Âûïîëíåíèå âûáîðà ôàéëà âî âðåìÿ
âîñïðîèçâåäåíèÿ òðýêà ¹4
Íà÷àëî
¡#
➡
¡&
...
¡%
➡
¡&
➡
¡#
...
3
6
2
5
3
➡
8
➡
6
➡
5
...
5
➡
6
➡
8
➡
3
...
Âûïîëíåíèå âûáîðà ïàïêè 1 âî âðåìÿ
âîñïðîèçâåäåíèÿ òðýêà ¹4
Âûïîëíåíèå âûáîðà ïàïêè 2 âî âðåìÿ
âîñïðîèçâåäåíèÿ òðýêà ¹4












