Магнитолы Kenwood DPX-MP4070(B) - инструкция пользователя по применению, эксплуатации и установке на русском языке. Мы надеемся, она поможет вам решить возникшие у вас вопросы при эксплуатации техники.
Если остались вопросы, задайте их в комментариях после инструкции.
"Загружаем инструкцию", означает, что нужно подождать пока файл загрузится и можно будет его читать онлайн. Некоторые инструкции очень большие и время их появления зависит от вашей скорости интернета.

30
7
Порядок
воспроизведения
файлов
MP3/MWA
При
выборе
для
воспроизведения
,
поиске
папки
(
аль
-
бома
),
поиске
файла
или
при
выборе
папки
доступ
к
папкам
и
файлам
осуществляется
в
том
порядке
,
в
котором
файлы
и
папки
были
записаны
на
диск
.
По
этой
причине
порядок
,
в
котором
папки
и
файлы
были
записаны
,
не
соответствует
порядку
,
в
котором
они
будут
воспроизводиться
.
Вы
можете
установить
порядок
,
в
котором
будут
воспроизводиться
файлы
,
записав
их
на
носитель
(
например
, CD-R)
так
,
чтобы
названия
файлов
начинались
с
номера
в
последова
-
тельности
воспроизведения
(
от
01
до
99).
В
качестве
примера
ниже
приведен
носитель
со
следу
-
ющей
иерархией
папок
/
файлов
,
в
котором
может
ис
-
пользоваться
поиск
папки
,
поиск
файла
или
выбор
пап
-
ки
.
Пример
носителя
с
иерархией
папок
/
файлов
Папка
Файл
Корневая
папка
Уровень
1
Уровень
2
Уровень
3
Уровень
4
Уровень
5
Если
поиск
файла
осуществляется
во
время
воспроизведения
4
файла
#VUUPO
#FHJOOJOHPGGJMF
X
¨
X
D
#VUUPO
X
¨
X
".#VUUPO
¨
¨
¨
'.#VUUPO
¨
¨
¨
¨
#VUUPO
D
#VUUPO
".#VUUPO
'.#VUUPO
Нажатие
на
кнопку
Номер
текущего
файла
: 4
Кнопка
I<<
Кнопка
>>I
Начало
песни
Если
поиск
папки
осуществляется
во
время
воспроизведения
4
файла
Нажатие
на
кнопку
Номер
текущей
папки
: 4
Кнопка
AM
Кнопка
FM
Если
во
время
воспроизведения
4
файла
будет
выбран
режим
выбора
папки
для
пе
-
рехода
от
папки
к
папке
Нажатие
на
кнопку
Номер
текущей
папки
: 4
Кнопка
I<<
Кнопка
>>I
Кнопка
АМ
Кнопка
FM
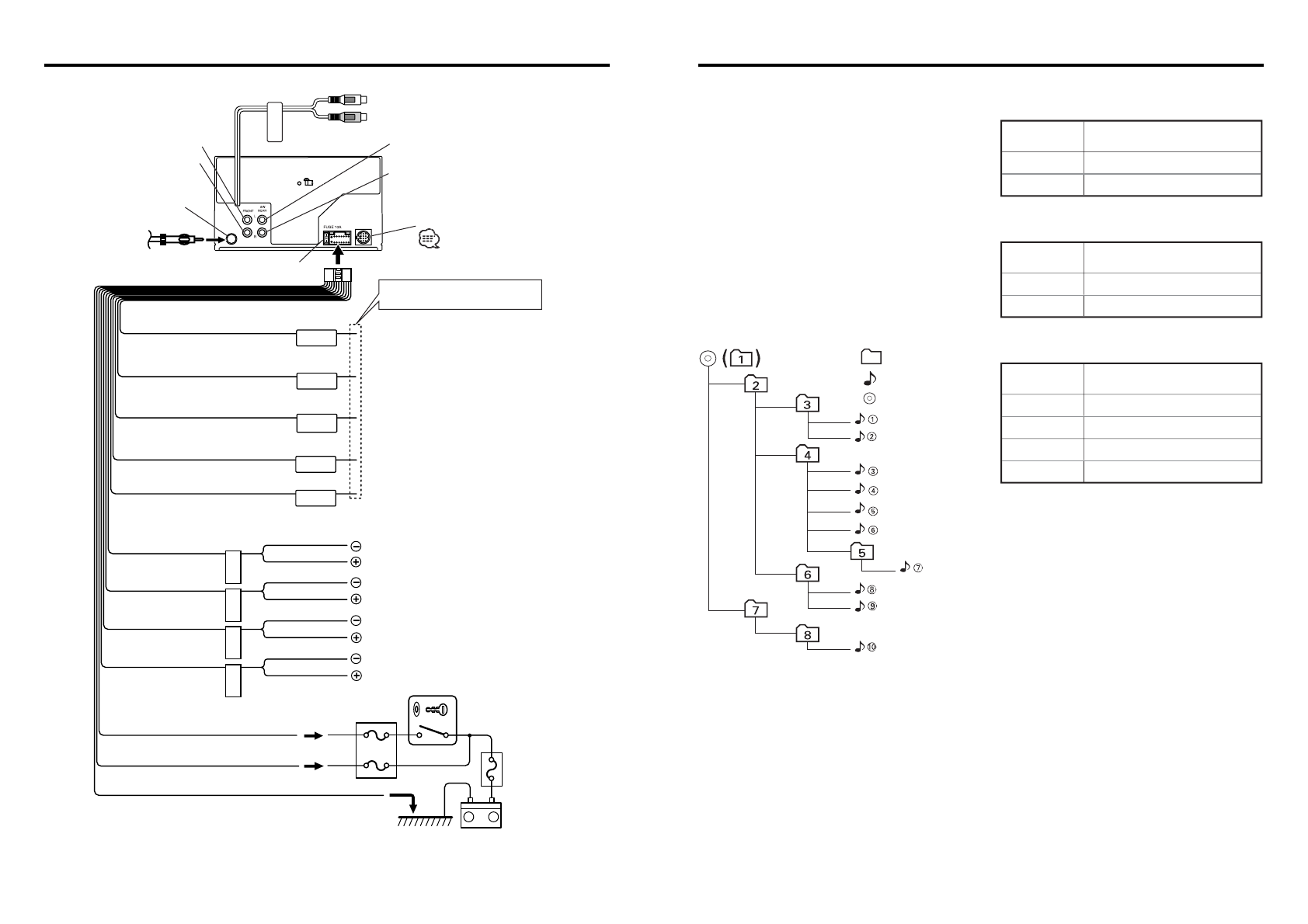
Подключение
проводов
к
соединительным
гнездам
$8;
,1
3&217
087(
$17 &217
,//80,
(;7&217
)5217
/
)5217
5
5($5
/
5($5
5
0
PP0$;
"$$
PP
Выход
фронтального
левого
канала
(
белый
)
Выход
фронтального
правого
канала
(
крас
-
ный
)
Вход
антенны
FM/AM
Жгут
проводов
(
при
-
надлежность
(2))
Предохранитель
(10
А
)
Выход
левого
канала
AUX (
белый
)
Выход
правого
канала
AUX (
красный
)
Выход
тылового
левого
канала
(
белый
)/
выход
левого
канала
на
сабвуфер
(
белый
)
Выход
тылового
правого
канала
(
красный
)/
выход
правого
канала
на
сабвуфер
(
красный
)
К
управляющему
входу
дискового
чейнджера
KENWOOD
ЗАМЕЧАНИЕ
:
Информация
о
подключении
дискового
чейнджера
приведена
в
инструк
-
ции
по
эксплуатации
чейнджера
.
Провод
управления
приводом
антенны
(
синий
)
Провод
управления
мощностью
(
синий
/
белый
)
Провод
отключения
звука
при
телефонном
звонке
(
коричневый
)
Провод
управления
диммером
(
оранжевый
/
белый
)
Провод
управления
внешним
усилителем
(
розовый
/
черный
)
Если
подключения
не
выполнены
,
не
ос
-
тавляйте
провод
неизолированным
.
В
зависимости
от
используемой
антенны
подключайте
либо
к
управляющему
контакту
антенны
,
либо
к
контакту
питания
бус
-
терного
усилителя
пленочной
антенны
.
При
использовании
дополнительного
усилителя
мощности
под
-
ключайте
его
к
этому
контакту
управления
.
Подсоедините
к
выводу
,
который
заземляется
при
поступлении
телефонного
звонка
или
во
время
разговора
.
Особенности
под
-
ключения
навигационной
системы
KENWOOD
изложены
в
инст
-
рукции
по
ее
эксплуатации
.
К
выключателю
фар
К
EXT.AMP.CONT
входу
усилителя
,
поддерживающего
функции
внешнего
управления
Белый
/
черный
Белый
Серый
/
черный
Серый
Зеленый
/
черный
Зеленый
Фиолетовый
/
Черный
Фиолетовый
К
фронтальной
левой
АС
К
фронтальной
правой
АС
К
тыловой
левой
АС
К
тыловой
правой
АС
Провод
системы
зажигания
(
красный
)
Провод
аккумулятора
(
желтый
)
Провод
заземления
(
черный
) (-) (
на
корпус
)
Блок
предохранителей
Ключ
зажигания
Блок
предох
-
р а н и т е л е й
(
основной
)
Аккумулятор












