Магнитолы Kenwood DPX-MP4050(B) - инструкция пользователя по применению, эксплуатации и установке на русском языке. Мы надеемся, она поможет вам решить возникшие у вас вопросы при эксплуатации техники.
Если остались вопросы, задайте их в комментариях после инструкции.
"Загружаем инструкцию", означает, что нужно подождать пока файл загрузится и можно будет его читать онлайн. Некоторые инструкции очень большие и время их появления зависит от вашей скорости интернета.

3 0
7
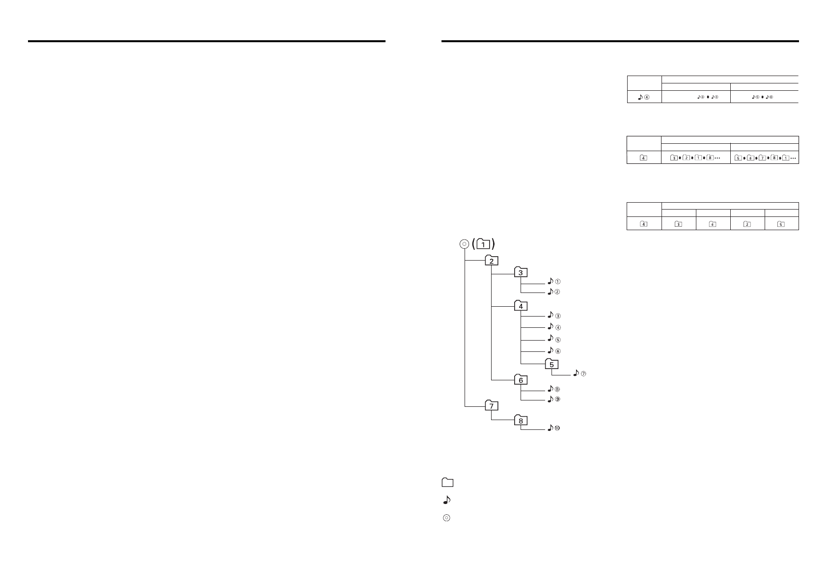
Ïîðÿäîê âîñïðîèçâåäåíèÿ ôàéëîâ MP3
Ïðè âûáîðå äëÿ âîñïðîèçâåäåíèÿ, ïîèñêå ïàï-
êè (àëüáîìà), ïîèñêå ôàéëà èëè ïðè âûáîðå
ïàïêè äîñòóï ê ïàïêàì è ôàéëàì îñóùåñòâëÿåò-
ñÿ â òîì ïîðÿäêå, â êîòîðîì ôàéëû è ïàïêè áûëè
çàïèñàíû íà äèñê.
Ïî ýòîé ïðè÷èíå ïîðÿäîê, â êîòîðîì ïàïêè è
ôàéëû áûëè çàïèñàíû, íå ñîîòâåòñòâóåò ïîðÿä-
êó, â êîòîðîì îíè áóäóò âîñïðîèçâîäèòüñÿ. Âû
ìîæåòå óñòàíîâèòü ïîðÿäîê, â êîòîðîì áóäóò
âîñïðîèçâîäèòüñÿ ôàéëû, çàïèñàâ èõ íà íîñè-
òåëü (íàïðèìåð, CD-R) òàê, ÷òîáû íàçâàíèÿ ôàé-
ëîâ íà÷èíàëèñü ñ íîìåðà â ïîñëåäîâàòåëüíîñòè
âîñïðîèçâåäåíèÿ (îò 01 äî 99).
 êà÷åñòâå ïðèìåðà íèæå ïðèâåäåí íîñèòåëü ñî
ñëåäóþùåé èåðàðõèåé ïàïîê/ôàéëîâ, â êîòî-
ðîì íåîáõîäèìî èñïîëüçîâàòü ïîèñê ïàïêè,
ïîèñê ôàéëà èëè âûáîð ïàïêè.
Ïðèìåð íîñèòåëÿ ñ èåðàðõèåé ïàïîê/ôàéëîâ
Óðîâåíü 1
Óðîâåíü 2
Óðîâåíü 3
Óðîâåíü 4
Ïàïêà
Ôàéë
Êîðíåâàÿ ïàïêà
Åñëè ïîèñê ôàéëà îñóùåñòâëÿåòñÿ
âî âðåìÿ âîñïðîèçâåäåíèÿ 4 ôàéëà
Íîìåð òåêóùåãî
ôàéëà
Íàæàòèå íà êíîïêó
Êíîïêà I<<
Êíîïêà >>I
Íà÷àëî ïåñíè
Åñëè ïîèñê ïàïêè îñóùåñòâëÿåòñÿ
âî âðåìÿ âîñïðîèçâåäåíèÿ 4 ôàéëà
Íîìåð òåêóùåãî
àëüáîìà
Íàæàòèå íà êíîïêó
Êíîïêà AM
Êíîïêà FM
Åñëè âî âðåìÿ âîñïðîèçâåäåíèÿ 4 ôàé-
ëà áóäåò âûáðàí ðåæèì âûáîðà ïàïêè
äëÿ ïåðåõîäà îò ïàïêè ê ïàïêå
Íîìåð òåêóùåé
ïàïêè
Íàæàòèå íà êíîïêó
Êíîïêà I<<
Êíîïêà >>I
Êíîïêà ÀÌ
Êíîïêà FM
Íåâîçìîæíî ïðîëèñòûâàíèå òåêñòà.
- Ýòî ñâÿçàíî ñ òåì, ÷òî òåêñò ñîäåðæèò 8 èëè ìåíüøåå êîëè÷åñòâî ñèìâîëîâ. - Åñëè âñå ñèìâîëû
îòîáðàæàþòñÿ íà äèñïëåå, òåêñò áóäåò ïðîëèñòàí îäèí ðàç ïðè ïåðåêëþ÷åíèè äèñïëåÿ è ïîñëå
ýòîãî íå áóäåò èçìåíÿòüñÿ.
Ïàðàìåòð êîäà çàùèòû (áåçîïàñíîñòè) íå îòîáðàæàåòñÿ â ñèñòåìå íàñòðîéêè
ô ó í ê ö è é .
- Ôóíêöèÿ êîäà çàùèòû óæå àêòèâèçèðîâàíà. - Êîãäà ôóíêöèÿ çàùèòû àêòèâèçèðîâàíà, ïàðàìåòð
ýòîé ôóíêöèè íå îòîáðàæàåòñÿ â ñèñòåìå ìåíþ.
Íå ïðîñëóøèâàåòñÿ çâóêîâîé ñèãíàë, ñîïðîâîæäàþùèé íàæàòèå íà êíîïêó.
- Èñïîëüçóåòñÿ âûõîä ïðåäâàðèòåëüíîãî óñèëèòåëÿ. - Ñèãíàë, ñîïðîâîæäàþùèé íàæàòèå íà
êíîïêó, íå ïîäàåòñÿ íà âûõîä ïðåäâàðèòåëüíîãî óñèëèòåëÿ.
Äàæå, êîãäà âêëþ÷åíî îñâåùåíèå àâòîìîáèëÿ, äèñïëåé CD-ðåñèâåðà íå óìåíü-
øàåò ÿðêîñòè.
- Íå ïîäêëþ÷åí ïðîâîä äèììåðà. - Ïðàâèëüíî ïîäêëþ÷èòå ïðîâîä äèììåðà.
Èçìåíåíèå öâåòà äèñïëåÿ ìàëîçàìåòíî.
- Ýòî ñâÿçàíî ñ òåì, ÷òî òåìïåðàòóðà îòëè÷àåòñÿ îò òåìïåðàòóðû ïðè óñòàíîâêå. - Èçìåíåíèå öâåòà
äèñïëåÿ ïðîèñõîäèò â ñîîòâåòñòâèè ñ òåìïåðàòóðîé îêðóæàþùåé ñðåäû.
Ïðîáëåìû ïðè ýêñïëóàòàöèè òþíåðà
Íåóäîâëåòâîðèòåëüíûé ïðèåì ðàäèîñòàíöèé.
- Íå âûäâèíóòà àâòîìîáèëüíàÿ àíòåííà. - Âûòÿíèòå àíòåííó ïîëíîñòüþ.
- Íå ïîäêëþ÷åí ïðîâîä óïðàâëåíèÿ àíòåííîé. - Ïðàâèëüíî ïîäêëþ÷èòå ïðîâîä, îáðàòèâøèñü ê
ðàçäåëó «Ïîäêëþ÷åíèå ïðîâîäîâ ê êîíòàêòàì ïîäêëþ÷åíèÿ».
Íåâîçìîæåí ïðÿìîé ââîä íóæíîé ÷àñòîòû íàñòðîéêè.
- Âû ââîäèòå ÷àñòîòó íàñòðîéêè ðàäèîñòàíöèè, êîòîðàÿ íå ìîæåò áûòü ïðèíÿòà. - Ââîäèòå ÷àñòîòó
ðàäèîñòàíöèè, êîòîðàÿ ìîæåò áûòü ïðèíÿòà.
- Âû ïûòàåòåñü ââåñòè ÷àñòîòó íàñòðîéêè ñ øàãîì 0,01 ÌÃö. -  äèàïàçîíå FM óñòàíîâëåí øàã
èçìåíåíèÿ ÷àñòîòû 0,1 ÌÃö.
Ïðîáëåìû ïðè ýêñïëóàòàöèè êàññåòíîãî ìàãíèòîôîíà
Íåâîçìîæíî èçâëå÷ü êàññåòó.
- Ýòî âûçâàíî òåì, ÷òî ïðîøëî áîëåå 10 ìèíóò ïîñëå âûêëþ÷åíèÿ êëþ÷à çàæèãàíèÿ àâòîìîáèëÿ.
- Êàññåòà ìîæåò áûòü èçâëå÷åíà òîëüêî â òå÷åíèå 10 ìèíóò ïîñëå âûêëþ÷åíèÿ êëþ÷à çàæèãàíèÿ.
Åñëè ïðîéäåò áîëåå 10 ìèíóò, âíîâü âêëþ÷èòå êëþ÷ çàæèãàíèÿ è íàæìèòå êíîïêó èçâëå÷åíèÿ
êàññåòû.
Íåïðàâèëüíî ðàáîòàþò ôóíêöèè DPSS è ïîâòîðà ïåñíè.
- Ïàóçû ìåæäó ïåñíÿìè íå ìîãóò áûòü ðàñïîçíàíû, ò.ê. ÿâëÿþòñÿ î÷åíü êîðîòêèìè. - Ìåæäó ïåñíÿìè
äîëæíû áûòü ïàóçû ïðîäîëæèòåëüíîñòüþ íå ìåíåå 4 ñåêóíä.
- Ïàóçû ìåæäó ïåñíÿìè íå ìîãóò áûòü ðàñïîçíàíû èç-çà ñèëüíîãî óðîâíÿ øóìîâ â ïàóçàõ. -
Óìåíüøèòå óðîâåíü øóìîâ â ïàóçàõ ìåæäó ïàóçàìè.
Íå ðàáîòàåò ôóíêöèÿ ïðîïóñêà áëàíêîâ.
- Ò.ê. ñëèøêîì âåëèê óðîâåíü øóìîâ (ïîìåõ), íåçàïèñàííàÿ ÷àñòü êàññåòû íå ìîæåò áûòü
ðàñïîçíàíà. - Óìåíüøèòå óðîâåíü øóìîâ â ïàóçàõ ìåæäó ïàóçàìè.
Âîçìîæíûå íåèñïðàâíîñòè