Магнитолы Kenwood DDX1035(M) - инструкция пользователя по применению, эксплуатации и установке на русском языке. Мы надеемся, она поможет вам решить возникшие у вас вопросы при эксплуатации техники.
Если остались вопросы, задайте их в комментариях после инструкции.
"Загружаем инструкцию", означает, что нужно подождать пока файл загрузится и можно будет его читать онлайн. Некоторые инструкции очень большие и время их появления зависит от вашей скорости интернета.

78
Русский
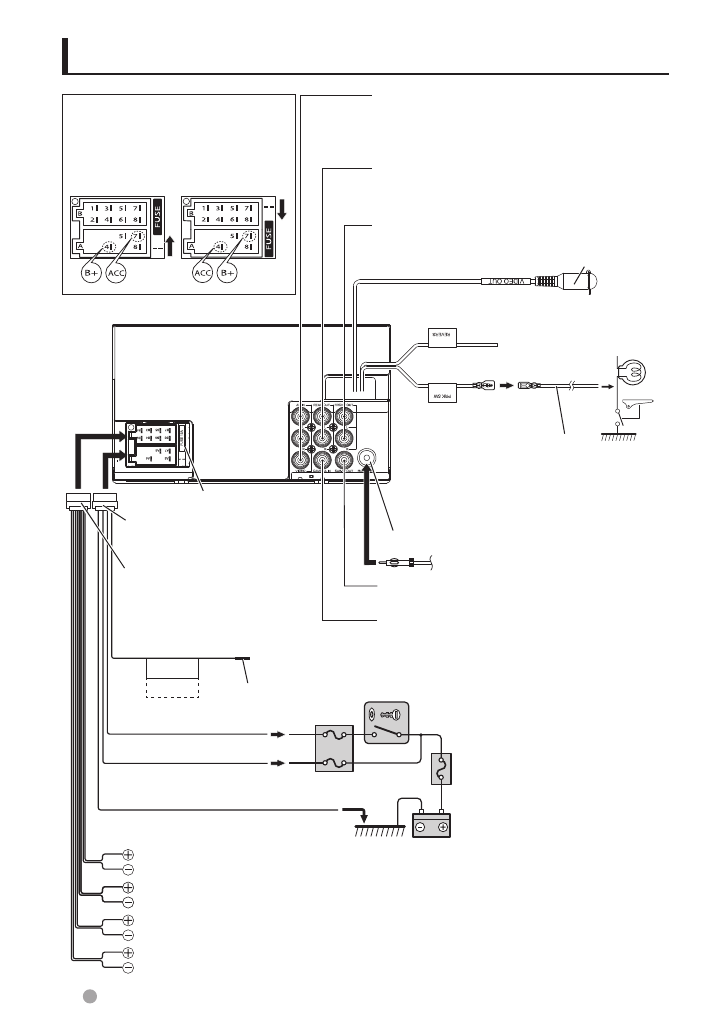
Подсоединение проводов к клеммам
P.CONT.
ANT.CONT.
При использовании камеры
заднего вида (опция)
подсоедините к жгуту проводов
фонаря заднего хода.
Светло-зеленый (Провод
датчика стояночного тормоза)
Подсоедините к жгуту проводов
детектора стояночного тормоза
автомобиля.
В целях безопасности всегда подключайте
датчик стояночного тормоза.
⁄
Удлинитель (принадлежность
3
)
Шнур антенны
Вход антенны FM/AM
Принадлежность
1
(только
DDX1035/DDX1035M)
ПРЕДОХРАНИТЕЛЬ (15 А)
Синий/белый (Провод контроля
питания/управления антенной)
Желтый (провод батареи)
Красный (провод зажигания)
Белый
ª
/ Белый/черный
·
: к переднему динамику (левый)
Серый
ª
/ Серый/черный
·
: к переднему динамику (правый)
Зеленый
ª
/ Зеленый/черный
·
: к заднему динамику (левый)
Фиолетовый
ª
/ Фиолетовый/черный
·
: к заднему динамику (правый)
Фиолетовый/белый (Провод
датчика заднего хода)
Замок зажигания
ACC
Блок предохранителей
автомобиля
(главный предохранитель)
Предвыход динамика сверхнизких
частот (монофонический)
Черный (провод заземления)
·
(к шасси автомобиля)
Аккумулятор
Принадлежность
2
(только
DDX1035/DDX1035M)
Видеовыход
Передний предвыход
• Левый аудиовыход (белый)
• Правый аудиовыход (красный)
Задний предвыход
• Левый аудиовыход (белый)
• Правый аудиовыход (красный)
Вход камеры заднего вида (желтый)
Вход аудио/видео 1 (AV IN1)
• Видеовход (желтый)
• Левый аудиовход (белый)
• Правый аудиовход (красный)
Измените местоположение
ПРЕДОХРАНИТЕЛЯ, чтобы
переключить ACC, и
местоположение штырька B+ на
разъеме ISO.
B+
К клемме управления питанием с помощью дополнительного усилителя
мощности или к клемме управления антенной в автомобиле. (макс. 350 мА, 12 В)
Если никаких подсоединений не производится, не снимайте заглушку.
Содержание
- 45 (для предотвращения несчастных; Сброс параметров устройства; Перед эксплуатацией
- 47 Обзор основного устройства; ВВЕДЕНИЕ
- 48 Обзор пульта дистанционного
- 50 Настройка часов
- 51 Вызов экрана управления источником; ОПЕРАЦИИ С ИСТОЧНИКОМ AV; Выбор источника воспроизведения
- 52 Извлечение диска; Операции с диском; Воспроизведение диска; Вставка диска
- 53 Типы воспроизводимых дисков
- 54 Операции воспроизведения
- 56 Операции в меню видео; Настройка функций
- 58 Воспроизведение с устройства USB; Операции с USB
- 61 Подготовка; Прослушивание с устройства iPod/; Настройки воспроизведения iPod; воспроизведения iPod/iPhone
- 62 Операции воспроизведения iPod/iPhone с данного
- 63 видео из меню
- 64 Прослушивание радио; Настройка радиостанций FM
- 65 Использование других внешних
- 66 Регулировка звука; Настройка предустановленного; Использование эквалайзера
- 67 Регулировка настроек звука; Настройка динамиков; Настройки СНЧ-динамика
- 68 Настройки воспроизведения видео; Регулировка экрана; Изменение соотношения; Масштабирование
- 69 Использование камеры заднего вида
- 70 Настройка системы
- 71 Регулировка положения
- 72 Конденсация влаги; Хранение диска в чистоте; СПРАВОЧНЫЕ МАТЕРИАЛЫ; Техническое обслуживание
- 73 Воспроизведение файлов MP3/WMA; Через аналоговые терминалы; Воспроизведение файлов; Воспроизведение файлов MPEG1/; Воспроизведение файлов JPEG; Дополнительная информация об этом
- 74 Поиск неисправностей; В случае неисправности
- 76 Принадлежности/процедура установки; Принадлежности
- 78 Подсоединение проводов к клеммам
- 79 iPhone
- 80 Установка устройства; Установка/удаление устройства; Установка отделочной; Снятие отделочной панели
- 81 Удаление устройства
- 82 Технические характеристики; Монитор












