Магнитолы Hyundai Electronics H-CDM8062 - инструкция пользователя по применению, эксплуатации и установке на русском языке. Мы надеемся, она поможет вам решить возникшие у вас вопросы при эксплуатации техники.
Если остались вопросы, задайте их в комментариях после инструкции.
"Загружаем инструкцию", означает, что нужно подождать пока файл загрузится и можно будет его читать онлайн. Некоторые инструкции очень большие и время их появления зависит от вашей скорости интернета.

5
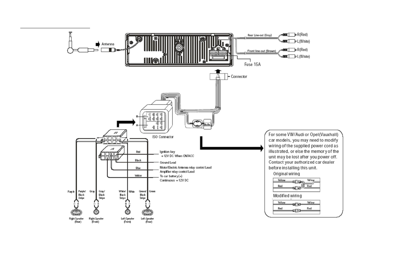
Electrical connections
Do not interchange the connection of the wiring!!!
For some car models you may need to modify wiring of the supplied power cord as illustrated(modified wiring), or else the memory of
the unit may be lost after you power off. Contact your authorized car dealer before installing this unit.
