Магнитолы Alpine IVA-W502R - инструкция пользователя по применению, эксплуатации и установке на русском языке. Мы надеемся, она поможет вам решить возникшие у вас вопросы при эксплуатации техники.
Если остались вопросы, задайте их в комментариях после инструкции.
"Загружаем инструкцию", означает, что нужно подождать пока файл загрузится и можно будет его читать онлайн. Некоторые инструкции очень большие и время их появления зависит от вашей скорости интернета.

84
-RU
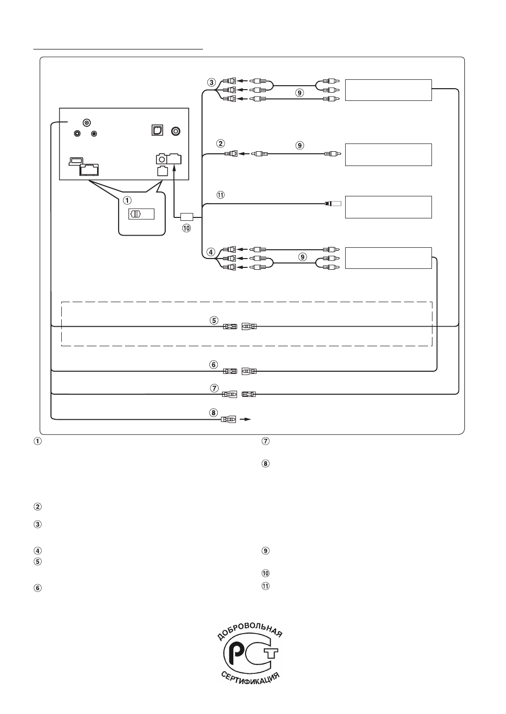
При подключении внешнего оборудования
NORM EQ/DIV
К разъему аудиовхода
Переключатель систем
При подключении эквалайзера или делителя через
Ai-NET переместите два переключателя в положение
EQ/DIV. Если процессор не подключен, оставьте
переключатели в положении NORM.
•
Не устанавливайте эти два переключателя в разные положения.
•
Перед изменением положения переключателя не забудьте
выключить питание устройства.
Входной разъем CAMERA
Используется при подключении резервной камеры.
Разъемы видео/аудиовыходов (AUX OUTPUT)
Используется при подключении дополнительного
монитора и т.д.
Разъемы видео/аудиовходов (AUX INPUT)
Провод управления монитором (белый/розовый)
Подключите к разъему для управления монитором на
совместимом с сенсорной панелью заднем мониторе.
Выход дистанционного управления (белый/коричневый)
Подключите этот выход к входу дистанционного
управления. Этот разъем используется для вывода
управляющих сигналов дистанционного управления.
Вход дистанционного управления (белый/
коричневый)
Разъем заднего хода (оранжевый/белый)
Используется при подключении камеры заднего хода.
Подключите к положительному контакту лампы заднего
хода. Эта лампа загорается при переводе рычага
переключения передач в положение заднего хода (R).
Если соединение выполнено правильно, то каждый раз,
когда рычаг переключения передач устанавливается в
положение заднего хода (R), автоматически включается
изображение с камеры заднего хода.
Кабельный удлинитель (приобретается
дополнительно)
Входной разъем камеры AUX I/O
Входной разъем S Video
Вход видеосигнала.
Соединяйте с выходным разъемом S video на
подключаемых устройствах.
К разъему видеовхода
К разъему видеовыхода
К разъему видеовыхода
К разъему аудиовыхода
Задний монитор
(приобретается
дополнительно)
Камера заднего хода
(приобретается
дополнительно)
ТВ-тюнер или
видеомагнитофон
(приобретается дополнительно)
(Белый/розовый)
M.CONT
M.CONT
(Белый/розовый)
(Белый/коричневый)
REMOTE OUT
REMOTE IN
(Белый/коричневый)
(Белый/коричневый)
REMOTE IN
REMOTE OUT
(Белый/коричневый)
(Оранжевый/белый)
REVERSE
Используется при подключении камеры заднего хода.
* Подключите к монитору с сенсорной панелью.
К разъему видеовыхода S Video
Устройство, оснащенное
разъемом S Video
(приобретается дополнительно)
Содержание
- 3 PYCСКИЙ; ПРЕДУПРЕЖДЕНИЕ
- 4 Настройка DVD
- 5 Загрузка данных; Внешний аудиопроцессор
- 6 Установка и соединения
- 7 Руководство по использованию; НЕ РАЗБИРАТЬ И НЕ ИЗМЕНЯТЬ.
- 8 МЕРЫ ПРЕДОСТОРОЖНОСТИ
- 9 Принадлежности для дисков; Диски, воспроизводимые на; Воспроизводимые диски
- 10 ALL
- 11 Терминология, использующаяся при описании дисков; Обращение с USB-накопителями
- 12 Использование портативного аудиоплеера
- 13 Список компонентов; Расположение элементов управления; Приступая к работе
- 14 Загрузка/извлечение диска; Настройка угла просмотра монитора; Настройка уровня громкости
- 15 Как просматривать изображение; Работа с сенсорными кнопками
- 16 Выбор стиля дисплея
- 17 Радио
- 18 Прием информации о трафике; Работа RDS
- 20 Воспроизведение; Многократное воспроизведение
- 23 Воспроизведение диска; Отображение экрана режима DVD
- 24 Отображение экрана главного меню
- 25 Перемотка вперед/назад
- 27 папки; Прямой поиск по номеру главы,
- 29 Другие полезные
- 30 Функция поиска
- 31 Функция вывода изображения на; Переключение режимов экрана
- 32 Переключение только визуального; Включение и выключение режима; Отмена синхронной работы; Настройка
- 33 Изменение настроек языка
- 34 Изменение настройки цифрового вывода
- 36 Настройка режима экрана ТВ
- 37 Операция настройки радио; Настройка радио; Отображение времени RDS; Регулировка уровней сигналов
- 38 Операция настройки дисплея; Режим PI SEEK; Настройка дисплея
- 39 Настройка яркости экрана подсветки; Переключение фоновых текстур; Изменение цвета фона шрифта
- 40 Операция общей настройки; Общая настройка
- 41 Операция настройки системы; Настройка системы
- 42 Настройка входа камеры заднего вида
- 43 Настройка сенсорной кнопки VISUAL; Настройка цифрового выхода
- 44 Настройка яркости
- 45 Настройка оттенка изображения
- 46 Процедура настройки Dolby Surround
- 47 Настройка A.PROCESSOR; Настройка регулировки низких частот
- 49 Переключение фазы
- 50 Настройка динамиков
- 51 Сохранение настроек в памяти; Настройка уровня DVD
- 52 Настройка режима MultEQ
- 54 Настройка графического эквалайзера
- 55 Настройка системы сабвуфера; Настройка уровня сабвуфера
- 56 Информация о временной коррекции; переднее левое сидение
- 57 Информация о кроссовере
- 58 Информация о технологии IMPRINT; ВИДЕНИЕ И РЕАЛЬНОСТЬ
- 59 Включение системы навигации; Портативная система навигации; Навигационная
- 60 Работа с дополнительным устройством; Работа с устройством TUE-T200DVB; Дополнительное
- 63 Поиск нужной композиции
- 64 Создание списка воспроизведения; Поиск по имени исполнителя
- 65 iPod
- 66 Функция прямого поиска; Воспроизведение в случайном
- 67 Информация о дисках DVD; Информация
- 72 При возникновении трудностей
- 75 CURRENT ERROR
- 76 Технические характеристики; CLASS 1
- 77 Предупреждение; ВЫПОЛНЯЙТЕ ПРАВИЛЬНЫЕ ПОДКЛЮЧЕНИЯ.; КОЛЕСОМ ИЛИ РЫЧАГОМ ПЕРЕКЛЮЧЕНИЯ СКОРОСТЕЙ.; Осторожно
- 78 Установка
- 81 Соединения
- 84 Пример системы