Магнитолы Alpine IVA-W200Ri - инструкция пользователя по применению, эксплуатации и установке на русском языке. Мы надеемся, она поможет вам решить возникшие у вас вопросы при эксплуатации техники.
Если остались вопросы, задайте их в комментариях после инструкции.
"Загружаем инструкцию", означает, что нужно подождать пока файл загрузится и можно будет его читать онлайн. Некоторые инструкции очень большие и время их появления зависит от вашей скорости интернета.

123
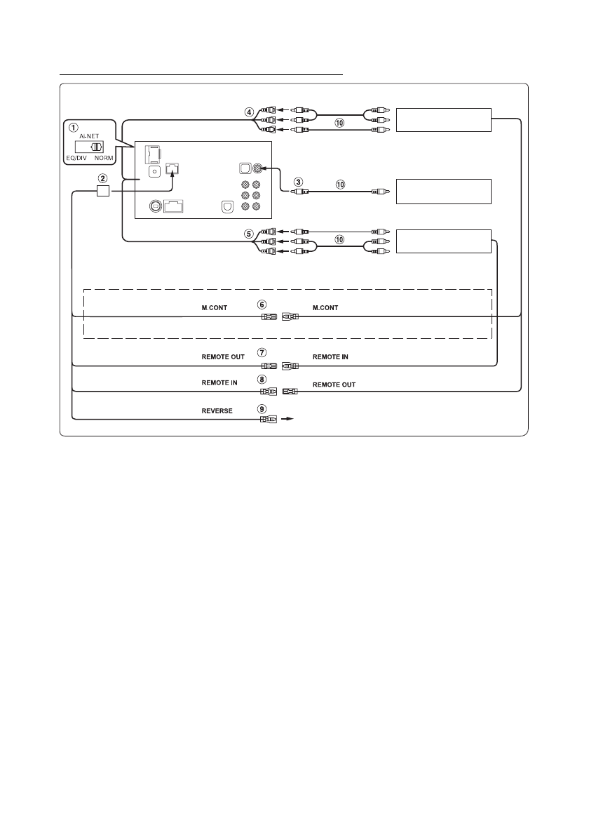
Ïðè ïîäñîåäèíåíèè âíåøíåãî îáîðóäîâàíèÿ
1
Ñèñòåìíûé ïåðåêëþ÷àòåëü
Ïðè ïîäñîåäèíåíèè ýêâàëàéçåðà èëè äåëèòåëÿ, ñíàáæåííîãî øèíîé Ai-NET, óñòàíîâèòå
äàííûé ïåðåêëþ÷àòåëü â ïîëîæåíèå EQ/DIV. Åñëè íå ïîäñîåäèíåíî íè îäíî èç
óñòðîéñòâ, îñòàâüòå ïåðåêëþ÷àòåëü â ïîëîæåíèè NORM.
•
Ïåðåä òåì, êàê ïåðåâåñòè ïåðåêëþ÷àòåëü â äðóãîå ïîëîæåíèå, îòêëþ÷èòå
ïèòàíèå ñèñòåìû.
2
Âõîäíîé/âûõîäíîé òåðìèíàë ÄÓ
3
Âõîäíîé òåðìèíàë âèäåîêàìåðû
Èñïîëüçóåòñÿ ïðè ïîäêëþ÷åíèè êàìåðû çàäíåãî âèäà.
4
Òåðìèíàë âèäåî/àóäèî âûõîäà AUX
Èñïîëüçóåòñÿ ïðè ïîäêëþ÷åíèè ïðèîáðåòàåìîãî äîïîëíèòåëüíî ìîíèòîðà è ò.ï.
5
Òåðìèíàë âèäåî/àóäèî âõîäà AUX
6
Êàáåëü óïðàâëåíèÿ ìîíèòîðîì (Áåëûé/Ðîçîâûé)
Ïîäñîåäèíèòå åãî ê êàáåëþ óïðàâëåíèÿ çàäíèì ìîíèòîðîì, ñîâìåñòèìûì ñ ïàíåëüþ
ñåíñîðíîãî òèïà.
7
Âûõîäíîé êàáåëü ÄÓ (Áåëûé/Êîðè÷íåâûé)
Ñîåäèíèòå ýòîò êàáåëü ñ âõîäíûì êàáåëåì ÄÓ. Ñ ïîìîùüþ äàííîãî êàáåëÿ íà âûõîä
ïîäàþòñÿ óïðàâëÿþùèå ñèãíàëû ñ ïóëüòà ÄÓ.
8
Âõîäíîé êàáåëü ÄÓ (Áåëûé/Êîðè÷íåâûé)
9
Êàáåëü êàìåðû çàäíåãî âèäà
Ïîäñîåäèíÿéòå åãî ê ïëþñîâîé êëåììå ëàìïî÷êè çàäíåãî õîäà, êîòîðàÿ çàãîðàåòñÿ ïðè
ïåðåêëþ÷åíèè ðû÷àãà êîðîáêè ïåðåäà÷ â ïîëîæåíèå çàäíåãî õîäà (R).
Îáåñïå÷èâàåò ïåðåêëþ÷åíèå âèäåî èçîáðàæåíèÿ íà êàìåðå çàäíåãî âèäà ïðè âêëþ÷åíèè
çàäíåé ïåðåäà÷è (R).
0
RCA êàáåëü-óäëèíèòåëü (ïðèîáðåòàåòñÿ äîïîëíèòåëüíî)
Ê âõîäíîìó àóäèî òåðìèíàëó
Çàäíèé ìîíèòîð
(ïðèîáð. äîïîëíèò.)
Ê âõîäíîìó âèäåî òåðìèíàëó
Ê âûõîäíîìó âèäåî òåðìèíàëó
ÒÂ òþíåð èëè
âèäåîìàã-íèòîôîí
(ïðèîáð. äîïîë.)
Ê âûõîäíîìó àóäèî
òåðìèíàëó
Ê âûõîäíîìó âèäåî òåðìèíàëó
Êàìåðà çàäíåãî âèäà
(ïðèîáð. äîïîëíèò.)
(Îðàíæåâûé/Áåëûé)
(Áåëûé/Êîðè÷íåâûé)
(Áåëûé/Êîðè÷íåâûé)
(Áåëûé/Êîðè÷íåâûé)
Èñïîëüçóåòñÿ òîëüêî â ñëó÷àå ïîäêëþ÷åíèÿ
êàìåðû çàäíåãî âèäà
(Áåëûé/Êîðè÷íåâûé)
(Áåëûé/Ðîçîâûé)
(Áåëûé/Ðîçîâûé)
*
Ïîäñîåäèíèòå ê ñîâìåñòèìîìó ñ ñåíñîðíîé ïàíåëüþ óïðàâëåíèÿ çàäíåìó ìîíèòîðó.