Магнитолы Alpine IVA-D900R - инструкция пользователя по применению, эксплуатации и установке на русском языке. Мы надеемся, она поможет вам решить возникшие у вас вопросы при эксплуатации техники.
Если остались вопросы, задайте их в комментариях после инструкции.
"Загружаем инструкцию", означает, что нужно подождать пока файл загрузится и можно будет его читать онлайн. Некоторые инструкции очень большие и время их появления зависит от вашей скорости интернета.

140
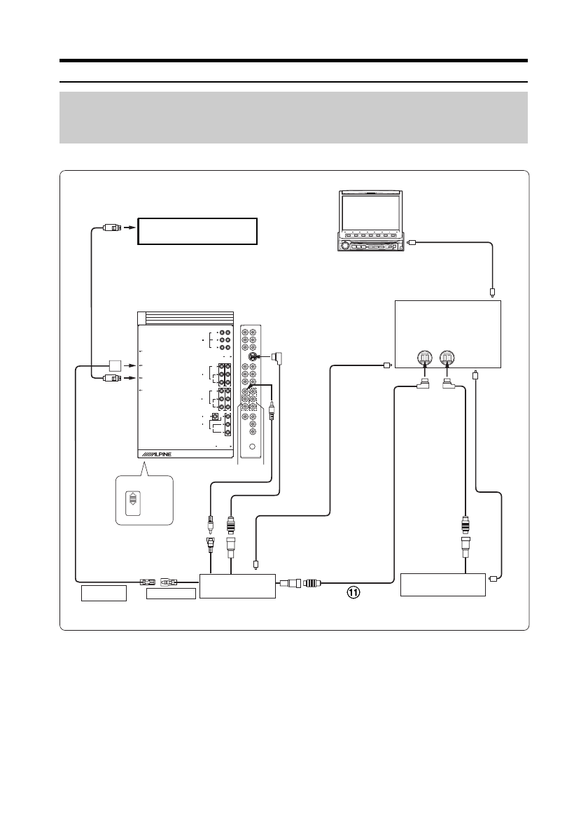
Ïîäñîåäèíåíèÿ Ai-NET-ñîâìåñòèìîãî ïðîöåññîðà çâóêà (ñîâìåñòèìîãî
ñ îïòîâîëîêîííûì êàíàëîì ñâÿçè), íàâèãàöèîííîé ñèñòåìû,
DVD-ïðîèãðûâàòåëÿ è ÷åéíäæåðà
Ïðèìåð ñèñòåìíîãî ïîäñîåäèíåíèÿ
4
SUB W.
REAR
FR ONT
Ai-
N ET
L
R
VIDEO
CAM ERA IN
(M ONO )
L
AUX IN 3
R
RADIO ANTENN A IN
REM O TE IN /O UT
N A VIGA TION IN
DISPL AY O UT
PO W ER SUPPL Y
VIDEO
AUDIO
(M ONO )
L
AUX IN 1/2
R
AUDIO
VIDEO
L
AUX O UT
R
PREO UT
AUDIO
1
2
1
2
3
NVE-N077PS
Íàâèãàöèîííàÿ ñèñòåìà
(ïðèîáð. äîïîëí.)
IVA-D900R
Òþíåð
(Áåëûé/
Êîðè÷íåâûé)
Âûõîä ÄÓ
(AUX1)
Âõîä ÄÓ
(Áåëûé/
Êîðè÷íåâûé)
(Æåëòûé)
DVD-ïðîèãðûâàòåëü
(ïðèîáð. äîïîëí.)
Ai-NET
êàáåëü
Ìîíèòîð IVA-D900R
Îïòîâîëîêîííûé
êàáåëü
*Âõîäíîé òåðìèíàë
îïòîâîëîêîííîãî êàíàëà
ñâÿçè (äëÿ ïîäêëþ÷åíèÿ
ãîëîâíîãî àïïàðàòà)
Ïðîöåññîð çâóêà (Ai-
NET) (ñîâìåñòèìûé
ñ îïòîâîëîê.
êàíàëîì ñâÿçè)
(Ïðèîáð. äîïîëíèò.)
Âõîäíîé òåðìèíàë
îïòîâîëîê. êàíàëà
ñâÿçè (äëÿ
ïîäêë. DVD-
ïðîèãðûâàò.)
Âõîäíîé
òåðìèíàë
îïòîâîëîê.
êàíàëà
ñâÿçè (äëÿ
ïîäêëþ÷.
÷åéíäæåðà)
Ai-NET
êàáåëü
Ai-NET
êàáåëü
**Îïòîâî-
ëîêîííûé
êàáåëü
CD-÷åéíäæåð (Ai-NET)
(ïðèîáð. äîïîëí.)
**Ïîäñîåäèíÿåòñÿ òîëüêî ñîâìåñòèìûé ñ îïòîâîëîêîííûì êàíàëîì ñâÿçè CD-÷åéíäæåð
Îïòîâîëîêîííûé êàáåëü
 ñëó÷àå ïîäñîåäèíåíèÿ ê óñòðîéñòâàì, îáîðóäîâàííûì îïòè÷åñêèì öèôðîâûì
ðàçúåìîì, íåîáõîäèìî ïðîèçâåñòè óñòàíîâêó ðåæèìà äàííîãî óñòðîéñòâà.
Îçíàêîìüòåñü ñ èíñòðóêöèÿìè ðàçäåëà «Óñòàíîâêà öèôðîâîãî âûõîäà» (ñòð. 61) è
«Âûáîð îïòè÷åñêîãî öèôðîâîãî âõîäà ïðè ïîäêëþ÷åíèè âíåøíåãî ïðîöåññîðà çâóêà»
(ñòð. 71) è âûïîëíèòå ñîîòâåòñòâóþùóþ óñòàíîâêó.
 ñëó÷àå ïîäñîåäèíåíèÿ ÐÕÀ-Í510:
-
Ïîäñîåäèíèòå òåðìèíàë îïòè÷åñêîãî öèôðîâîãî âõîäà ê DVD-ìîäóëþ.
-
 ñëó÷àå èñïîëüçîâàíèÿ îïòè÷åñêèõ öèôðîâûõ ïîäñîåäèíåíèé îäíîâðåìåííîå
ïîäêëþ÷åíèå IVA-D900R è DVA-5205Ð íåâîçìîæíî.
 òîì ñëó÷àå, åñëè â êà÷åñòâå íàâèãàöèîííîé ñèñòåìû ïîäñîåäèíÿåòñÿ NVE-N055PS,
èñïîëüçóéòå RGB êàáåëü-ïåðåõîäíèê KCE-030N (ïðèîáðåòàåòñÿ äîïîëíèòåëüíî).
1
3
2
4
NORM
EQ/DIV
0
5
=
6
0
6
0
9
8
@ !
7
6
~