Магнитолы Alpine INE-W990HDMI - инструкция пользователя по применению, эксплуатации и установке на русском языке. Мы надеемся, она поможет вам решить возникшие у вас вопросы при эксплуатации техники.
Если остались вопросы, задайте их в комментариях после инструкции.
"Загружаем инструкцию", означает, что нужно подождать пока файл загрузится и можно будет его читать онлайн. Некоторые инструкции очень большие и время их появления зависит от вашей скорости интернета.

95
-RU
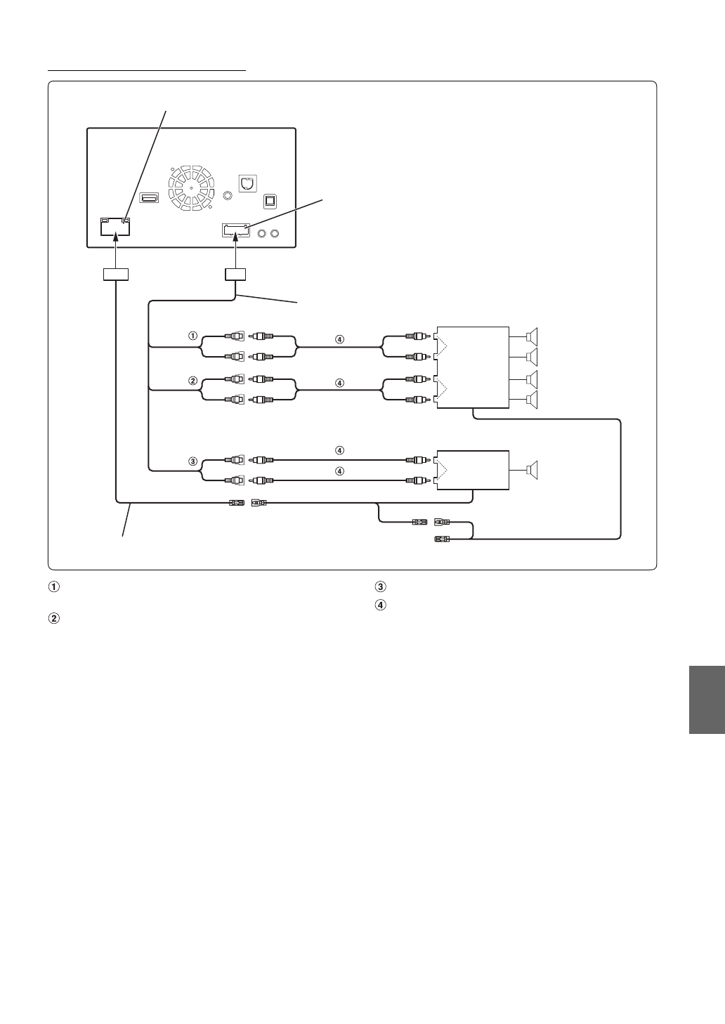
Подключение внешнего усилителя
Фронтальные выходные разъемы RCA
КРАСНЫЙ— для правого, БЕЛЫЙ— для левого.
Тыловые выходные разъемы RCA
КРАСНЫЙ— для правого, БЕЛЫЙ— для левого.
Разъем RCA сабвуфера
Кабельный RCA-удлинитель (приобретается
дополнительно)
Разъем CAMERA/AUX/PRE OUT
Разъем источника питания
Кабель CAMERA/AUX/PRE OUT
(Красный)
(Белый)
4-х канальный усилитель
(приобретается дополнительно)
Вход
Вход
Фронтальный
динамик
Тыловой динамик
REMOTE TURN-ON
(Синий/Белый)
Кабель питания
Усилитель для сабвуфера
(приобретается дополнительно)
Вход
Сабвуфер
(Красный)
(Белый)
REMOTE ON
(Синий/Белый)
REMOTE ON
(Синий/Белый)
(Красный)
(Белый)
Содержание
- 3 РУССКИЙ; Содержание
- 4 Настройка; Операция настройки
- 5 Работа с устройствами BLUETOOTH; Функция телефона “Свободные руки”; Дополнительное устройство
- 7 Инструкция по эксплуатации; Пункты по обеспечению; ПРЕДУПРЕЖДЕНИЕ; ПРЕДУПРЕЖДЕНИЕ
- 8 НЕ РАЗБИРАТЬ И НЕ ИЗМЕНЯТЬ.; ВНИМАНИЕ
- 9 ПРИМЕЧАНИЕ
- 11 DualDisc; Советы по созданию собственных дисков; ALL
- 12 Терминология для дисков; Заголовок; Эксплуатация USB-накопителей
- 14 Комплектация
- 15 Вставьте диск лицевой стороной вверх.; Нажмите кнопку; Настройка уровня громкости; Отрегулируйте уровень громкости, нажимая; Загрузка диска
- 16 Переключение источников; О кнопке “Настройка звука”; Экран “Настройка звука”; Управление касанием; Функция отключения экрана
- 17 Основные сенсорные кнопки; Выбор пункта в списке; Коснитесь экрана и проведите пальцем вверх и вниз.; Об индикаторном дисплее
- 18 Пример основного экрана радио; Прослушивание радио; Радио
- 19 Пример дисплея с информацией RDS; RDS
- 20 Отображение радиотекста
- 21 Воспроизведение; Повторное воспроизведение; ] в нижнем баннере во время; во время воспроизведения.
- 22 Поиск из текста CD
- 23 Терминология
- 24 Отображение экрана работы DVD; Воспроизведение диска; DVD
- 25 Нажмите нужную цифру.; В случае отображения экрана меню
- 26 Остановка воспроизведения; Перемотка вперед/назад
- 28 Переключение угла просмотра; Выбор языка звуковой дорожки; Поддерживаемые носители; Соответствующее расширение; Аудиокодек
- 29 Выберите требуемый пункт.; Настройка “Язык”; Настройка прокручивания; Настройки формата
- 30 Настройки экрана/подсветки; Настройка Защитный код
- 31 Пример основного экрана настройки фона; Изменение фонового изображения; Визуальные настройка; Выберите необходимый пункт.
- 32 Отображение кода регистрации; Отображение кода отмены регистрации
- 33 Настройка установки; Операции Настройка звука; Настройка звука
- 34 Звук в вашем автомобиле
- 35 Настройка Quick Sound; Настройка уровня Bass/Treble
- 36 Вызов значения параметра Time Correction; Настройка уровня BASS ENGINE
- 38 Настройка уровня; Настройка ширины полосы частот; Другая параметр; Настройка Defeat; Настройка громкости
- 41 Настройка источника
- 42 Настройка Диск; Настройка языка меню DVD
- 43 Изменение пароля; Настройка Radio; Изменение режима настроек экрана ТВ
- 44 Настройка AUX; Настройка второго имени источника AUX; Настройка режима AUX
- 45 Настройка RSE; Настройка системы “Rear Seat Entertainment”; BLUETOOTH Setup
- 46 Настройка пароля
- 48 Настройка AUX Камера; Настройка входного сигнала AUX Камера; Выберите параметр, который нужно настроить.; Настройка Камера; Настройка входа Камера
- 51 Настройка перед использованием; Пример экрана меню телефона; О BLUETOOTH
- 52 Настройка громкости звукового сигнала
- 53 Набор номера из телефонной книги
- 54 Функция телефонной книги; Пример экрана телефонной книги; Отключение звука речевого сигнала
- 55 Удаление записей из телефонной книги
- 56 Функция ожидания вызова; Прием вызовов во время телефонного разговора; Переключение вызовов; Аудио BLUETOOTH
- 57 время воспроизведения.
- 59 Пример экрана внешнего DVD-проигрывателя; Пример экрана режима управления меню
- 60 Об операционном экране DVB-T
- 61 Использование ТV приемника; Переключение в режим TV
- 62 Запуск программы TuneIt App; Запустите программу TuneIt App на смартфоне.; Функция сообщений в Facebook; Пример экрана аудио/видео с сообщением
- 64 Проверка вида с задней камеры
- 66 Поиск нужной композиции; Поиск по тегу
- 68 Режим аудио
- 69 Поиск аудиофайла
- 70 Поиск нужного видеофайла; Примеры выполнения поиска в режиме видеопоиска; Функция пропуска по алфавиту
- 72 О дисках DVD; Информация
- 77 Если отображается сообщение
- 79 Технические характеристики
- 80 НЕ ЯВЛЯЕТСЯ ОТКАЗОУСТОЙЧИВЫМ.; CLASS 1
- 83 РЕГУЛИРУЮЩЕЕ ЗАКОНОДАТЕЛЬСТВО
- 84 Установка и подключение; Предупреждение; ВЫПОЛНЯЙТЕ ПРАВИЛЬНЫЕ ПОДКЛЮЧЕНИЯ.; Меры предосторожности
- 85 Установка; Монтаж антенны GPS внутри автомобиля
- 86 Снятие
- 88 Соединения
- 90 Пример системы; Подключение iPod/iPhone с разъемом Lightning или USB-накопителя
- 91 Подключение внешнего устройства