Магнитолы Alpine INE-W928R - инструкция пользователя по применению, эксплуатации и установке на русском языке. Мы надеемся, она поможет вам решить возникшие у вас вопросы при эксплуатации техники.
Если остались вопросы, задайте их в комментариях после инструкции.
"Загружаем инструкцию", означает, что нужно подождать пока файл загрузится и можно будет его читать онлайн. Некоторые инструкции очень большие и время их появления зависит от вашей скорости интернета.

100
-RU
Для INE-W928R
*
1
В настоящее время камера TOPVIEW не используется.
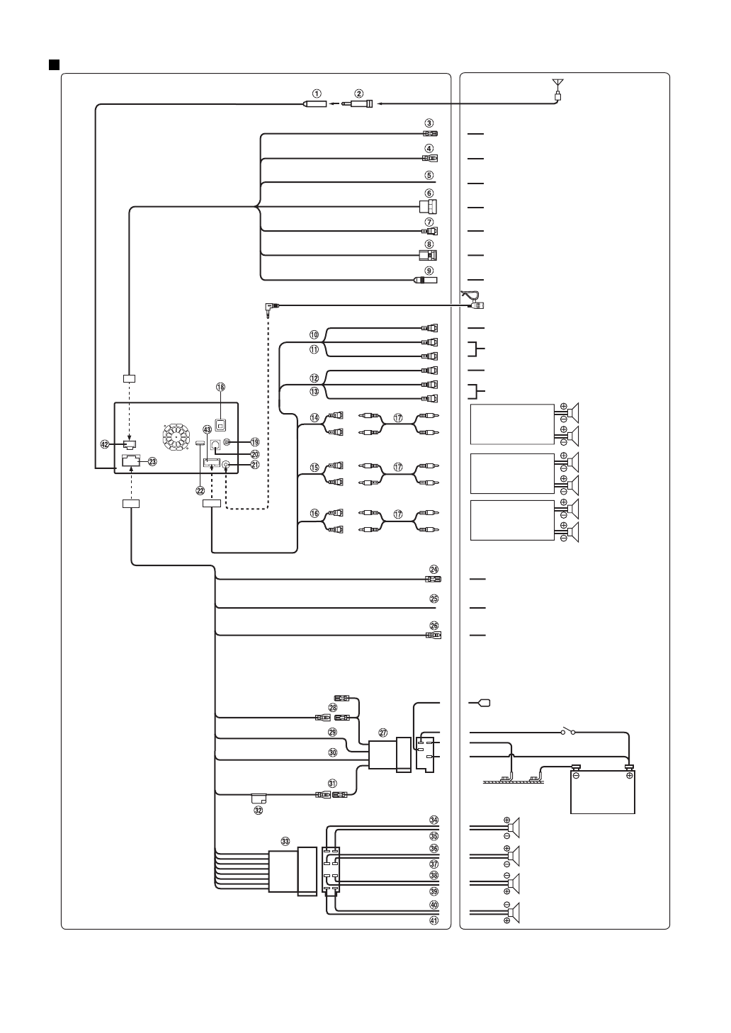
К выходному проводу ДУ
К линии приостановки
скорости автомобиля
(Коричневый)
(Зеленый/Белый)
(Синий/Белый)
(Синий)
(Желтый/Синий)
(Желтый)
(Черный)
К усилителю или эквалайзеру
Тыловой левый
REMOTE IN
SPEED SENSOR
CAMERA1
REMOTE TURN-ON
POWER ANT
PARKING BRAKE
BATTERY
GND
Антенный ISO-разъем
IGNITION
(Красный)
К входному проводу ДУ
К питанию антенны
К сигнальному проводу
стояночного тормоза
Батарея
(Зеленый/Черный)
Замок зажигания
(Желтый)
(Красный)
(Белый)
(Желтый)
(Красный)
(Белый)
Сабвуфер
Сабвуфер
Сабвуфер
Тыловой
левый
Тыловой
правый
Фронт. левый
Фронт. правый
Усилитель
К передней камере/
камере заднего вида
К разъемам аудиовхода
(R, L)
К разъемам аудиовыхода
(R, L)
К разъему видеовхода
К разъему видеовыхода
(Коричневый)
REMOTE OUT
CAMERA2
CAMERA SW
К задней камере/другого вида
Разъем переключателя камеры
TOPVIEW
*
1
Микрофон (в комплекте)
(Зеленый)
Фронтальный левый
Фронтальный правый
Тыловой правый
(Белый/Черный)
(Белый)
(Серый)
(Серый/Черный)
(Фиолетовый)
(Фиолетовый/Черный)
Динамики
Антенна
К плюсовой клемме
сигнального провода лампочки
заднего хода автомобиля
(Оранжевый/Белый)
REVERSE
К блоку интерфейсу рулевого
пульта ДУ
Содержание
- 3 РУССКИЙ; Содержание; МЕРЫ ПРЕДОСТОРОЖНОСТИ; Общие функции
- 4 Операция настройки
- 6 Настройка камеры; Работа с устройствами BLUETOOTH; Функция телефона Hands-Free; Дополнительное устройство
- 8 Инструкция по эксплуатации; ВАЖНАЯ ИНФОРМАЦИЯ, ПЕРЕД; МЕРЫ; ПРЕДУПРЕЖДЕНИЕ
- 9 НЕ РАЗБИРАТЬ И НЕ ИЗМЕНЯТЬ.; ВНИМАНИЕ
- 10 ПРИМЕЧАНИЕ
- 11 Принадлежности для дисков; Диски, воспроизводимые; Воспроизводимые диски
- 12 ALL
- 13 Терминология дисков; Обращение с USB-накопителями
- 15 Свойства
- 16 О двойном экране
- 17 Положение отображения двойного экрана
- 18 Приступая к работе
- 19 Включение системы
- 20 Загрузка/извлечение диска; Настройка уровня громкости; Загрузка диска
- 23 Использование My Favorites; Регистрация пользователя
- 24 Настройка My Favorites; Добавление My Favorites
- 25 Редактирование My Favorites
- 26 Настройка i-Personalize
- 28 Переключение источников; Переключение отображения; Функция отключения экрана
- 29 Управление касанием; Выбор пункта в списке; О дисплее индикатора
- 30 Прослушивание радио; Автоматическая предварительная; Вызов предварительно; Радио
- 31 Прием информации о ситуации; RDS
- 33 Воспроизведение; Повторное воспроизведение
- 34 Поиск из текста CD
- 36 Воспроизведение диска; DVD
- 37 В случае отображения экрана меню
- 39 Поиск нужного видеофайла
- 40 Переключение угла просмотра; Выбор языка звуковой дорожки
- 41 Настройка языка; Настройка; Настройки формата
- 42 Настройки экрана/подсветки; Настройка кода безопасности; Настройка подсветки дисплея
- 43 Визуальная настройка; Изменение цвета дисплея
- 45 Настройка установки; Операции настройки звука; Инициализация системы; Настройка звука
- 46 Настройка уровня MX (Media; Настройка баланса/фейдера; Настройка фазы сабвуфера
- 47 Предварительные настройки; Настройка кривой
- 52 Настройка диска; Настройка источника; Изменение настроек языка
- 53 Настройка языка субтитров; Изменение режима настроек экрана ТВ
- 54 Настройка радио; Настройка Поиска PI
- 55 Настройка AUX; Настройка RSE; Настройка режима AUX; Настройка AUX3
- 56 Операция настройки BLUETOOTH; Настройка BLUETOOTH
- 57 Настройка автоподключения
- 58 Настройка громкости приема
- 59 Операции настройки камеры; Настройка камеры прямого; Настройка входа камеры
- 60 Настройка камеры Aux
- 62 Настройка перед использованием; Работа с; О BLUETOOTH
- 63 Прием вызова; Настройка громкости рингтона
- 64 Функция повторного набора
- 65 Функция телефонной книги; Согласование телефонной книги
- 66 Аудио BLUETOOTH
- 67 Выбор группы
- 68 Работа внешнего DVD-плеера; Дополнительное
- 70 Работа ТВ приемника; Переключение в режим TV
- 72 Работа камеры заднего вида
- 74 Работа передней камеры
- 75 Работа камеры другого типа
- 77 Воспроизведение в случайном; Поиск по тегу
- 78 Выбор нужной папки
- 80 Поиск аудиофайла
- 82 О дисках DVD; Информация
- 89 Технические характеристики
- 90 НЕ ЯВЛЯЕТСЯ ОТКАЗОУСТОЙЧИВЫМ.; CLASS 1
- 93 РЕГУЛИРУЮЩЕЕ ЗАКОНОДАТЕЛЬСТВО
- 94 Установка и соединения; Предупреждение
- 98 Соединения
- 102 Пример системы