Магнитолы Alpine iDE-178BT - инструкция пользователя по применению, эксплуатации и установке на русском языке. Мы надеемся, она поможет вам решить возникшие у вас вопросы при эксплуатации техники.
Если остались вопросы, задайте их в комментариях после инструкции.
"Загружаем инструкцию", означает, что нужно подождать пока файл загрузится и можно будет его читать онлайн. Некоторые инструкции очень большие и время их появления зависит от вашей скорости интернета.

59
-RU
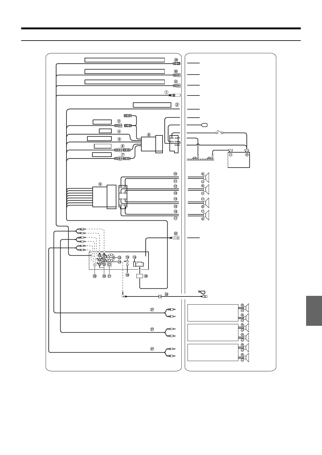
Соединения
ADAPTIVE STEERING REMOTE G.GND
ADAPTIVE STEERING REMOTE CONTROL IN1
ADAPTIVE STEERING REMOTE CONTROL IN2
REMOTE TURN-ON
IGNITION
GND
POWER ANT
DIMMER
BATTERY
К усилител
ю
или эквалай
з
еру
Усилитель
Усилитель
Усилитель
(Черный)
К блоку интерфейса а
д
аптивного
д
истанционного рулевого управления
(Коричне
в
ый/Желтый)
К блоку интерфейса а
д
аптивного
д
истанционного рулевого управления
(Коричне
в
ый/Оранже
в
ый)
К блоку интерфейса а
д
аптивного
д
истанционного рулевого управления
(Черный)
Переносной проигрыватель или
д
р.
(Синий/Белый)
К выво
д
у по
д
светки приборной панели
К питани
ю
антенны
(Красный)
(Черный)
Кл
ю
ч
з
амка
з
ажигания
(Синий)
(Оранже
в
ый)
(Желтый)
Батарея
Динамики
(Зеленый)
За
д
ний левый
(Зеленый/Черный)
(Белый)
Пере
д
ний левый
(Белый/Черный)
(Серый/Черный)
Пере
д
ний правый
(Серый)
(Фиолето
в
ый/Черный)
За
д
ний правый
(Фиолето
в
ый)
К USB-накопител
ю
или устройству
iPod/iPhone
Микрофон
(только
д
ля CDE-178BT/iDE-178BT)
Пере
д
ний
левый
Пере
д
ний
правый
За
д
ний
левый
За
д
ний
правый
Сабвуферы
Содержание
- 4 Другие функции
- 6 Информация; Установка и соединения
- 7 Руководство по использованию
- 9 О носителях, которые можно проигрывать; ОСТОРОЖНО
- 11 Выбор источника; SOURCE; Снятие и установка передней панели; Примечания; Приступая к работе; Снятие
- 12 Первоначальный запуск системы; Настройка времени и календаря
- 13 Прослушивание радио; Функция поиска частоты; Радио
- 14 RDS
- 15 Настройка PI SEEK; Прием информации о трафике
- 17 Воспроизведение; Повторное воспроизведение
- 18 Поиск по памяти; Режим поиска имени папки
- 20 Несколько раз нажмите; Поворачивая; Терминология; Настройка звука
- 21 Настройка диапазона; Регулировка уровня
- 22 Дополнительные элементы настройки:; Подключение к внешнему усилителю; Внешнее устройство
- 23 Настройка функции SPATIAL
- 24 Регулировка крутизны фильтра; кнопок предварительной; кнопок предварительной настройки (от 1; О временной коррекции; Пример 1: переднее левое сиденье
- 25 Таблица значений временных поправок; Пример 2: все сиденья
- 27 Отображение текста; Нажмите
- 28 Об отображении индикаторов; Об атрибуте “Текст”
- 29 Настройка меню параметров; Установка избранного источника
- 30 Использование приложения TuneIt; Получив уведомление от Facebook, нажмите кнопку; Настройка звука с помощью смартфона
- 31 Меню SETUP
- 32 Автоматическая настройка времени; Настройка языка меню; Настройка режима AUX SETUP; Настройка режима AUX NAME; Режим General
- 33 Демонстрация; Выберите назначенную функцию, поворачивая
- 34 Режим Display
- 35 Настройка функции пропуска USB; Настройка режима поиска iPod/iPhone
- 36 Настройка перед использованием; О BLUETOOTH
- 37 НАСТРОЙКА BLUETOOTH; Настройка устройства BLUETOOTH
- 38 Поворачивайте; Настройка Visible Mode
- 39 Дополнительное содержимое настройки:; Выбор динамика для вывода сигнала
- 40 Функция телефона Hands-Free; О функции телефона Hands-Free
- 41 Набор номера из журнала входящих вызовов; Набор номера из телефонной книги; Осуществление вызова
- 42 Функция ожидания вызова
- 43 Использование Bluetooth Audio; Операция переключения вызовов
- 45 Поиск нужной композиции; Выбор папки
- 46 Настройка управления iPod
- 47 Функция прямого поиска; В данном режиме поиска нажмите любую из
- 48 Функция поиска по алфавиту
- 49 Прослушивание vTuner; Переход к избранной станции; Удаление станции из списка избранного; Поиск нужной станции
- 50 При возникновении трудностей; Основные функции
- 51 Звук; Protect
- 52 Индикатор USB-накопителя
- 53 Режим BLUETOOTH; See Device
- 54 Технические характеристики
- 55 ВЫПОЛНЯЙТЕ ПРАВИЛЬНЫЕ ПОДКЛЮЧЕНИЯ.
- 56 МЕРЫ ПРЕДОСТОРОЖНОСТИ; Установка
- 57 Снимите съемную переднюю панель.; Отключение устройства iPod/iPhone; Демонтаж
- 58 Подключите USB-накопитель; Удалите USB-накопитель; Нажмите кнопку
- 59 Соединения
- 61 Declaration of Conformity