Магнитолы Alpine iDA-X311 (RR) - инструкция пользователя по применению, эксплуатации и установке на русском языке. Мы надеемся, она поможет вам решить возникшие у вас вопросы при эксплуатации техники.
Если остались вопросы, задайте их в комментариях после инструкции.
"Загружаем инструкцию", означает, что нужно подождать пока файл загрузится и можно будет его читать онлайн. Некоторые инструкции очень большие и время их появления зависит от вашей скорости интернета.

39
-RU
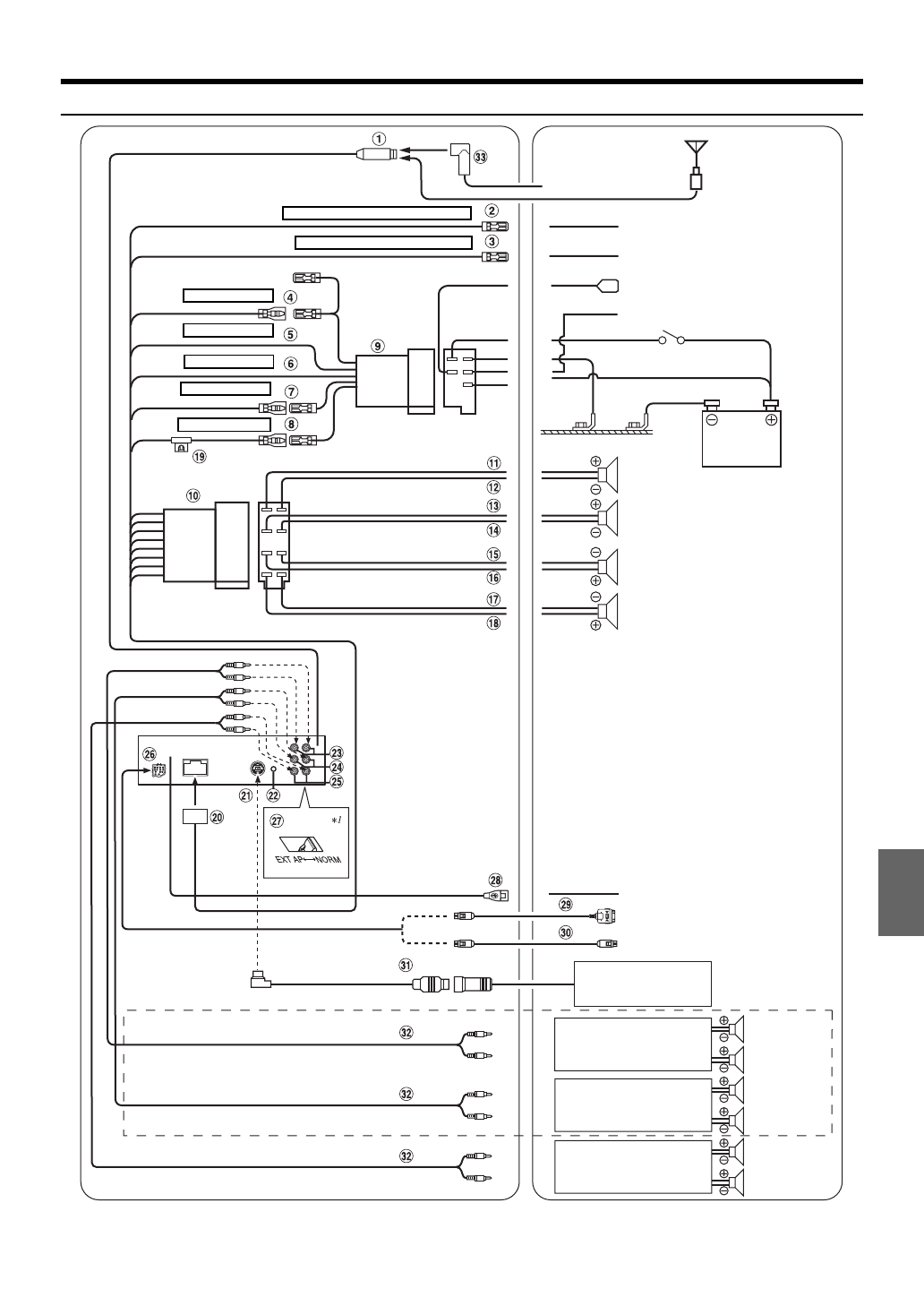
Соединения
CD-чейнджер
(продается отдельно)
Усилитель
(продается отдельно)
Динамики
Задний левый
Передний левый
Задний правый
Передний правый
(Зеленый)
(Белый)
(Зеленый/черный)
(Фиолетовый/черный)
(Фиолетовый)
(Серый)
(Серый/черный)
(Белый/черный)
Антенна
Антенный
JASO-разъем
К усилителю или эквалайзеру
К телефону автомобиля
Ключ замка зажигания
Батарея
К выводу подсветки
приборной панели
(Синий/белый)
УДАЛЕННОЕ ВКЛЮЧЕНИЕ
(Розовый/черный)
ВХОДНОЙ ПРЕРЫВАТЕЛЬ ЗВУКА
Антенный ISO-
разъем
К питанию антенны
(Красный)
ЗАЖИГАНИЕ
(Черный)
Заземление
(Синий)
ПИТАНИЕ АНТЕННЫ
РЕГУЛЯТОР ЯРКОСТИ
(Оранже-
вый)
БАТАРЕЯ
К iPod (только iDA-X311/iDA-X311RR)
К USB-накопителю/
переносному аудиоплееру
*
2
/
iPhone
*
2
/iPod
(Желтый)
Динамики
Усилитель
(продается отдельно)
Задний
левый
Передний
левый
Задний
правый
Передний
правый
Низкочастотные динамики
Усилитель
(продается отдельно)
iDA-X313:
iDA-X311/iDA-X311RR:
Только iDA-X313
Передний или низкочастотный
динамик/Front or Subwoofer
*
3
К интерфейсному модулю BLUETOOTH
INTERFACE (KCE-400BT) (продается отдельно)
или
*
1
Переключатель системы находится на днище устройства.
*
2
Только iDA-X313.
*
3
Когда низкочастотный динамик выключен (OFF): выход передних динамиков. Когда низкочастотный динамик включен (ON): выход низкочастотного динамика.
Подробную информацию по включению/отключению низкочастотных динамиков см. в разделе “Включение/отключение режима Subwoofer (ON/OFF)” на стр. 20.
Содержание
- 3 РУССКИЙ; Содержание; ПРЕДУПРЕЖДЕНИЕ
- 4 Настройка BLUETOOTH; Работа с процессором IMPRINT; Установка и соединения
- 5 Руководство по использованию; МЕРЫ
- 6 Обращение с USB-накопителями
- 8 Список компонентов; Включение и выключение питания; Снятие и установка передней панели; Настройка уровня громкости; Приступая к работе
- 9 Прослушивание радио; Предварительная настройка; Радио
- 10 Установка режима приема RDS и; Режим PI SEEK; RDS
- 11 Прием информации о трафике
- 14 Функция пропуска указанного; Функция пропуска по алфавиту; Используя эту функцию на устройстве iDA-X313
- 15 Поиск по памяти; Повторное воспроизведение; Изменение содержимого экрана
- 16 Воспроизведение
- 18 Поиск нужной композиции
- 19 Поиск по именам файлов/папок
- 21 Терминология
- 22 Настройка сабвуфера/системы; Настройка звука; Настройка сабвуфера
- 23 Настройка регулировки низких частот; зкий; Настройка фильтра высоких частот
- 24 Меню SETUP
- 27 Настройка режима MultEQ; Настройка iPod
- 29 Настройка кривой графического эквалайзера; Настройка акустического поля
- 32 Временная коррекция
- 34 При возникновении трудностей; Информация; Основные функции
- 35 Звук
- 37 Спецификация
- 38 Предупреждение
- 39 Установка
- 41 Соединения
Характеристики
Остались вопросы?Не нашли свой ответ в руководстве или возникли другие проблемы? Задайте свой вопрос в форме ниже с подробным описанием вашей ситуации, чтобы другие люди и специалисты смогли дать на него ответ. Если вы знаете как решить проблему другого человека, пожалуйста, подскажите ему :)