Магнитолы Alpine DVE-5207 - инструкция пользователя по применению, эксплуатации и установке на русском языке. Мы надеемся, она поможет вам решить возникшие у вас вопросы при эксплуатации техники.
Если остались вопросы, задайте их в комментариях после инструкции.
"Загружаем инструкцию", означает, что нужно подождать пока файл загрузится и можно будет его читать онлайн. Некоторые инструкции очень большие и время их появления зависит от вашей скорости интернета.

56
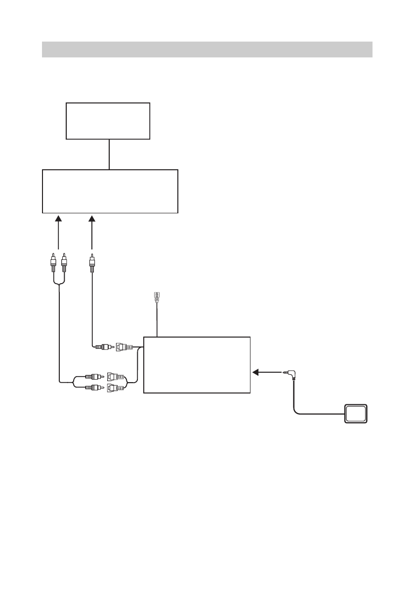
Ïîäñîåäèíåíèå òåëåâèçèîííîãî ìîíèòîðà äðóãîãî ïðîèçâîäèòåëÿ
ÒÂ ìîíèòîð
(ïðèîáðåòàåòñÿ
äîïîëíèòåëüíî)
Òåðìèíàë äîïî
ëíèòå
ëüíîã
î àó
äèî
âõ
îäà (AUX1)
R
C
A
ê
à
áå
ëü-ó
äëèíèò
åëü (ïðèëàã
à
åòñ
ÿ)
Òåðìèíàë
äîïîëíèòåëüíîãî
âèäåî âõîäà (AUX1)
Âõîäíîé ïðîâîä
ÄÓ (Áåëûé /
Êîðè÷íåâûé)
Âûõîäíîé
âèäåî ðàçúåì
DVD-
ïðîèãðûâàòåëü
DVÅ-5207
Âûõîäíîé
àóäèî ðàçúåì
RCA
êàáåëü-
óäëèíèòåëü
(ïðèëàãàåòñÿ)
Ãíåçäî ãëàçêà ÄÓ
Ãëàçîê ÄÓ
(ïðèîáð. äîïîëí.)
Íå èñïîëüçóåòñÿ
ÒÂ òþíåð
(ïðèîá. äîïîëí.)
•
Äëÿ äàííîé ñõåìû ïîäñîåäèíåíèé íåîáõîäèì ãëàçîê ÄÓ.
•
Òàêæå îçíàêîìüòåñü ñ ñîîòâåòñòâóþùèìè ðàçäåëàìè èíñòðóêöèé ïî ýêñïëóàòàöèè
îñòàëüíûõ êîìïîíåíòîâ âàøåé ñèñòåìû.
•
 ñëó÷àå ïîäñîåäèíåíèÿ Ò ìîíèòîðà äðóãîãî ïðîèçâîäèòåëÿ âõîäíîé ïðîâîä ÄÓ
(Áåëûé / Êîðè÷íåâûé) íå èñïîëüçóåòñÿ.