Магнитолы Alpine DVA-9861Ri - инструкция пользователя по применению, эксплуатации и установке на русском языке. Мы надеемся, она поможет вам решить возникшие у вас вопросы при эксплуатации техники.
Если остались вопросы, задайте их в комментариях после инструкции.
"Загружаем инструкцию", означает, что нужно подождать пока файл загрузится и можно будет его читать онлайн. Некоторые инструкции очень большие и время их появления зависит от вашей скорости интернета.

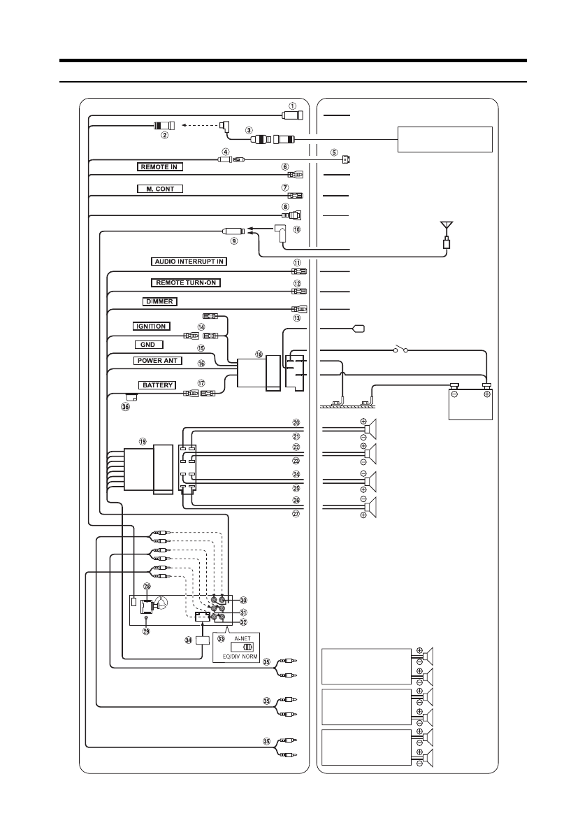
Ïîäñîåäèíåíèÿ
(Ðîçîâûé/
×åðíûé)
(Ñèíèé/
Áåëûé)
(Îðàí-
æåâûé)
(Êðàñ-
íûé)
(Ñèíèé)
(Æåëòûé)
(×åðíûé)
Àíòåííà
Àíòåííûé
ISO
øòåêåð
À í ò å í í û é
JASO øòåêåð
Ê ðàäèî òåëåôîíó
Ê óñèëèòåëþ èëè ýêâàëàéçåðó
Ê àâòîìàòè÷åñêîé àíòåííå
Ê ïðîâîäó ïîäñâåòêè
ïðèáîðîâ
Çàìîê çàæèãàíèÿ
Àêêóì.
áàòàðåÿ
(Çåëåíûé)
(Çåëåíûé/×åðíûé)
(Áåëûé / ×åðíûé)
(Áåëûé)
(Ñåðûé)
(Ñåðûé /×åðíûé)
(Ôèîëåòîâûé/×åðíûé)
(Ôèîëåòîâûé)
Òûëîâîé ëåâûé
Ôðîíòàëüíûé ëåâûé
Ôðîíòàëüíûé ïðàâûé
Òûëîâîé ïðàâûé
Äèíàìèêè
Óñèëèòåëü
Óñèëèòåëü
Óñèëèòåëü
Òûë. ëåâûé
Òûë. ïðàâûé
Ôðîíò. ëåâûé
Ôðîíò. ïðàâûé
Ñàáâóôåðû
Äèíàìèêè
CD-÷åéíäæåð
(ïðèîáð. äîïîëí.)
Ê è í ò å ð ô å é ñ ó à â ò î ì î á .
äèñïëåÿ
Ê iPod-ïëååðó
Ê ïðîâîäó óïðàâëåíèÿ
ìîíèòîðîì
Ê âûõîäíîìó ïðîâîäó ÄÓ
Ê òåðìèíàëó
âèäåîâõîäà
(Áåëûé/
Êîðè÷íåâûé)
(Áåëûé/
Ðîçîâûé)
119



