Магнитолы Alpine DVA-9860R - инструкция пользователя по применению, эксплуатации и установке на русском языке. Мы надеемся, она поможет вам решить возникшие у вас вопросы при эксплуатации техники.
Если остались вопросы, задайте их в комментариях после инструкции.
"Загружаем инструкцию", означает, что нужно подождать пока файл загрузится и можно будет его читать онлайн. Некоторые инструкции очень большие и время их появления зависит от вашей скорости интернета.

104
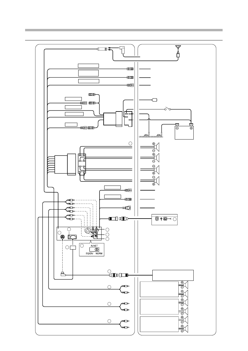
Ïîäñîåäèíåíèÿ
Óñòàíîâêà è ïîäñîåäèíåíèÿ
(Ðîçîâûé/×åðíûé)
(Ñèíèé/Áåëûé)
ÂÕÎÄ ÀÓÄÈÎ
ÏÐÅÐÛÂ.
ÄÈÑÒÀÍÖ. ÂÊË.
(Îðàíæåâûé)
Ï Î Ä Ñ Â . Ä È Ñ Ï Ë Å ß
(Êðàñíûé)
ÇÀÆÈÃÀÍÈÅ
(Ñèíèé)
ÀÂÒ. ÀÍÒÅÍÍÀ
(Æåëòûé)
ÀÊÊÓÌ
.
(×åðíûé)
ÌÀÑÑÀ
Àíòåííà
Àíòåííûé ISO
øòåêåð
Àíòåííûé JASO
øòåêåð
Ê ðàäèî òåëåôîíó
Ê óñèëèòåëþ èëè ýêâàëàéçåðó
Ê àâòîìàòè÷åñêîé àíòåííå
Ê ïðîâîäó ïîäñâåòêè
ïðèáîðîâ
Çàìîê çàæèãàíèÿ
Àêêóì.
áàòàðåÿ
Çåëåíûé
Çåëåí./×åðíûé
Áåëûé / ×åðíûé
Áåëûé
Ñåðûé
Ñåðûé /×åðíûé
Ôèîëåò./×åðíûé
Ôèîëåòîâûé
Òûëîâîé ëåâûé
Ôðîíòàëüíûé ëåâûé
Ôðîíòàëüíûé ïðàâûé
Òûëîâîé ïðàâûé
Äèíàìèêè
Ê ïðîâîäó óïðàâëåíèÿ
ìîíèòîðîì
Ê âûõîäíîìó ïðîâîäó ÄÓ
Ê òåðìèíàëó âèäåîâõîäà
Âíåøíÿÿ ñîåäè-
í è ò å ë ü í à ÿ ê î -
ðîáêà
ÂÕÎÄ ÄÓ
ÓÏÐ. ÌÎÍÈÒ.
Áåëûé/Êîðè÷í.
Áåëûé/Ðîçîâûé
Óñèëèòåëü
CD-÷åéíäæåð
(ïðèîáð. äîïîëí.)
Óñèëèòåëü
Óñèëèòåëü
Òûë. ëåâûé
Òûë. ïðàâûé
Ôðîíò. ëåâûé
Ôðîíò. ïðàâûé
Ñàáâóôåðû
Äèíàìèêè
1
2
3
4
5
6
7
8
9
0
=
~
11
!
@
#
$
%
^
&
*
(
)
_ +
26
27
28
29
30
31
32
33
34
35
35
35