Магнитолы Alpine CDE-9882RSi - инструкция пользователя по применению, эксплуатации и установке на русском языке. Мы надеемся, она поможет вам решить возникшие у вас вопросы при эксплуатации техники.
Если остались вопросы, задайте их в комментариях после инструкции.
"Загружаем инструкцию", означает, что нужно подождать пока файл загрузится и можно будет его читать онлайн. Некоторые инструкции очень большие и время их появления зависит от вашей скорости интернета.

30
-RU
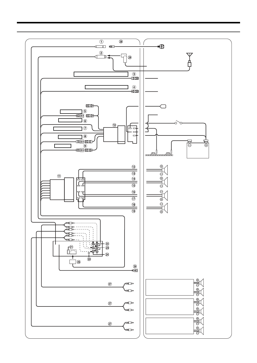
Соединения
Антенна
(Розовый/черный)
ВХОДНОЙ ПРЕРЫВАТЕЛЬ ЗВУКА
(Синий/белый)
УДАЛЕННОЕ
ВКЛЮЧЕНИЕ
(Оранжевый)
Регулятор
яркости
(Красный)
ЗАЖИГАНИЕ
(Черный)
ЗАЗЕМЛЕНИЕ
(Синий)
ПИТАНИЕ
АНТЕННЫ
БАТАРЕЯ
(Зеленый)
(Зеленый/черный)
(Серый/черный)
(Белый/черный)
(Серый)
(Фиолетовый/черный)
(Фиолетовый)
Антенный
JASO-разъем
Антенный ISO-разъем
К телефону автомобиля
К усилителю или эквалайзеру
К контакту освещения
инструментальной панели
К питанию антенны
Ключ замка зажигания
Батарея
Динамики
Задний левый
Передний левый
Передний правый
Задний правый
Усилитель
Задний
левый
(Белый)
(Желтый)
К iPod
Динамики
Усилитель
Передний
левый
Низкочастотн
ые динамики
Усилитель
Задний
правый
Передний
правый
Содержание
- 3 PYCСКИЙ; Содержание; Руководство по использованию; BLUETOOTH IN; Регулировка уровней сигналов; Настройка визуального представления
- 4 Информация; Установка и соединения
- 5 МЕРЫ ПРЕДОСТОРОЖНОСТИ; ПРЕДУПРЕЖДЕНИЕ
- 7 ОСТОРОЖНО
- 8 Список компонентов; Включение и выключение питания; Приступая к работе
- 9 Первоначальный запуск системы; Настройка уровня громкости
- 10 Прослушивание радио; Предварительная настройка станций вручную; Радио
- 11 RDS
- 13 Настройка приоритетов трансляции новостей; Воспроизведение
- 14 Многократное воспроизведение
- 15 Поиск по именам файлов/папок; Быстрый поиск
- 16 Терминология
- 17 Настройка регулировки нижних частот; Настройка звука; Настройка центральной низкой частоты
- 18 Настройка фильтра верхних частот; Настройка центральной высокой частоты
- 19 Отображение текста; Другие функции
- 20 Меню SETUP
- 21 Внешнее устройство
- 23 Поиск нужной композиции
- 24 Функция прямого поиска
- 26 При возникновении трудностей; Основные функции
- 27 Индикатор USB-накопителя; DEVICE ERROR; Индикаторы в режиме iPod; NO USB UNIT
- 28 Технические характеристики; CLASS 1
- 29 Предупреждение; ВЫПОЛНЯЙТЕ ПРАВИЛЬНЫЕ ПОДКЛЮЧЕНИЯ.; Осторожно
- 30 Установка
- 32 Соединения