Магнитолы Alpine CDE-9848RB - инструкция пользователя по применению, эксплуатации и установке на русском языке. Мы надеемся, она поможет вам решить возникшие у вас вопросы при эксплуатации техники.
Если остались вопросы, задайте их в комментариях после инструкции.
"Загружаем инструкцию", означает, что нужно подождать пока файл загрузится и можно будет его читать онлайн. Некоторые инструкции очень большие и время их появления зависит от вашей скорости интернета.

42
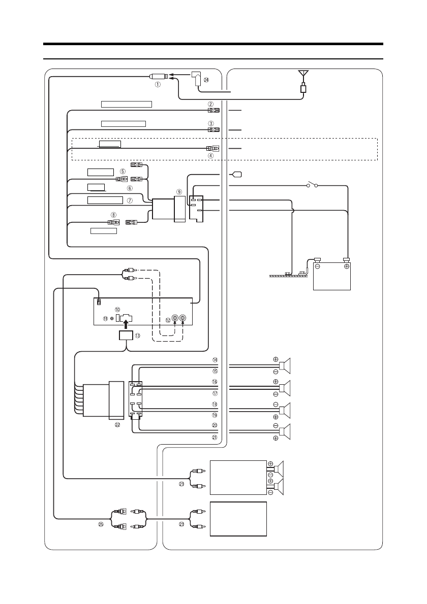
AUDIO INTERRUPT IN
REMOTE TURN-ON
DIMMER
(òîëüêî äëÿ CDE-9848RB)
Ðîçîâûé/÷åðíûé
Ñèíèé/áåëûé
Îðàíæåâûé
Êðàñíûé
×åðíûé
Ñèíèé
Æåëòûé
BATTERY
IGNITION
GND
POWER ANT
Àíòåííà
Àíòåííûé ISO øòåêåð
Àíòåííûé JASO øòåêåð
Ê ðàäèî òåëåôîíó
Ê óñèëèòåëþ èëè ýêâàëàéçåðó
Ê ïðîâîäó ïîäñâåòêè ïðèáîðîâ
Ê àâòîìàòè÷åñêîé àíòåííå
Çàìîê çàæèãàíèÿ
Àêêóìóëÿò.
áàòàðåÿ
Òûëîâîé ëåâûé
Äèíàìèêè
Ôðîíòàëüíûé ëåâûé
Ôðîíòàëüíûé ïðàâûé
Òûëîâîé ïðàâûé
Çåëåíûé
Áåëûé
Ñåðûé/×åðíûé
Ôèîëåò./×åðíûé
Çåëåíûé/×åðíûé
Áåëûé/×åðíûé
Ñåðûé
Ôèîëåòîâûé
Óñèëèòåëü
Ôðîíòàëüíûå äèíàìèêè èëè
ñàáâóôåðû
Ïîäñîåäèíåíèÿ
 í å ø í å å
óñòðîéñòâî
(Íàïðèìåð, ïîðòàòèâíûé
ïðîèãðûâàòåëü)