Магнитолы Alpine CDE-110UB - инструкция пользователя по применению, эксплуатации и установке на русском языке. Мы надеемся, она поможет вам решить возникшие у вас вопросы при эксплуатации техники.
Если остались вопросы, задайте их в комментариях после инструкции.
"Загружаем инструкцию", означает, что нужно подождать пока файл загрузится и можно будет его читать онлайн. Некоторые инструкции очень большие и время их появления зависит от вашей скорости интернета.

30
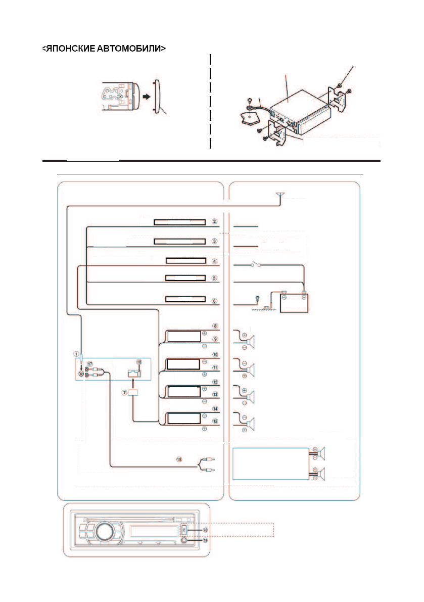
Ïîäñîåäèíåíèÿ
ÏÈÒÀÍÈÅ ÀÍÒÅÍÍÛ
Ãîëóáîé
ÓÄÀËÅÍÍÎÅ ÂÊËÞ×ÅÍÈÅ
Ãîëóáîé/
áåëûé
Òîëüêî äëÿ
CDE-100EUB
ÇÀÆÈÃÀÍÈÅ
Êðàñíûé
Æåëòûé
ÁÀÒÀÐÅß
ÇÀÇÅÌËÅÍÈÅ
×åðíûé
ÇÀÄÍÈÉ ÏÐÀÂÛÉ
ÄÈÍÀÌÈÊ
Ñåðûé
Ñåðûé/÷åðíûé
Ôèîëåòîâûé/÷åðíûé
Ôèîëåòîâûé
Çåëåíûé
Çåëåíûé/÷åðíûé
Áåëûé/÷åðíûé
Áåëûé
ÇÀÄÍÈÉ ËÅÂÛÉ
ÄÈÍÀÌÈÊ
ÏÅÐÅÄÍÈÉ ËÅÂÛÉ
ÄÈÍÀÌÈÊ
Àíòåííà
Ê ïèòàíèþ àíòåííû
Ê óñèëèòåëþ
Çàìîê çàæèãàíèÿ
Àêêóìóëÿòîð
Çàìîê çàæèãàíèÿ
Äèíàìèêè
Äèíàìèêè
Çàäíèé ïðàâûé
Çàäíèé ëåâûé
Ïåðåäíèé ïðàâûé
Ïåðåäíèé ëåâûé
Óñèëèòåëü
Çàäíèé
ëåâûé
Çàäíèé
ïðàâûé
Òîëüêî äëÿ
CDE-100EUB
ÏÅÐÅÄÍÈÉ ÏÐÀÂÛÉ
ÄÈÍÀÌÈÊ
Âàø àïïàðàò
Âèíòû (Ì5õ8)
(ïðèëàãàþòñÿ)
Âûâîä
çàçåìëåíèÿ * 3
Ìîíòàæíàÿ ðàìêà
Ïåðåäíÿÿ
ðàìêà