Магнитолы Alpine CDE-100EUB - инструкция пользователя по применению, эксплуатации и установке на русском языке. Мы надеемся, она поможет вам решить возникшие у вас вопросы при эксплуатации техники.
Если остались вопросы, задайте их в комментариях после инструкции.
"Загружаем инструкцию", означает, что нужно подождать пока файл загрузится и можно будет его читать онлайн. Некоторые инструкции очень большие и время их появления зависит от вашей скорости интернета.

30
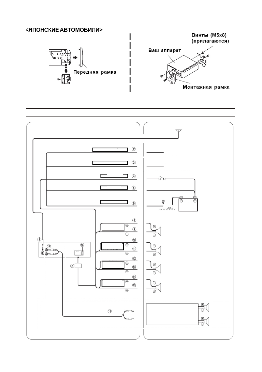
Подсоединения
ПИТАНИЕ АНТЕННЫ
Голубой
УДАЛЕННОЕ ВКЛЮЧЕНИЕ
Голубой/
белый
Только для
CDE-100EUB
ЗАЖИГАНИЕ
Красный
Желтый
БАТАРЕЯ
ЗАЗЕМЛЕНИЕ
Черный
ЗАДНИЙ ПРАВЫЙ
ДИНАМИК
Серый
Серый/черный
Фиолетовый/черный
Фиолетовый
Зеленый
Зеленый/черный
Белый/черный
Белый
ЗАДНИЙ ЛЕВЫЙ
ДИНАМИК
ЗАДНИЙ ЛЕВЫЙ
ДИНАМИК
Антенна
К питанию антенны
К усилителю
Замок зажигания
Аккумулятор
Замок зажигания
Динамики
Динамики
Задний левый
Передний левый
Передний правый
Передний левый
Усилитель
Передний
левый
Передний
правый
Только для
CDE-100EUB
ЗАДНИЙ ПРАВЫЙ
ДИНАМИК