Магнитолы Alpine CDA-137BTi - инструкция пользователя по применению, эксплуатации и установке на русском языке. Мы надеемся, она поможет вам решить возникшие у вас вопросы при эксплуатации техники.
Если остались вопросы, задайте их в комментариях после инструкции.
"Загружаем инструкцию", означает, что нужно подождать пока файл загрузится и можно будет его читать онлайн. Некоторые инструкции очень большие и время их появления зависит от вашей скорости интернета.

65
-RU
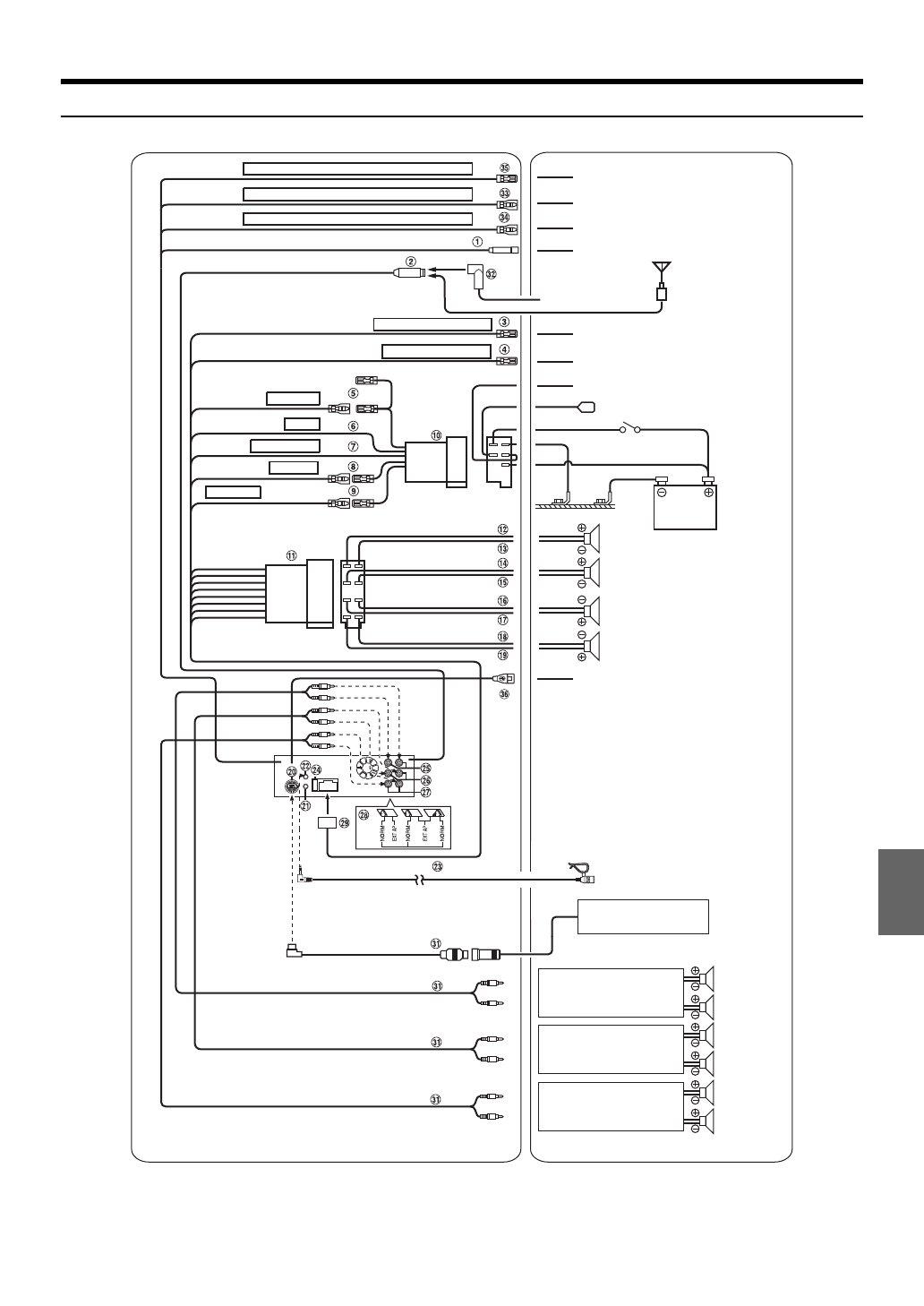
Соединения
*
Переключатель системы находится на нижней панели устройства.
ADAPTIVE STEERING REMOTE G.GND
ADAPTIVE STEERING REMOTE CONTROL IN1
ADAPTIVE STEERING REMOTE CONTROL IN2
AUDIO INTERRUPT IN
REMOTE TURN-ON
IGNITION
GND
POWER ANT
DIMMER
BATTERY
К усилител
ю
или эквалай
з
еру
Усилитель
Усилитель
Усилитель
(черный)
К блоку интерфейса а
д
аптивного
д
истанционного рулевого управления
(Коричне
в
ый/желтый)
К блоку интерфейса а
д
аптивного
д
истанционного рулевого управления
(Коричне
в
ый/оранже
в
ый)
К блоку интерфейса а
д
аптивного
д
истанционного рулевого управления
(черный)
К автомобильному экрану
Антенна
Антенный ISO-ра
з
ъем
Антенный JASO-ра
з
ъем
(розо
в
ый/черный)
К телефону автомобиля
(синий/белый)
К выво
д
у по
д
светки приборной панели
К питани
ю
антенны
(красный)
(черный)
Кл
ю
ч
з
амка
з
ажигания
(синий)
(оранже
в
ый)
(желтый)
Батарея
Динамики
(зеленый)
За
д
ний левый
(зеленый/черный)
(белый)
Пере
д
ний левый
(белый/черный)
(серый/черный)
Пере
д
ний правый
(серый)
(фиолето
в
ый/черный)
За
д
ний правый
(фиолето
в
ый)
К USB-накопител
ю
или устройству
iPod/iPhone
Микрофон
CD-чейн
д
жер
(приобретается
д
ополнительно)
Динамики
За
д
ний
левый
За
д
ний
правый
Пере
д
ний
левый
Пере
д
ний
правый
Сабвуферы
Содержание
- 4 Другие функции
- 6 Пульт дистанционного управления; Установка и соединения
- 7 Руководство по использованию; НЕ РАЗБИРАТЬ И НЕ ИЗМЕНЯТЬ.; ОСТОРОЖНО; Очистка продукта
- 9 О носителях, которые можно проигрывать
- 11 SOURCE; Выбор источника; SOURCE; Снятие и установка передней панели; Примечания; Приступая к работе; Снятие
- 12 Первоначальный запуск системы; Настройка регулировки подсветки
- 13 Прослушивание радио; Функция поиска частоты; Радио
- 14 Настройка PI SEEK; RDS
- 15 Автоматическая настройка времени; Прием информации о трафике
- 17 Воспроизведение; Повторное воспроизведение
- 18 Поиск по памяти; Режим поиска имени папки
- 20 Несколько раз нажмите; Терминология; Настройка звука
- 21 Настройка режима MX
- 22 Настройка фильтра высоких частот
- 23 Настройка кривой графического эквалайзера
- 24 Отображение текста; Нажмите
- 25 Отображение времени; Об отображении индикаторов; Об атрибуте “text”; Меню SETUP
- 26 Режим General
- 27 Подключение к внешнему усилителю; Настройка шрифтов; Демонстрация
- 28 Выберите назначенную функцию, поворачивая; Изменение цвета подсветки; Настройка уровня яркости; Настройка прокрутки текста; Режим Display
- 29 Изменение шрифта символов; Настройка режима поиска USB; Настройка функции пропуска USB; Режим Tuner
- 30 Настройка перед использованием; Поворачивая; О BLUETOOTH
- 31 НАСТРОЙКА BLUETOOTH; Настройка устройства BLUETOOTH
- 32 Поворачивайте; Дополнительные элементы настройки:; Настройка Visible Mode
- 33 Настройка языка меню BLUETOOTH
- 34 Функция телефона Hands-Free; О функции телефона Hands-Free
- 35 Набор номера из журнала входящих вызовов; Набор номера из телефонной книги
- 36 Функция ожидания вызова
- 37 Использование Bluetooth Audio; Операция переключения вызовов
- 38 Чтобы приостановить воспроизведение, нажмите
- 39 Поиск нужной композиции; Поиск по данным тега
- 40 Функция прямого поиска
- 41 Функция поиска по алфавиту; ABC SKIP
- 43 кнопок
- 45 Настройка режима MultEQ
- 47 Источники для применения параметра Media Xpander.; Настройка типа фильтра
- 48 Настройка акустического поля
- 49 Запись настроек акустического поля в память
- 50 О временной коррекции; Таблица значений временных поправок; Пример 1: переднее левое сиденье
- 56 Информация; Основные функции
- 57 Звук
- 60 Технические характеристики
- 61 Предупреждение; ВЫПОЛНЯЙТЕ ПРАВИЛЬНЫЕ ПОДКЛЮЧЕНИЯ.; Осторожно
- 62 Меры предосторожности; Установка
- 63 Снимите съемную переднюю панель.; Отключение устройства iPod/iPhone; Демонтаж
- 64 Установка микрофона
- 65 Соединения
- 67 Declaration of Conformity