Лодочные моторы Suzuki DT30RS - инструкция пользователя по применению, эксплуатации и установке на русском языке. Мы надеемся, она поможет вам решить возникшие у вас вопросы при эксплуатации техники.
Если остались вопросы, задайте их в комментариях после инструкции.
"Загружаем инструкцию", означает, что нужно подождать пока файл загрузится и можно будет его читать онлайн. Некоторые инструкции очень большие и время их появления зависит от вашей скорости интернета.

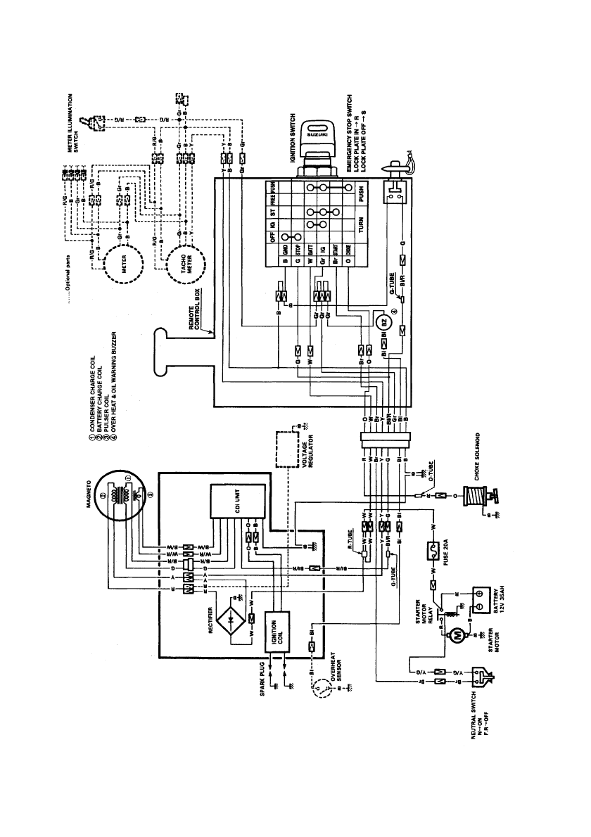
DT30R (REMOTE CONTROL MODEL)
B
. .
.
.
.
.
.
Blac
k
Bl
. .
.
.
.
.
.
Blue
B
r
. . . . . . .
B
row
n
G
. .
.
.
.
.
.
Green
G
r
. . . . . . .
G
ra
y
O
. .
.
.
.
.
.
Orang
e
R
. . . . . . .
R
e
d
W
. .
.
.
.
.
.
White
Y
. .
.
.
.
.
.
Y
ello
w
B/R
. .
.
.
.
.
.
Blac
k
with
Red
tracer
B/W
. .
.
.
.
.
.
Blac
k
with
White
tracer
Bl/R
. .
.
.
.
.
.
Blue
with
Red
tracer
R/G
. .
.
.
.
.
.
Red
with
Green
tracer
W/R
. .
.
.
.
.
.
White
with
Red
tracer
Y/G
. .
.
.
.
.
.
Y
ello
w
with
Green
tracer
WIRE COLOR
Содержание
- 6 БЕНЗИН
- 7 Моторное
- 9 WARNING
- 13 УСТАНОВКА; ТРЕБОВАНИЯ
- 15 ИСПОЛЬЗОВАНИЕ
- 16 Выбор; Установка
- 17 РЕГУЛИРОВКИ; Регулировка
- 19 Положение
- 22 ПРОВЕРКА
- 23 Процедура
- 24 ЭКСПЛУАТАЦИЯ
- 25 ЗАПУСК; Модель
- 28 Проверка
- 29 Аварийный
- 33 Швартовка
- 35 СНЯТИЕ
- 36 ТРАНСПОРТИРОВКА
- 38 График
- 41 Топливопровод
- 43 Смазка; МЕСТО
- 44 Аноды; Монтажные
- 45 ТОПЛИВНЫЙ
- 48 Консервация; Хранение
- 51 СПЕЦИФИКАЦИИ; Характеристики
