Лодочные моторы Suzuki DF9 9ARL - инструкция пользователя по применению, эксплуатации и установке на русском языке. Мы надеемся, она поможет вам решить возникшие у вас вопросы при эксплуатации техники.
Если остались вопросы, задайте их в комментариях после инструкции.
"Загружаем инструкцию", означает, что нужно подождать пока файл загрузится и можно будет его читать онлайн. Некоторые инструкции очень большие и время их появления зависит от вашей скорости интернета.

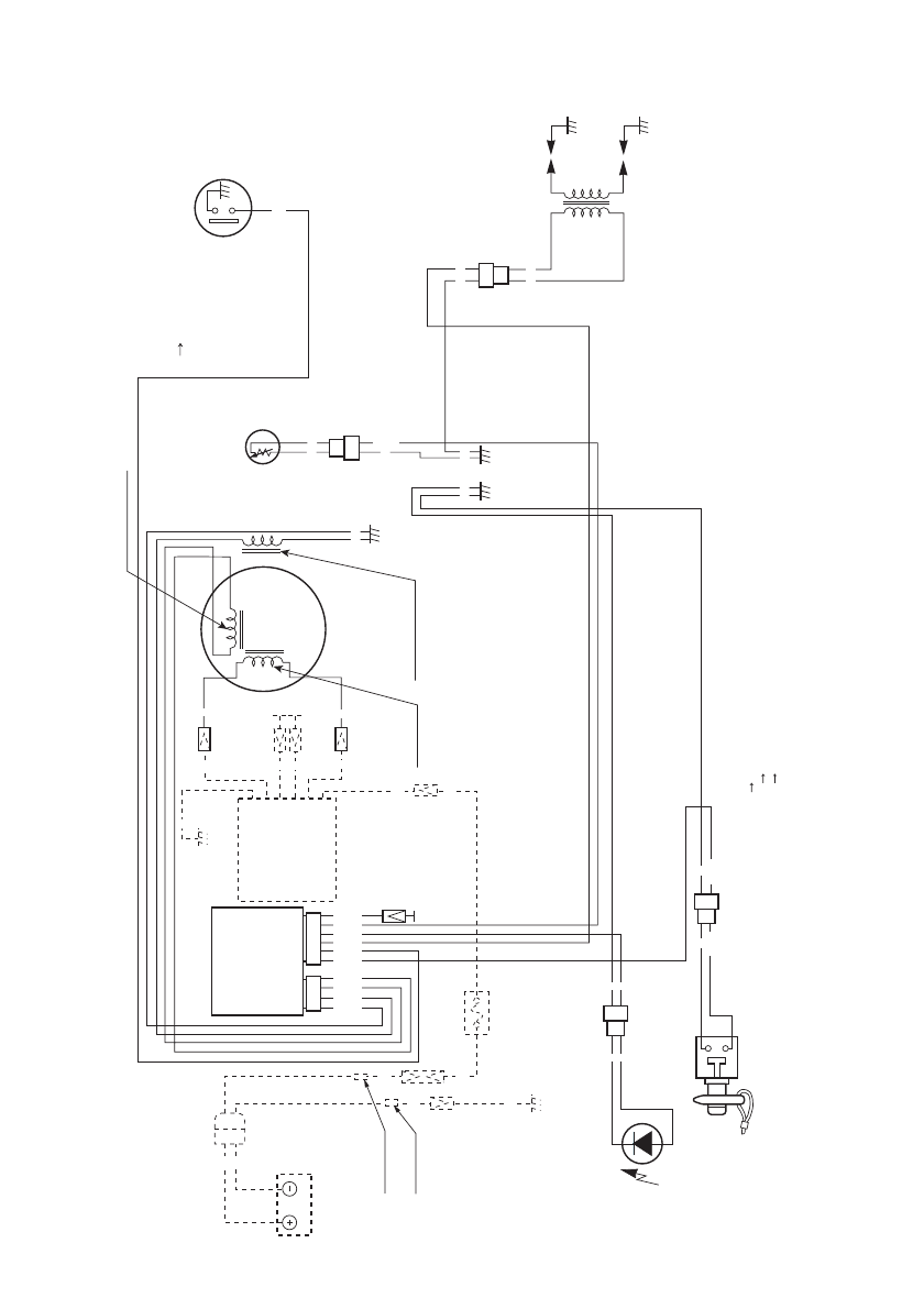
WIRING DIAGRAM
DF8A/DF9.9A (RECOIL STARTER MODEL)
Y
CDI UNIT
B P
B
Bl/R
B
Bl/R
B P
B
O
O
B
Y
Y
Y
R
R
B
B
B
MA
GNET
O
CYLINDER
TEMP SENSOR
Bl
IGNITION COIL
SP
ARK PLUG
B
A
TTER
Y
12V 35AH
Y-TUBE
PLUG
R-TUBE
FUSE 20A
B
W
W
W
W
W
B
OIL PRESSURE SWITCH
15kP
a (0.15 kgf/cm
2
) or less
ON
B
R/B
G
B/R
Bl/R
Bl
O
P
Lg/W
Y/B
B
Lg/W
B
B
B
WIRE COLOR
B
..........
Blac
k
Bl.........
Blue
Br
.........
Bro
wn
G..........
Green
O
..........
Or
ange
P
...........
Pink
R..........
Red
W
.........
White
Y
...........
Y
ello
w
B/R.......
Blac
k/Red
BI/R......
Blue/Red
R/B
.......
Red/Blac
k
Y/B
.......
Y
ello
w/Blac
k
Y/G......
Y
ello
w/Green
Lg/W
....
Light g
reen/White
EMERGENCY ST
OP & ENGINE ST
OP SWITCH
Emer
g
enc
y stop s
w
itc
h:
Loc
k plate IN R
U
N
Loc
k plate OUT ST
OP
Engine stop s
w
itc
h:
Button pushed ST
OP
CA
UTION LAMP
(OIL PRESSURE)
CONDENSER
CHARGE COIL
B
A
TTER
Y
CHARGE
COIL
B
PULSER COIL
RECTIFIER &
REGULA
T
O
R
Содержание
- 6 БЕНЗИН
- 8 Трансмиссионное
- 15 УСТАНОВКА; ТРЕБОВАНИЯ
- 17 ИСПОЛЬЗОВАНИЕ
- 18 Выбор; Установка
- 19 РЕГУЛИРОВКИ
- 21 СИСТЕМА
- 22 Ограничитель
- 24 УПРАВЛЕНИЕ; Фиксатор
- 25 Рычаг
- 27 ПРОВЕРКА
- 30 ЭКСПЛУАТАЦИЯ
- 31 ЗАПУСК
- 35 Аварийный
- 39 Швартовка
- 41 СНЯТИЕ
- 42 ТРАНСПОРТИРОВКА
- 45 График
- 49 ВНИМАНИЕ
- 51 Смазка
- 52 Аноды; Аккумуляторная
- 53 ПРОМЫВКА
- 54 При
- 55 ЗАТОПЛЕННЫЙ
- 56 ХРАНЕНИЕ; Консервация
- 58 ПЛАВКИЙ
- 59 СПЕЦИФИКАЦИИ
