Лодочные моторы Suzuki DF20AS - инструкция пользователя по применению, эксплуатации и установке на русском языке. Мы надеемся, она поможет вам решить возникшие у вас вопросы при эксплуатации техники.
Если остались вопросы, задайте их в комментариях после инструкции.
"Загружаем инструкцию", означает, что нужно подождать пока файл загрузится и можно будет его читать онлайн. Некоторые инструкции очень большие и время их появления зависит от вашей скорости интернета.

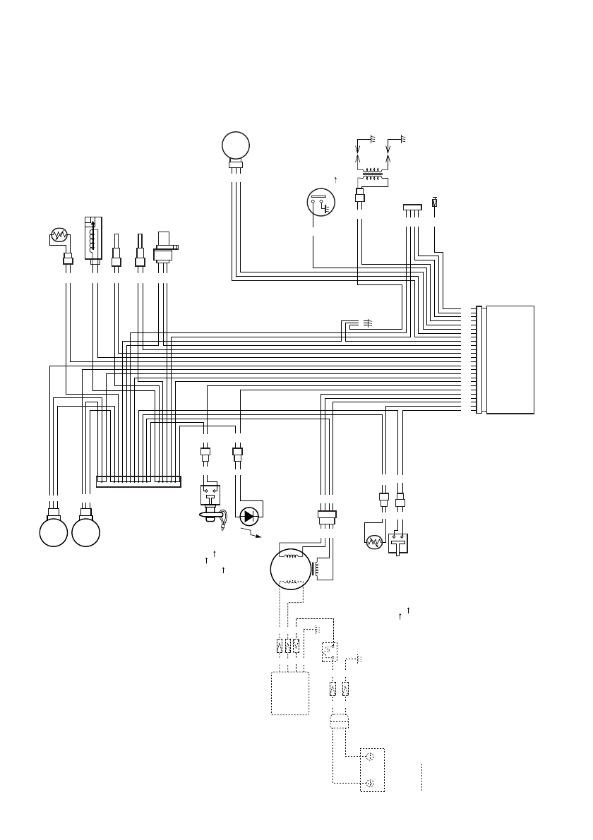
WIRING DIAGRAM
DF9.9B/15A/20A (RECOIL STARTER MODEL)
WIRE COLOR
B..........
Br........
O.........
P..........
R..........
W.........
Y..........
Black
Brown
Orange
Pink
Red
White
Yellow
B/Br......
B/R.......
B/W......
B/Y.......
BI/R......
BI/Y......
Br/R......
Br/W......
Br/Y......
Gr/R.....
Black with Brown tracer
Black with Red tracer
Black with White tracer
Black with Yellow tracer
Blue with Red tracer
Blue with Yellow tracer
Brown with Red tracer
Brown with White tracer
Brown with Yellow tracer
Gray with Red tracer
Lg/B.....
Lg/W....
O/B......
O/Y......
R/B.......
Y/B.......
Y/Bl.......
Y/G......
W/B.....
Light green with Black tracer
Light green with White tracer
Orange with Black tracer
Orange with Yellow tracer
Red with Black tracer
Yellow with Black tracer
Yellow with Blue tracer
Yellow with Green tracer
White with Black tracer
MAP
SENSOR
THROTTLE
SENSOR
W
R
B
Br/Y
R
B
B
Bl/R
B
P
R
R
Y
Y
W
B
W
W
W
B
B
B
B
Br
Y/G
B
Y/G
B
Gr/R
O/Y
Y
B
O
Bl/Y
B/W
B/Y
B/R
B
Lg/B
Gr/R
O/B
Gr/R
B/Br
B
Y/Bl
Gr/R
Gr/R
W/B
Y/B
Y/G
Lg/W
R/B
Br/R
Br/W
P
Bl/R
Gr/R
B
R
Br/Y
W
Lg/B
W/B
O/B
B/Br
Y/Bl
B
B/W
B/Y
B/R
Bl/Y
O
O/Y
Y
Y/B
B
B
Lg/W
Gr/R
P
Br/W
Br/R
B/W
R/B
Br/W
Br/R
B
R/B
B
Bl/R
R
B
Gr/R
CAUTION
LAMP
MAGNETO
ECM POWER SOURCE
COIL
CKP SENSOR
FUSE 20A
CYLINDER TEMP
SENSOR
ENGINE CONTROL
MODULE
SDS
TACHOMETER
SIGNAL
IGNITION COIL
#1
#2
RECTIFIER &
REGULATOR
BATTERY
NEUTRAL SWITCH
N ON
F
.R OFF
OIL PRESSURE SWITCH
FUEL PUMP
IAT SENSOR
IAC VALVE
FUEL INJECTOR
#1
#2
CMP SENSOR
ON
14.7kPa (0.15kgf/cm
2
) or less
Emergency stop switch:
Lock plate IN RUN
Lock plate OUT STOP
Engine stop switch: Button pushed STOP
EMERGENCY STOP & ENGINE STOP SWITCH
Optional par
ts
Содержание
- 6 БЕНЗИН
- 8 Трансмиссионное
- 9 WARNING
- 15 УСТАНОВКА; ТРЕБОВАНИЯ
- 17 ИСПОЛЬЗОВАНИЕ
- 18 Выбор
- 19 РЕГУЛИРОВКИ; Регулировка
- 22 Ограничитель
- 26 Активация
- 27 Фиксатор
- 30 ПРОВЕРКА
- 33 ЭКСПЛУАТАЦИЯ
- 34 ЗАПУСК
- 38 Аварийный
- 42 Остановка
- 43 Швартовка
- 45 СНЯТИЕ
- 46 ТРАНСПОРТИРОВКА
- 49 График
- 53 ВНИМАНИЕ
- 55 Смазка
- 56 Аноды; Аккумуляторная
- 57 ПРОМЫВКА
- 58 При
- 59 ЗАТОПЛЕННЫЙ
- 60 ХРАНЕНИЕ; Консервация
- 62 ПЛАВКИЙ
- 63 СПЕЦИФИКАЦИИ
