Котел ZOTA Smart SE-15 - инструкция пользователя по применению, эксплуатации и установке на русском языке. Мы надеемся, она поможет вам решить возникшие у вас вопросы при эксплуатации техники.
Если остались вопросы, задайте их в комментариях после инструкции.
"Загружаем инструкцию", означает, что нужно подождать пока файл загрузится и можно будет его читать онлайн. Некоторые инструкции очень большие и время их появления зависит от вашей скорости интернета.

32
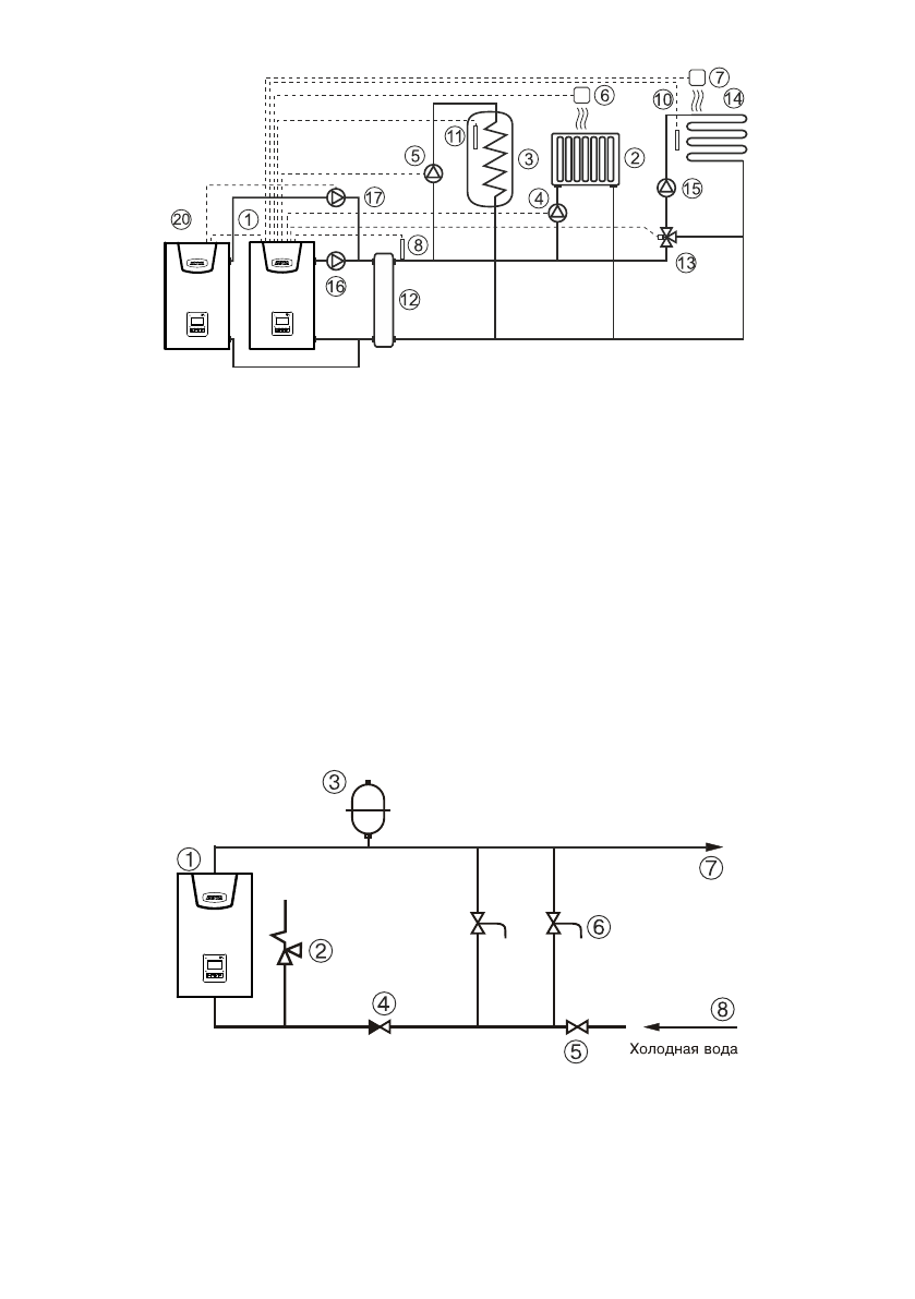
Рис.9 Упрощенная схема подключения двух котлов в каскаде с
гидроразделителем, контуром ГВС и теплого пола.
1 - Электроводонагреватель
2 - Отопительные приборы
3 - Бак водонагревателя ГВС
4 - Циркуляционный насос контура
отопления (насос1)
5 - Циркуляционный насос контура ГВС
(насос2)
6 - Датчик температуры помещения
(tдатч.1)
7 - Датчик температуры воздуха
(tдатч.4)
8 - Датчик температуры
гидроразделителя (tдатч.6)
9 - Датчик температуры внешний
(tдатч.2)
10 - Датчик температуры воды (tдатч.3)
11 - Датчик температуры ГВС (tдатч.5)
12 - Гидроразделитель
13 - Трехходовой клапан с приводом
14 - Контур теплого пола
15 - Насос контура клапана
16 - Насос контура гидроразделителя
17 - Насос ведомого котла (насос1)
18 - Насос основного твердотопливного
котла (насос3)
19 - Насос вспомогательного котла
(насос1)
20 - Электроводонагреватель ведомый
в каскаде
21 - Твердотопливный котел
Рис.10 Упрощенная схема подключения в качестве
электроводонагревателя с проточным режимом работы
1 - Электроводонагреватель
2 - Предохранительный клапан
3 - Мембранный расширительный бак
4 - Обратный клапан
5 - Вентиль
6 - Смеситель
7 - Горячая вода
8 - Холодна вода





