Котел ZOTA Pellet 40 a - инструкция пользователя по применению, эксплуатации и установке на русском языке. Мы надеемся, она поможет вам решить возникшие у вас вопросы при эксплуатации техники.
Если остались вопросы, задайте их в комментариях после инструкции.
"Загружаем инструкцию", означает, что нужно подождать пока файл загрузится и можно будет его читать онлайн. Некоторые инструкции очень большие и время их появления зависит от вашей скорости интернета.

“2!.36
q.+,= C%0*234+…, C3292= 3C!="2+…, *%22= Zota Pellet.
o!,2%›+…,+ 3
“2!.1
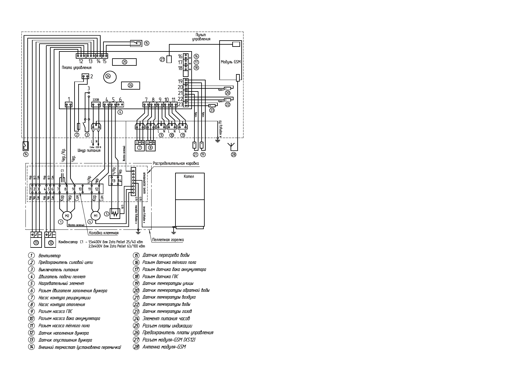
bmhl`mhe!
m; <%C3“*=L2; C!;"/@;…, <="8;…, " *%28; “";!. 3*=ƒ=……%L " 2;.…,D;“*%L
.=!=*2;!,“2,*; ";8,D,…/. m; !=ƒ!;@=;2“ 2%C,2E C;88;2…/L *%2;8 3F8;G "%
,ƒK;›=…,; C%"!;›<;…, F%!;8*, F%! ?,G, ƒ%8E…/G, %2.%<=G,.
g=C!;?=;2“ %“2="8 2E *%2;8 “ "%<%L C!, 2;GC;!=23!; %*!3›=L?;F% "%ƒ<3.=
…,›; 0
%
q. m; ƒ=C3“*=L2; *%2;8 C!, %2“32“2",, " …;G 2;C8%…%“,2;8 ,8, "
“83D=; ;F% ƒ=G;!ƒ=…, . g=C!;?=;2“ 3“2=…="8,"=2E ƒ=C%!…3L =!G=23!3 …=
C%<=L?;G 2!3K%C!%"%<; *%28= C!, %2“32“2",, C!;<%.!=…,2;8E…%F% *8=C=…=,
3“2=…%"8;……%F% <% ƒ=C%!…%L =!G=23!/ , !=““D,2=……%F% …= <="8;…,; …; K%8;;
0,3 lo= (3,0 “G
2
).
qndepf`mhe “2!.
qndepf`mhe................................................................................ 1
nayhe qbedemh“ na hgdekhh................................................. 2
Šeumh)eqjhe d`mm{e................................................................. 2
jnlokejŠ onqŠ`bjh.................................................................. 3
rj`g`mhe lep aegno`qmnqŠh.................................................. 4
rqŠpniqŠbn h ophm0ho p`anŠ{ jnŠk`.................................. 5
lnmŠ`f jnŠk` h qhqŠel{ nŠnokemh“.................................. 8
}jqokr`Š`0h“ jnŠk`................................................................. 15
naqkrfhb`mhe............................................................................ 27
u`p`jŠepm{e mehqop`bmnqŠh h leŠnd{ hu rqŠp`memh“... 28
c`p`mŠhim{e na“g`Šek|qŠb`.................................................. 29
qbedemh“ na rŠhkhg`0hh........................................................ 29
qbhdeŠek|qŠbn n ophelje h opnd`fe................................. 30
qbedemh“ na rqŠ`mnbje........................................................... 31
ophknfemhe 1............................................................................ 33
ophknfemhe 2............................................................................ 35
ophknfemhe 3............................................................................ 36
o!+0C!, 2,+ ,ƒJ%2%",2+29 %“2="2 +2 ƒ= “%K%L C!="% "…%“,29 ,ƒ,+…+…, "
*%…“2!3*M,3 *%22=, …+ 3.30O=3?,+ C%2!+K,2+29“*%J% *=4+“2"= ,ƒ0+2, .
p;<=*., 17-09-2012
rb`f`el{i onjro`Šek|!
a8=F%<=!,G b=“ ƒ= 2%, D2% b/ C!,%K!;8, C;88;2…/L *%2;8 &Zota Pellet[.
j%…“2!3*., *%28= C%ƒ"%8 ;2 !=K%2=2E " “,“2;G=. “ <="8;…,;G 2;C8%…%“,2;8
<% 3-. =2G%“-;!. j%2;8 “…=K›;… ="2%G=2,*%L <8 C%<<;!›=…, 3“2=…%"8;……%L
2;GC;!=23!/ 2;C8%…%“,2;8 , "%ƒ<3.= " C%G;?;…,,, “,“2;G%L K;ƒ%C=“…%“2,
%2 C;!;F!;"= *%28= , C!%…,*…%";…, %F… " K3…*;! , “,“2;G%L ="2%G=2,D;“*%F%
!%ƒ›,F=. `"2%G=2,*= *%28= C%ƒ"%8 ;2 %2“8;›,"=2E -=*2,D;“*,L !=“.%<
2%C8,"= ƒ= “32*, , " 2;D;…,; "“;F% “;ƒ%…=. b *%28; !;=8,ƒ%"=…= “,“2;G=
C%F%<%ƒ=",“,G%F% !;F38,!%"=…, , ,G;;2“ "%ƒG%›…%“2E 3C!="8;…, “
C%G%?EL "“2!%;……%F% C!%F!=GG,!3;G%F% 2;!G%“2=2= C% 2;GC;!=23!; "%ƒ<3.=
" C%G;?;…,, , "%ƒG%›…%“2E *%…2!%8,!%"=2E , 3C!="8 2E C!%.;““%G
%2%C8;…, <,“2=….,%……% “ C%G%?EL G%<38 ZOTA GSM-Pellet. o!, "!;G;……%G
%2*8LD;…,, .8;*2!%.…;!F,, ,G;;2“ "%ƒG%›…%“2E 2%C,2E *%2;8 <!%"=G,
,8, 2%C8,"…/G, K!,*;2=G,. nKA;G K3…*;!=, C!;<…=ƒ…=D;……%F% <8 ƒ=F!3ƒ*,
C;88;2, G%›;2 K/2E 3";8,D;… ƒ= “D;2 3“2=…%"*, <%C%8…,2;8E…/. G%<38;L.
b *%28; C!;<3“G%2!;…= "%ƒG%›…%“2E 3“2=…%"*, …=F!;"=2;8E…%F% .8;G;…2=
(<%C. *%GC8;*2) " “83D=;, *%F<= " K3…*;!; ƒ=*%…D,8,“E C;88;2/. d%C3“*=;2“
2%C*= *%28= “3.,G, <!%"=G, ,8, K!,*;2=G, " .…;!F%…;ƒ=",“,G%G !3D…%G
!;›,G; C!, 3“2=…%"*; *%8%“…,*%" (" *%GC8;*2;).
b“; *%28/ C!%@8, %K ƒ=2;8E…3L “;!2,-,*=.,L c%““2=…<=!2= p%““,,,
“;!2,-,*=2 1 pnqq RU.`e88.b00082.
m=“2% ?;; !3*%"%<“2"% C!;<…=ƒ…=D;…% <8 ,ƒ3D;…, !=K%2/, C!=",8
.*“C83=2=.,, , %K“83›,"=…, *%28=. j G%…2=›3 , .*“C83=2=.,, *%28=
<%C3“*=L2“ 8,.=, ,ƒ3D,"@,; …=“2% ?;; !3*%"%<“2"% C% .*“C83=2=.,,.




