Котел ZOTA МК 18 миникотельная - инструкция пользователя по применению, эксплуатации и установке на русском языке. Мы надеемся, она поможет вам решить возникшие у вас вопросы при эксплуатации техники.
Если остались вопросы, задайте их в комментариях после инструкции.
"Загружаем инструкцию", означает, что нужно подождать пока файл загрузится и можно будет его читать онлайн. Некоторые инструкции очень большие и время их появления зависит от вашей скорости интернета.

ñòð.7
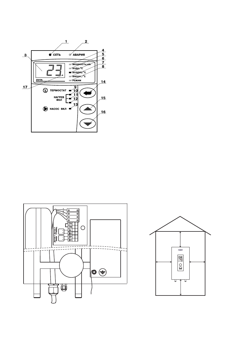
1 - èнäèêàòîð нàïðÿæåнèÿ ñåòè
2 - èнäèêàòîð àвàðèéнûõ ðåæèмîв
3 - öèôðîвîé èнäèêàòîð
4 - èнäèêàòîð ðåæèмà îòîáðàæåнèÿ
мîùнîñòè мèнèêîòåëьнîé
5 - èнäèêàòîð ðåæèмà îòîáðàæåнèÿ
òåмïåðàòуðû òåïëîнîñèòåëÿ
6 - èнäèêàòîð ðåæèмà îòîáðàæåнèÿ
òåмïåðàòуðû вîçäуõà ïîмåùåнèÿ
7 - èнäèêàòîð ðåæèмà îòîáðàæåнèÿ
òåмïåðàòуðû вîçäуõà уëèöû
8 - èнäèêàòîð ðåæèмà îòîáðàæåнèÿ
ðàáîòû внуòðåннåãî òåðмîñòàòà
9 - èнäèêàòîð ðàáîòû òåðмîñòàòà
10,11,12-èнäèêàòîðû вêëþ÷åнèÿ
ñòуïåнåé
мîùнîñòè вîäîнàãðåвàòåëÿ
13 - èнäèêàòîð ðàáîòû нàñîñà
14 - êнîïêà ввîäà ðåæèмîв ðàáîòû
вîäîнàãðåвàòåëÿ
15 - êнîïêà увåëè÷åнèÿ ïîêàçàнèé
16 - êнîïêà умåньøåнèÿ ïîêàçàнèé
17 - èнäèêàòîð ðàáîòû мîäуëÿ-GSM
Ðиñ.2 Ðàñïîлîæеíие îðãàíîâ óïðàâлеíиÿ íà ïеðеäíей ïàíели
Ðиñ.3 Ñõемà ïîäêлþ÷еíиÿ
миíиêîòельíîй
Ðиñ.4 Ñõемà óñòàíîâêи
миíиêîòельíîй
PE
Ï
N
N
WILO
Ñ
Â
À
>0,8ì
>0,5ì
>0,8ì
>0,5ì





