Котел ZOTA Lux 9 - инструкция пользователя по применению, эксплуатации и установке на русском языке. Мы надеемся, она поможет вам решить возникшие у вас вопросы при эксплуатации техники.
Если остались вопросы, задайте их в комментариях после инструкции.
"Загружаем инструкцию", означает, что нужно подождать пока файл загрузится и можно будет его читать онлайн. Некоторые инструкции очень большие и время их появления зависит от вашей скорости интернета.

ñòð.20
Ïðèëîæåíèå 3
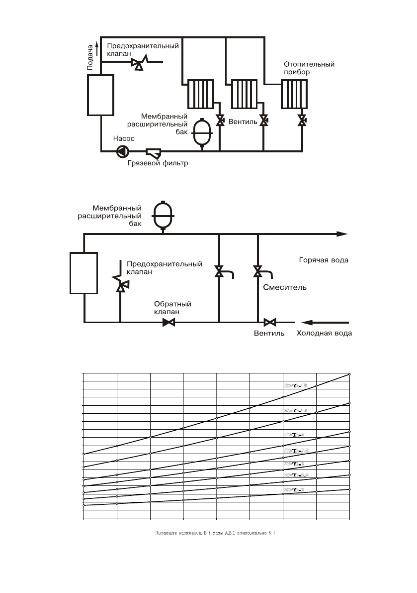
Рèñ.9 Óïðîùåííàÿ ñõåìà ïîäêëþ÷åíèÿ ýëåêòðîâîäîíàãðåâàòåëÿ
â îòîïèòåëüíóþ ñèñòåìó ñ öèðêóëÿöèîííûì íàñîñîì
Рèñ.10 Óïðîùåííàÿ ñõåìà ïîäêëþ÷åíèÿ â êà÷åñòâå
ýëåêòðîâîäîíàãðåâàòåëÿ ñ ïðîòî÷íûì ðåæèìîì ðàáîòû
ZOTA
ZOTA
0
1
2
3
4
5
6
7
8
9
10
11
12
13
14
15
16
17
18
160
170
180
190
200
210
220
230
240
Ïèòàþùåå íàïÿæåíèå, Â ( ôàçû À,Â,Ñ îòíîñèòåëüíî N )
l
%
?…%“
ь
,
*
b
ZOTA-15
ZOTA-7,5
ZOTA-4.5
ZOTA-6
ZOTA-9
ZOTA-12
ZOTA-3
Рèñ.11 Гðàôèê èçìåíåíèÿ ìîùíîñòè ýëåêòðîâîäîíàãðåâàòåëÿ â
çàâèñèìîñòè îò ïèòàþùåãî íàïðÿæåíèÿ





