Котел ZOTA Lux 80 - инструкция пользователя по применению, эксплуатации и установке на русском языке. Мы надеемся, она поможет вам решить возникшие у вас вопросы при эксплуатации техники.
Если остались вопросы, задайте их в комментариях после инструкции.
"Загружаем инструкцию", означает, что нужно подождать пока файл загрузится и можно будет его читать онлайн. Некоторые инструкции очень большие и время их появления зависит от вашей скорости интернета.

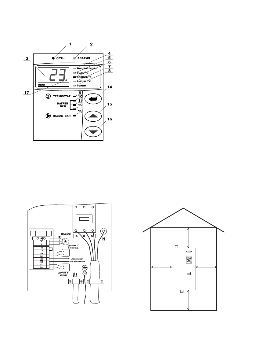
ñòð.7
1 - èíäèêàòîð íàïðÿæåíèÿ ñåòè
2 - èíäèêàòîð àâàðèéíûõ ðåæèìîâ
3 - öèôðîâîé èíäèêàòîð
4 - èíäèêàòîð ðåæèìà îòîáðàæåíèÿ
ìîùíîñòè âîäîíàãðåâàòåëÿ
5 - èíäèêàòîð ðåæèìà îòîáðàæåíèÿ
òåìïåðàòóðû òåïëîíîñèòåëÿ
6 - èíäèêàòîð ðåæèìà îòîáðàæåíèÿ
òåìïåðàòóðû âîçäóõà ïîìåùåíèÿ
7 - èíäèêàòîð ðåæèìà îòîáðàæåíèÿ
òåìïåðàòóðû âîçäóõà óëèöû
8 - èíäèêàòîð ðåæèìà îòîáðàæåíèÿ
ðàáîòû âíóòðåííåãî òåðìîñòàòà
9 - èíäèêàòîð ðàáîòû òåðìîñòàòà
10,11,12-èíäèêàòîðû âêëþ÷åíèÿ
ñòóïåíåé ìîùíîñòè âîäîíàãðåâàòåëÿ
13 - èíäèêàòîð ðàáîòû íàñîñà
14 - êíîïêà ââîäà ðåæèìîâ ðàáîòû
âîäîíàãðåâàòåëÿ
15 - êíîïêà óâåëè÷åíèÿ ïîêàçàíèé
16 - êíîïêà óìåíüøåíèÿ ïîêàçàíèé
17 - èíäèêàòîð ðàáîòû ìîäóëÿ-GSM
Ðèñ.2 Ðàñïîëîæåíèå îðãàíîâ óïðàâëåíèÿ íà ïåðåäíåé ïàíåëè
Ðèñ.3 Ñõåìà ïîäêëþ÷åíèÿ
ýëåêòðîâîäîíàãðåâàòåëÿ
Ðèñ.4 Ñõåìà óñòàíîâêè
ýëåêòðîâîäîíàãðåâàòåëÿ
Àâòîìàò
ââîäíîé
PE
Ï
>0,8ì
>0,5ì
>0,8ì
>0,5ì





