Котел ZOTA Lux 6 - инструкция пользователя по применению, эксплуатации и установке на русском языке. Мы надеемся, она поможет вам решить возникшие у вас вопросы при эксплуатации техники.
Если остались вопросы, задайте их в комментариях после инструкции.
"Загружаем инструкцию", означает, что нужно подождать пока файл загрузится и можно будет его читать онлайн. Некоторые инструкции очень большие и время их появления зависит от вашей скорости интернета.

ñòð.7
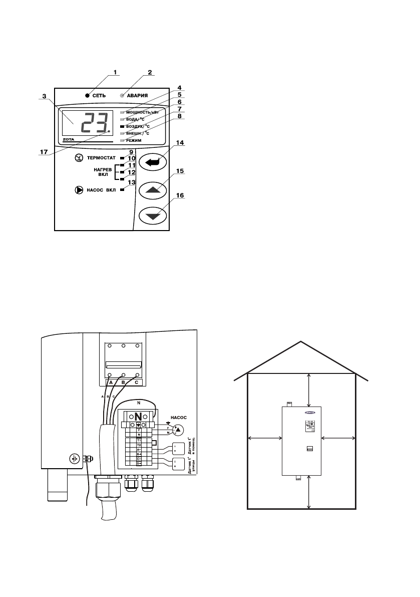
1 - èíäèêàòîð íàпðÿæåíèÿ ñåòè
2 - èíäèêàòîð àâàðèéíûõ ðåæèìîâ
3 - öèôðîâîé èíäèêàòîð
4 - èíäèêàòîð ðåæèìà îòîáðàæåíèÿ
ìîùíîñòè âîäîíàãðåâàòåëÿ
5 - èíäèêàòîð ðåæèìà îòîáðàæåíèÿ
òåìпåðàòóðû òåпëîíîñèòåëÿ
6 - èíäèêàòîð ðåæèìà îòîáðàæåíèÿ
òåìпåðàòóðû âîçäóõà пîìåùåíèÿ
7 - èíäèêàòîð ðåæèìà îòîáðàæåíèÿ
òåìпåðàòóðû âîçäóõà óëèöû
8 - èíäèêàòîð ðåæèìà îòîáðàæåíèÿ
ðàáîòû âíóòðåííåãî òåðìîñòàòà
9 - èíäèêàòîð ðàáîòû òåðìîñòàòà
10,11,12-èíäèêàòîðû âêëþ÷åíèÿ
ñòóпåíåé
ìîùíîñòè âîäîíàãðåâàòåëÿ
13 - èíäèêàòîð ðàáîòû íàñîñà
14 - êíîпêà ââîäà ðåæèìîâ ðàáîòû
âîäîíàãðåâàòåëÿ
15 - êíîпêà óâåëè÷åíèÿ пîêàçàíèé
16 - êíîпêà óìåíüøåíèÿ пîêàçàíèé
17 - èíäèêàòîð ðàáîòû ìîäóëÿ-GSM
Рèñ.2 Рàñïîëîæåíèå îðãàíîâ óïðàâëåíèÿ íà ïåðåäíåé ïàíåëè
Рèñ.3 Ñõåìà ïîäêëþ÷åíèÿ
ýëåêòðîâîäîíàãðåâàòåëÿ
Рèñ.4 Ñõåìà óñòàíîâêè
ýëåêòðîâîäîíàãðåâàòåëÿ
Àâòîìàò
ââîäíîé
Ï
PE
>0,8ì
>0,5ì
>0,8ì
>0,5ì





