Котел ZOTA Lux 33 - инструкция пользователя по применению, эксплуатации и установке на русском языке. Мы надеемся, она поможет вам решить возникшие у вас вопросы при эксплуатации техники.
Если остались вопросы, задайте их в комментариях после инструкции.
"Загружаем инструкцию", означает, что нужно подождать пока файл загрузится и можно будет его читать онлайн. Некоторые инструкции очень большие и время их появления зависит от вашей скорости интернета.

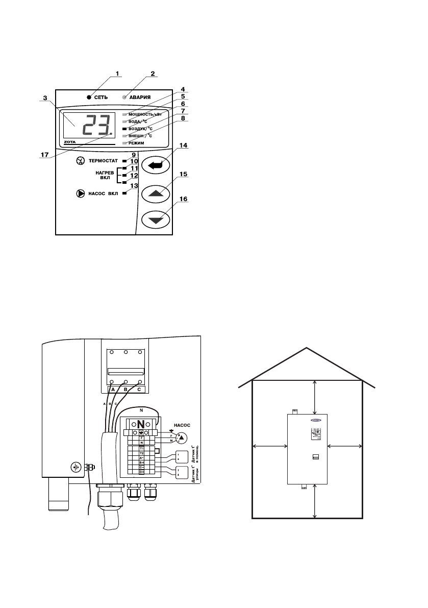
ñòð.7
1 - èíäèêàòоð íàïðÿæåíèÿ ñåòè
2 - èíäèêàòоð àâàðèéíûõ ðåæèìоâ
3 - öèôðоâоé èíäèêàòоð
4 - èíäèêàòоð ðåæèìà оòоáðàæåíèÿ
ìоùíоñòè âоäоíàãðåâàòåëÿ
5 - èíäèêàòоð ðåæèìà оòоáðàæåíèÿ
òåìïåðàòóðû òåïëоíоñèòåëÿ
6 - èíäèêàòоð ðåæèìà оòоáðàæåíèÿ
òåìïåðàòóðû âоçäóõà ïоìåùåíèÿ
7 - èíäèêàòоð ðåæèìà оòоáðàæåíèÿ
òåìïåðàòóðû âоçäóõà óëèöû
8 - èíäèêàòоð ðåæèìà оòоáðàæåíèÿ
ðàáоòû âíóòðåííåãо òåðìоñòàòà
9 - èíäèêàòоð ðàáоòû òåðìоñòàòà
10,11,12-èíäèêàòоðû âêëþ÷åíèÿ
ñòóïåíåé
ìоùíоñòè âоäоíàãðåâàòåëÿ
13 - èíäèêàòоð ðàáоòû íàñоñà
14 - êíоïêà ââоäà ðåæèìоâ ðàáоòû
âоäоíàãðåâàòåëÿ
15 - êíоïêà óâåëè÷åíèÿ ïоêàçàíèé
16 - êíоïêà óìåíüøåíèÿ ïоêàçàíèé
17 - èíäèêàòоð ðàáоòû ìоäóëÿ-GSM
Ðèñ.2 Ðàñïîëîæåíèå îðãàíîâ óïðàâëåíèÿ íà ïåðåäíåé ïàíåëè
Ðèñ.3 Ñõåìà ïîäêëþ÷åíèÿ
ýëåêòðîâîäîíàãðåâàòåëÿ
Ðèñ.4 Ñõåìà óñòàíîâêè
ýëåêòðîâîäîíàãðåâàòåëÿ
Àâòîìàò
ââîäíîé
Ï
PE
>0,8ì
>0,5ì
>0,8ì
>0,5ì





