Котел ZOTA Lux 27 - инструкция пользователя по применению, эксплуатации и установке на русском языке. Мы надеемся, она поможет вам решить возникшие у вас вопросы при эксплуатации техники.
Если остались вопросы, задайте их в комментариях после инструкции.
"Загружаем инструкцию", означает, что нужно подождать пока файл загрузится и можно будет его читать онлайн. Некоторые инструкции очень большие и время их появления зависит от вашей скорости интернета.

ñòð.20
Ïðèëîæåíèå 3
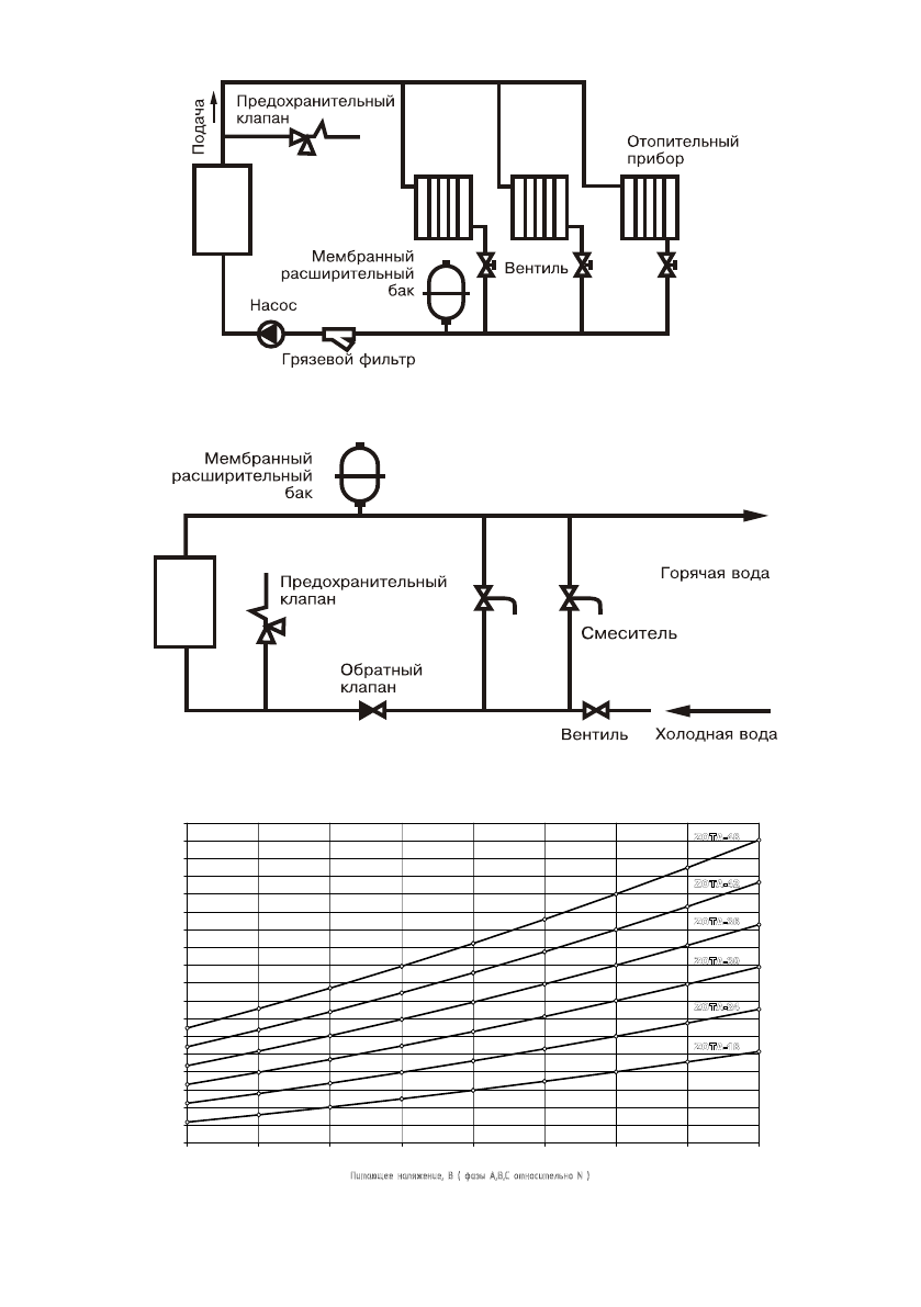
Ðèñ.9 Óïðîùåííàÿ ñõåìà ïîäêëþ÷åíèÿ ýëåêòðîâîäîíàãðåâàòåëÿ
â îòîïèòåëüíóþ ñèñòåìó ñ öèðêóëÿöèîííûì íàñîñîì
Ðèñ.10 Óïðîùåííàÿ ñõåìà ïîäêëþ÷åíèÿ â êà÷åñòâå
ýëåêòðîâîäîíàãðåâàòåëÿ ñ ïðîòî÷íûì ðåæèìîì ðàáîòû
ZOTA
ZOTA
6
9
12
15
18
21
24
27
30
33
36
39
42
45
48
51
54
57
60
160
170
180
190
200
210
220
230
240
Ïèòàþùåå íàïÿæåíèå, Â ( ôàçû À,Â,Ñ îòíîñèòåëüíî N )
l
%
?…%“
ь
,
*
b
ZOTA-42
ZOTA-36
ZOTA-30
ZOTA-24
ZOTA-48
ZOTA-18
Ðèñ.11 Ãðàôèê èçìåíåíèÿ ìîùíîñòè ýëåêòðîâîäîíàãðåâàòåëÿ â
çàâèñèìîñòè îò ïèòàþùåãî íàïðÿæåíèÿ





