Котел Wolf CGG-3K-24 24.0 кВт, природный газ E - инструкция пользователя по применению, эксплуатации и установке на русском языке. Мы надеемся, она поможет вам решить возникшие у вас вопросы при эксплуатации техники.
Если остались вопросы, задайте их в комментариях после инструкции.
"Загружаем инструкцию", означает, что нужно подождать пока файл загрузится и можно будет его читать онлайн. Некоторые инструкции очень большие и время их появления зависит от вашей скорости интернета.

12
3066239_201810
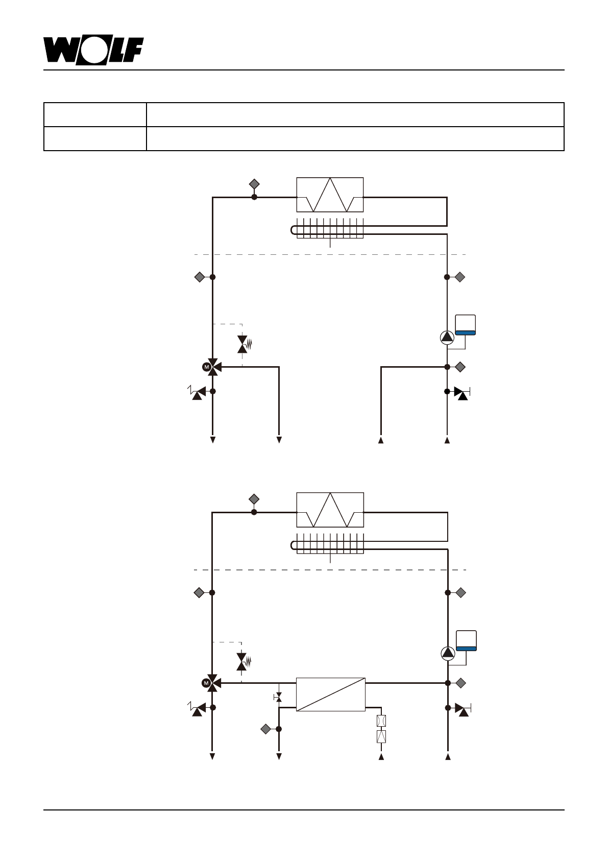
Теплообменник ГВС и датчик температуры подающей линии ГВС устанавливаются только в комбинированных котлах.
Коды оборудования:
CGG-3-18/24/28
Газовый котел с дымовой трубой с воздуховодом и дымоходом и встроенным соединением с
водонагревателем
CGG-3K-18/24/28
Комбинированная отопительная установка с дымовой трубой с воздуховодом и дымоходом и
интегрированным подключением сбойлером послойного нагрева
Горелка с низким NOx компании Wolf со штепселем для быстрой установки имеет низкий уровень выбросов и
высокую энергоэффективность.
Схема размещения/
коды оборудования
CGG-3 18/24/28:
CGG-3K-18/24/28:
Обратная линия
водонагревателя
Впускное отверстие
холодной воды
Подающая линия
водонагревателя
Выпускное
отверстие ГВС
Обратная линия
отопления
Обратная линия
отопления
Подающая
линия отопления
Подающая линия
отопления
Обв
одной к
лапан
Предохранительный
клапан
Сливной клапан
Трехходовой клапан
Датчик температуры
обратной линии
Датчик температуры
обратной линии
Ограничитель температуры
подающей линии
Ограничитель температуры
подающей линии
Основной теплообменник
Основной теплообменник
Ограничитель
температуры
датчик
Ограничитель
температуры
датчик
Датчик давления
Горелка
Камера сгорания
Водонапорная область
Обв
одной к
лапан
Предохранительный клапан
Сливной клапан
Трехходовой клапан
Пластинчатый теплообменник
Зап
рав
очный
клап
ан
Датчик
температуры ГВС
Датчик давления
Расходомер
Фильтр
Горелка
Расширительный бак
Камера сгорания
Водонапорная область
Насос













